Oggi è domenica 22 marzo 2026, 18:42

Tutti gli orari sono UTC + 1 ora [ ora legale ]




Apri un nuovo argomento Rispondi all’argomento  [ 2 messaggi ] 
Autore Messaggio
 Oggetto del messaggio: I contattori "SIGMA"
MessaggioInviato: domenica 8 maggio 2011, 13:59 
Non connesso

Iscritto il: mercoledì 8 dicembre 2010, 19:16
Messaggi: 508
L'entrata in servizio della locomotiva E 444, ha fatto storcere il naso a tanti macchinisti e tecnici; la sua complessità circuitale era enorme in confronto agli altri gruppi esistenti, che al contrario, erano di una semplicità estrema (a parte la E 645 E 646). La frenatura elettrica, l'anticabraggio......erano considerate vere e proprie "diavolerie"!!! Con il tempo, la professionalità e la preparazione tecnica che deve contraddistingue il macchinista, ha eliminato questa sorta di scetticismo iniziale, e l'apprezzamento verso questa locomotiva, è andato sempre di più crescendo nonostante i piccoli guai che questa locomotiva si è sempre portata dietro. La E 444, con i suoi quasi 4500 Kw a livello uniorario, e 4000 Kw a livello continuativo, è stata tra le 4 assi ad azionamento reostatico più potenti in assoluto. Risulta chiaro che abbiamo in termini di potenza 1 Mw per asse e per gestire una potenza specifica così elevata, altrettanto elevata per forza di cose, deve essere la corrente di avviamento; il motore T 750, ha una corrente di avviamento di circa 1100 Ampere e per poter effettuare uno spunto il più costante e dolce possibile, il reostato di avviamento deve essere suddiviso in molte sezioni. Questa soluzione contrasta con il contenimento della massa complessiva della locomotiva che, su una locomotiva progettata per eseere lanciata a 200 Km/h, deve essere la più contenuta possibile. Questo breve sconfinamento tecnico serve per introdurre, a mio parere, uno dei più bei sistemi che i tecnici F.S. si siano inventati; la "reinserzione ciclica del reostato"........vediamo che cos'è.
Come ho detto sopra, il reostato non può essere suddiviso in molte sezioni, pena l'aumento della massa della locomotiva e per gestire una potenza così elevata in avviamento, i tecnici si inventarono l'artificio di reinserire periodicamente e in maniera ciclica, alcune resistenze del reostato; prima di reinserirle però, il valore ohmico del reostato doveva aver raggiunto un valore leggermente minore..........ecco che entrano in funzione i famosi " Gruppi ad S " e i contattori "SIGMA".....vediamo insieme che cosa sono.
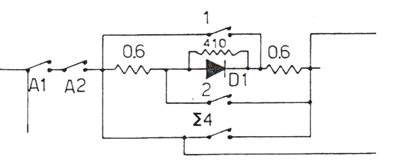
Sulla locomotiva E 444 sono presenti 5 parti di reostato denominati "Gruppi ad S" per la loro conformazione circuitale (disegno quì sotto)
Allegato:
Gruppo ad S.jpg
Gruppo ad S.jpg [ 58.56 KiB | Osservato 1577 volte ]
Ogni gruppo ad "S" è costituito da; un contattore pari (tipo R 800), un contattore dispari (tipo R 800), due resistenze da 0,6 Ohm ciascuna, e da un contattore denominato "SIGMA" (in algebra la lettera greca sigma, viene usata per indicare una sommatoria). Praticamente il valore complessivo di un gruppo ad "S", supera di 0.08 Ohm, la somma dei valori delle quattro resistenze precedentemente escluse. Le 4 resistenze appena accennate, fanno parte di un gruppo di 8 (2 gruppi da 4) resistenze che sono quelle che vengono reinserite ciclicamente dopo la chiusura di ogni "sigma" e sono reinserite da 8 contattori denominati "ballerini" (11-12-13-14-15-16-17-18)
Il circuito di trazione sarà dunque; (disegno quì sotto)
Allegato:
Circuito di trazione E 444 R.jpg
Circuito di trazione E 444 R.jpg [ 36.02 KiB | Osservato 1577 volte ]

Dopo aver descritto le parti circuitali fondamentali del reostato, andremo a vedere come avviene la "reinserzione ciclica" delle resistenze e la funzione dei contattori "SIGMA" (detti anche contattori somma).

All'atto dell'inserzione in trazione, avviene la chiusura dei contattori di linea (tipo p 800) A1 e A2 e avviene la rotazione a pieno campo dei 2 C.I.C. Abbiamo inserite le 2 resistenze in serie quindi avremo (0.6 + 0.6) = 1,2 Ohm.
Appena i due combinatori sono a pieno campo, in posizione di esclusione reostatica 02-03 della centralina delfina, avviene la chiusura dei contattori dispari 1-5-3-7- (1.2 - 0.6) = 0,6 Ohm e in posizione 04-05-06-07, avviene la chiusura dei contattori pari (secondo il calcolo do 2 resistenze uguali in parallelo avremo 0.6 x 0.6 / 0.6 + 0.6)= 0,3 Ohm. Chi ama "sentire" il comportamento della locomotiva, avrà sicuramente fatto caso che in queste fasi, la tartaruga fa 4 piccoli strattoni che si avvertono anche stando seduti in carrozza.
Adesso, in posizione 08-09-10-11 avviene la chiusura dei 4 contattori ballerini 11-12-13-14 e in posizione 12, avviene la chiusura del SIGMA 1 che esclude il gruppo ad "S" e l'apertura contemporanea dei contattori 11-12-13-14 che reinseriscono le relative resistenze.(questa sequenza, si riconosce dai secchi scarichi di aria, simile a degli "starnuti"). In posizione 13-14-15-16 avviene la chiusura dei "ballerini" 15-16-17-18 e, in posizione 17, si chiude il SIGMA 4 e contemporaneamente, si riaprono il 15-16-17-18. In posizione 18-19-20-21, avviene la richiusura dei "ballerini" 11-12-13-14......Questa sequenza di riapertura e chiusura dei ballerini, si realizza fino alla completa esclusione dei gruppi ad "S" in posizione 45 della centralina "delfina", quando vengono chiusi i contattori 18-20 che escludono i due ponti reostato.

Portando la leva di combinazione in "P", avviene la transizione; posizione 46 della delfina; apertura dei contattori 1-3-7- SIGMA1-SIGMA2-SIGMA4-SIGMA5-SIGMA6-contattore 19.
Posizione 46*; apertura dei contattori 2-4-5-6-8-9-10-11-12-13-14-15-16-17-18-SIGMA3.
Posizione 47; chiusura "C"-21.
Posizione 48; apertura 20
Posizione 49; chiusura 9-10

In PARALLELO invece la chiusura dei SIGMA, avviene a gruppi di 2 e la reinserzione ciclica delle resistenze ballerine, avviene a gruppi di 8; precisamente: chiusura di 11-12-13-14-15-16-17-18, SIGMA 1 SIGMA 4; riapertura di 11-12-13-14-15-16-17-18. Chiusura di 11-12-13-14-15-16-17-18, SIGMA 2 SIGMA 5; riapertura di 11-12-13-14-15-16-17-18. Chiusura di 11-12-13-14-15-16-17-18, SIGMA 3 SIGMA 6; riapertura di 11-12-13-14-15-16-17-18. Chiusura di 11-12-13-14-15-16-17-18; posizione 70, fine esclusione del reostato in PARALLELO.



Ecco il motivo perchè vengono chiamati contattori somma; ad ogni esclusione delle resistenze ballerine, avviene la chiusura di un SIGMA che supera di 0,08 la loro somma, poi riavviene la reinserzione delle resistenze, chiusura di un altro SIGMA e reinserzione di altre 4 resistenze ecc.....in questo modo si è ottenuta una considerevole riduzione delle sezioni del reostato, con un beneficio per la massa totale della locomotiva

Saluti, andrea


Top
 Profilo  
 
 Oggetto del messaggio: Re: I contattori "SIGMA"
MessaggioInviato: lunedì 9 maggio 2011, 11:17 
Non connesso

Iscritto il: martedì 18 dicembre 2007, 11:42
Messaggi: 1652
Località: Piossasco (TO)
Ciao Andrea, e grazie delle interessanti e belle spiegazioni che ci dai di tanto in tanto. Credo proprio che sia nella natura umana, e soprattutto nella natura dei meno avveduti, di storcere il naso alle nuove tecnologie....così come il fatto di criticare sin dal principio qualunque innovazione che non porta da subito ai risultati voluti o non funziona da subito nel modo più perfetto. Se fosse per loro a quest'ora saremo ancora ai tempi della pietra. Bisogna capire che non sempre tutto funziona perfettamente al primo colpo e soprattutto mi infastidisce chi critica il lavoro altrui senza capire che lui stesso non sarebbe in grado di fare 1/4 del lavoro fatto a chi si rivolgono le critiche.


Top
 Profilo  
 
Visualizza ultimi messaggi:  Ordina per  
Apri un nuovo argomento Rispondi all’argomento  [ 2 messaggi ] 

Tutti gli orari sono UTC + 1 ora [ ora legale ]


Chi c’è in linea

Visitano il forum: Nessuno e 8 ospiti


Non puoi aprire nuovi argomenti
Non puoi rispondere negli argomenti
Non puoi modificare i tuoi messaggi
Non puoi cancellare i tuoi messaggi
Non puoi inviare allegati

Cerca per:
Vai a:  
banner_piko

Duegi Editrice - Via Stazione 10, 35031 Abano Terme (PD). Italy - Tel. 049.711.363 - Fax 049.862.60.77 - duegi@duegieditrice.it - shop@duegieditrice.it
Direttore editoriale: Luigi Cantamessa - Amministratore unico: Federico Mogioni - Direttore responsabile: Pietro Fattori.
Registro Operatori della Comunicazione n° 37957. Partita iva IT 05448560283 Tutti i diritti riservati Duegi Editrice Srl