Oggi è domenica 22 marzo 2026, 13:38

Tutti gli orari sono UTC + 1 ora [ ora legale ]




Apri un nuovo argomento Rispondi all’argomento  [ 24 messaggi ]  Vai alla pagina 1, 2  Prossimo
Autore Messaggio
 Oggetto del messaggio: Tecnica: Motore a corrente mista?
MessaggioInviato: mercoledì 27 giugno 2012, 17:53 
Non connesso

Iscritto il: venerdì 30 aprile 2010, 14:41
Messaggi: 71
Mischstrommotor, ovvero motore a corrente mista.
Questa è la dicitura che appare a proposito dell'equipaggiamento elettrico della locomotiva austriaca 1044 (e 1144, sua recente trasformazione).
Premetto che non sono un esperto di elettrotecnica, e conosco la lingua tedesca solo a livello basilare, quindi mi è impossibile leggere la spiegazione tecnica sulla corrente mista qui presente:
http://de.wikipedia.org/wiki/Mischstrom
Mi chiedevo se qualcuno potesse spiegarmi (o indicarmi qualche link) per poter comprendere almeno in parte questo tipo di motore e (eventualmente) la sua regolazione...

Grazie,
Luca


Top
 Profilo  
 
 Oggetto del messaggio: Re: Tecnica: Motore a corrente mista?
MessaggioInviato: mercoledì 27 giugno 2012, 18:29 
Non connesso

Iscritto il: sabato 10 luglio 2010, 21:29
Messaggi: 284
Non so di che tipo di motore sia dotata la locomotiva in oggetto, ma presumo sia un motore a corrente alternata a collettore. Questo motore non si differenzia molto dal motore in CC, difatti il funzionamento è il medesimo. L'unica caratteristica che lo contraddistingue è la laminazione delle espansioni polari dello statore e del rotore, questo per limitare l'effetto Joule per le correnti parassite. Teoricamente un motore a collettore (chiamati anche universali) costruito per funzionare in CA, potrebbe essere utilizzato anche in CC, mentre non è possibile l'inverso. Nel caso che hai citato, il motore lavora con corrente pulsante, in pratica, una corrente continua non livellata. Penso che il succo sia questo. Questa caratteristica permette al motore di lavorare con ponte semicontrollato.


Top
 Profilo  
 
 Oggetto del messaggio: Re: Tecnica: Motore a corrente mista?
MessaggioInviato: mercoledì 27 giugno 2012, 18:42 
Non connesso

Iscritto il: martedì 18 dicembre 2007, 11:42
Messaggi: 1652
Località: Piossasco (TO)
Purtroppo di tedesco non capisco proprio nulla,quindi non ho potuto leggere. Comunque credo sia come dice sincrono, ovvero si tratta di un motore universale. Detta semplicemente si tratta di un motore in corrente continua ad eccitazione serie alimentato in corrente altrenata. In termini pratici motori in corrente continua ad eccitazione serie progettati per essere usati in corrente alternata presentano differenze rispetto a quelli per la corrente continua con alcune particolarità costruttive che sincrono ha indicato. Nella stragrande maggioranza dei piccoli elettrodomestici e degli utensili di piccola potenza sono usati motori universali.


Allegati:
dc2.JPG
dc2.JPG [ 104.07 KiB | Osservato 10424 volte ]
dc1.JPG
dc1.JPG [ 107.73 KiB | Osservato 10424 volte ]
Top
 Profilo  
 
 Oggetto del messaggio: Re: Tecnica: Motore a corrente mista?
MessaggioInviato: mercoledì 27 giugno 2012, 21:07 
Non connesso

Iscritto il: domenica 15 luglio 2007, 9:46
Messaggi: 6836
Località: Regione FVG
La "corrente mista" sarebbe quella che ho trovato definita "corrente pulsante" o "corrente pulsata", una continua che però varia (nel caso delle 1044 33,3 volte al secondo) di tensione periodicamente. Altro non è che la corrente uscita da un raddrizzatore senza essere filtrata da induttanze o condensatori. La 1044, da quanto ne so io, controlla questa corrente pilotando dei ponti raddrizzatori formati da diodi e tiristori, come i variatori di luce per le lampade alogene. Ovviamente il circuito di pilotaggio in una locomotiva è un po' più complesso, non essendo il carico costante.
Quello che è stato detto sul "circuito magnetico" è esatta: quei motori si distinguono da quelli in continua per lo statore laminato come in uso su quelli in alternata. Funzionano meglio di quelli in alternata perchè comunque la corrente, circolando sempre nello stesso verso, induce meno perdite.
Esistono anche locomotive a corrente pulsante più vecchie (famose le BB 12000 SNCF, ma nella categoria rientravano anche le 251 DR poi 171 DB) in cui si controllava la tensione cambiando rapporti al trasformatore principale e i raddrizzatori servivano solo a raddrizzare la corrente prima di inviarla ai motori di trazione.


Top
 Profilo  
 
 Oggetto del messaggio: Re: Tecnica: Motore a corrente mista?
MessaggioInviato: giovedì 28 giugno 2012, 0:50 
Non connesso

Iscritto il: mercoledì 8 dicembre 2010, 19:16
Messaggi: 508
Il motore a corrente continua di cui stiamo parlando è quello con "eccitazione in serie", che sappiamo benissimo, ha l'avvolgimento di campo (eccitazione) in serie con l'armatura (indotto), quindi la corrente di trazione che assorbirà il motore, sarà la stessa per entrambi gli avvolgimenti. Questo motore può funzionare anche in corrente alternata monofase. Per permettere ciò, è necessario, come giustamente si è detto sopra, realizzare il circuito magnetico dello statore con un pacco a struttura laminata. Questo accorgimento è necessario affinchè, la frequenza della corrente alternata, non surriscaldi il motore a causa delle forti perdite per isteresi magnetica e per correnti di Focault (parassite).Per promemoria ricordo che i motori a corrente continua, hanno tutto il pacco magnetico di statore fuso con espansioni polari riportate, anch'esse realizzate per fusione.
Alimentandolo con la corrente alternata abbiamo un fenomeno nuovo che nel motore a C.C. puro, non avevamo; la reattanza induttiva. In un avvolgimento realizzato con spire di rame, al passaggio della corrente continua, si hanno cadute di tensione molto limitate dovute alla resistenza del materiale conduttore. Al passaggio di una corrente alternata periodica invece avremo delle cadute di tensione dovute all'induttanza, che assumono valori tutt'altro che trascurabili. Questo fenomeno, per ricordare, permette il funzionamento delle "connessioni induttive" dei circuiti di binario con codificazione.
Tornando al motore esso presenta sempre l'eccitazione in serie, per limitare la forte reattanza che avrebbero le bobine di campo, con conseguente eccessivo sfasamento della tensione sulla corrente; in più è a traferro continuo cioè lo statore, è a struttura polare identica ai motori asincroni. Esso è sempre dotato di avvolgimenti compensatori sullo statore per contenere gli effetti del "flusso trasverso" sulle spire di commutazione; in più i suoi poli ausiliari, vengono generalmente alimentati a bassa tensione, per permettere una tensione, tra le lamelle del collettore, accettabile.
Per quanto riguarda la parte fisica, lo studio del motore funzionante in C.A. è assai più complicato di quello a C.C. quindi non mi addentrerò nella parte teorica.
La differenza nel motore a C.A., sta nel fatto che può essere alimentato a tensione variabile, con scarse perdite; basta porre un trasformatore con secondario a "gradini" tra la linea e il motore; per il resto hanno le stesse caratteristiche (funzionamento stabile, massima coppia allo spunto, velocità variabile all'aumentare o diminuire del carico)
All'inizio abbiamo parlato di corrente mista; il suo significato sta per C.A. e C.C. e non perchè è alimentato a corrente pulsante (mista indicherebbe comunque, due o più forme di grandezze elettriche che vanno ad alimentare il motore). La pulsazione della corrente avviene solo all'interno del motore per le caratteristiche della corrente alternata sinusoidale, e del motore. Se questi motori fossero alimentati a corrente pulsante, altro non sarebbero che a C.C.. Non conosco la 1044, ma credo che a bordo ci sia un trasformatore che alimenta i motori con regolazione elettronica; dato il sistema di elettrificazione delle OBB.
Casomai dovremmo parlare di corrente "ondulata" che è una particolare forma d'onda che si ha all'uscita di alcuni "chopper"; questo avveniva sulle sfortunate E 491/ E 492 e sulle E 453/ E 454 che avevano dei particolari motori alimentati a corrente continua ondulata. Per quanto riguarda la trazione monofase questa trova impiego per il motore a collettore a corrente ondulata. Tali motori vengono alimentati attraverso un trasformatore ed i raddrizzatori a tensioni non superiori a 1500 volt. Tale tipo di applicazione tuttavia presenta degli inconvenienti quali: la presenza di un motore a collettore e soprattutto il basso valore della frequenza di rete, in quanto più bassa è la frequenza maggiori sono le armoniche immesse in rete dai convertitori.
In molti casi la regolazione del valore tensione, se l'inverter è del tipo VSI, viene effettuata tramite convertitore CC/CC. Il controllo dell'intero azionamento avviene tramite microcontrollore; in esso viene elaborato l'algoritmo di controllo che determina gli impulsi di accensione e spegnimento del convertitore e dell'inverter. In merito alla regolazione del convertitore, questa viene fatta variando il tempo di accensione del componente. L'impiego della frequenza fissa, con eventuale riduzione della stessa in fase di avviamento, dove è richiesta una forte parzializzazione della tensione, è adottato onde evitare interazioni con i circuiti di segnalamento; in ogni caso vi è la presenza di un rivelatore di armoniche, che determina l'intervento di dispositivi di allarme nel caso in cui il contenuto armonico della corrente di linea supera un certo limite, per un fissato intervallo di tempo, nella banda di frequenza compresa tra i 60 e i 90 Hz, cioè in quella utilizzata dai sistemi di segnalamento.

Saluti, Andrea


Top
 Profilo  
 
 Oggetto del messaggio: Re: Tecnica: Motore a corrente mista?
MessaggioInviato: giovedì 28 giugno 2012, 2:58 
Non connesso

Iscritto il: sabato 10 luglio 2010, 21:29
Messaggi: 284
I motori di trazione di tutti i mezzi con motore a CC ed azionati con convertitore, sono costruiti per funzionare a tensione ondulata proprio per la forma d'onda risultante. La presenza dell'induttanza di spianamento attenua parzialmente l'ondulazione, rendendola più accettabile. Anche loro hanno lo statore lamellare. Penso che la 1044, essendo una macchina con azionamento elettronico, abbia questo tipo di motore e che il suo azionamento sia del tipo a ponte controllato dove, a valle del trasformatore, al posto dei diodi raddrizzatori, ci sono dei tiristori. Qualcuno è a conoscenza del sistema in opera?


Top
 Profilo  
 
 Oggetto del messaggio: Re: Tecnica: Motore a corrente mista?
MessaggioInviato: giovedì 28 giugno 2012, 15:02 
Non connesso

Iscritto il: domenica 15 luglio 2007, 9:46
Messaggi: 6836
Località: Regione FVG
Non esattamente, ma so che la 1044 ha un sistema di controllo a "ponti controllati" (o meglio semi-controllati, in quanto sono formati metà da tiristori e metà da diodi semplici).
Il principio di funzionamento è semplice, come ho detto assai simile a quello dei varilight per le lampade alogene: quando l'alternata in ingresso passa per lo "zero", i tiristori cessano di condurre, per riaccenderli occore inviare sul loro "terzo elettrodo" (gate) un impulso di corrente. Se questo impulso di corrente viene sfasato rispetto al passaggio per lo "zero", la corrente che passa può essere controllata, in pratica è un chopper in cui la frequenza la fa la rete di alimentazione.
I ponti possono essere formati solo da tiristori (ponti completamente controllati) o parte da tiristori e parte da diodi (ponti semi-controllati). I secondi hanno solo due dei lati del ponte di Graetz formato da tiristori in quanto l'altra parte, interessata dalla corrente di ritorno, non ha importanza ai fini del controllo. Ricordo un vecchio articolo (in tedesco) in cui si specificava che la 1044 ha 64 diodi e 32 tiristori. Se non sono usati in parallelo, questo numero specifica che di tiristori ce ne sono 8 per motore e forse (dico forse) l'eccitazione dei motori non è serie ma "immagine serie", ossia i campi e le armature sono controllati separatamente.

Davvero non c'è nessuno che abbia uno schema del circuito di trazione di una 1044 OBB?


Top
 Profilo  
 
 Oggetto del messaggio: Re: Tecnica: Motore a corrente mista?
MessaggioInviato: giovedì 28 giugno 2012, 15:39 
Non connesso

Iscritto il: sabato 10 luglio 2010, 21:29
Messaggi: 284
Si, penso anche io che abbiano l'eccitazione indipendente o quantomeno composta, per la F.E. . Quello che mi domando è come si riesca ad ottenere un campo di regolazione sufficentemente ampio, dato che la frequenza a 16Hz (che diventano 32, rettificata) è piuttosto bassina, considerato anche che nel ponte semicontrollato i tiristori, per forza di cose devono lavorare nella zona dei primi 90° delle semionde positive. Si concordo che sarebbe il caso di avere uno schema. Sarebbe stato forse più opportuno il passaggio c.a/trasformatore/raddrizzatore/filtro/chopper/motori? Vabbè con il loro sistema sfruttano lo spegnimento spontaneo dei tiristori.


Top
 Profilo  
 
 Oggetto del messaggio: Re: Tecnica: Motore a corrente mista?
MessaggioInviato: giovedì 28 giugno 2012, 18:30 
Non connesso

Iscritto il: mercoledì 20 settembre 2006, 20:44
Messaggi: 6407
Località: Sorbolo di Sorbolo Mezzani (PR)
Con i motori in CC pilotati elettronicamente l'eccitazione separata è di fatto imprescindibile, poi può essere fissa o variabile.
Con l'eccitazione variabile si ottine anche l'immagine serie, che poi si è stabilito che è una non necessaria complicazione.
Nelle locomotive il ponte totalmente controllato non serve, tipicamente lo si usa solo dove occorre un controllo molto preciso o/e la frenatura in controcorrente controllata: sarebbe il funzionamento cosidetto a 4 quadranti. Tra l'altro è sufficente invertire l'eccitazione per ottenere il funzionamento da generatore, e qui si tratta di correnti molto basse.
Anche se la frequenza di 16/3 Hz è bassa e quindi il funzionamento del motore non è ottimale, la possibilità di utilizzare componenti a bassa tensione ha permesso di introdurre l'elettronica di potenza sulle locomotive circa 15 anni prima che in Italia.
Mancando lo schema, si può anche ipotizzare che la bassa frequenza sia stata compensata utilizzando anche diverse tensioni d'alimentazione del circuito di trazione, i fin dei conti il trasformatore c'è.
Più fortunati i francesi che già utlizzavano i 50 Hz.

Diversamente, dove la catenaria è in CC ovvero dove s'interpone un raddrizzatore principale, si può sfruttare la possibilità di pilotare ogni singolo motore in modo indipendente, pertanto utilizzando un generatore d'impulsi con frequenza moltilicata per il numero dei motori, o dei gruppi di motori, si fa sì che l'intervento del chopper sia sfasato in modo da avere sempre almeno un motore/gruppo alimentato. Mi pare sia una particolarità sfruttata selle Tigri, che nonostante il minore peso assiale hanno prestazioni invidiabili da altre locomotive di pari potenza a 6 assi. Sulla 444 005 mi pare che furono fatti esperimenti sia a motore singolo sia a motori accopiati: uno per carrello, accopiati nel senso del segnale di sincronismo per il pilotaggio dei tiristori.


Top
 Profilo  
 
 Oggetto del messaggio: Re: Tecnica: Motore a corrente mista?
MessaggioInviato: giovedì 28 giugno 2012, 20:10 
Non connesso

Iscritto il: sabato 10 luglio 2010, 21:29
Messaggi: 284
marco_58 ha scritto:
Con i motori in CC pilotati elettronicamente l'eccitazione separata è di fatto imprescindibile, poi può essere fissa o variabile.

Beh, esistono le 724/582, dove l'eccitazione è in serie e fissa, esiste solo un resistore per lo shuntaggio campi. C'è da dire, almeno per le ale724, che funzionando a frequenza fissa, necessitano dell'inserzione di un resistore (RT2) che viene escluso non appena la VM arriva a circa 500V, tramite contattore.


Top
 Profilo  
 
 Oggetto del messaggio: Re: Tecnica: Motore a corrente mista?
MessaggioInviato: venerdì 29 giugno 2012, 8:50 
Non connesso

Iscritto il: venerdì 30 aprile 2010, 14:41
Messaggi: 71
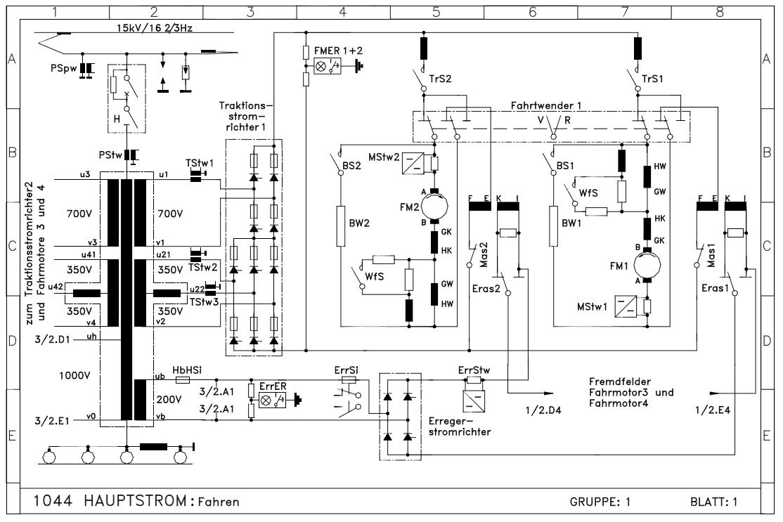
Schema del circuito di trazione di una 1044 (sono riportati solo due motori, gli altri due sono disposti simmetricamentre sull'altro lato).

Per facilitare le cose:

Bremsschutz = contattore di frenatura
Bremswiderstand = reostato di frenatura
Erregerabschalter = sezionatore dell'eccitatore
Erreger-Erdrelais = relé di messa a terra dell'eccitatore
Erregersicherung = fusibile dell'eccitatore
Erregerstromrichter = convertitore dell'eccitatore
Erreger-, Motor-, Primarstrom-, Traktionstromwandler = trasformatore di corrente dell'eccitatore, del motore, primaria, di trazione
Fahrmotor = motore
Farhmotor-Erdrelais = relé di messa a terra del motore
fahrtwender = invertitore
Hauptschalter = interruttore generale
Hilfsbetriebehauptsicherung = fusibile principale degli ausiliari
Motorabschalter = sezionatore del motore
Primarspannungwandler = convertitore di tensione primaria
Traktionstromrichter = convertitore di trazione
Trennschutz = contattore di trazione
Wendefeldschutz = contattore del campo di inversione

Non essendo un'esperto di elettrotecnica le traduzioni saranno approssimative...

Luca


Allegati:
Schema-trazione-1044-legenda.JPG
Schema-trazione-1044-legenda.JPG [ 47.67 KiB | Osservato 10276 volte ]
Schema-trazione-1044.JPG
Schema-trazione-1044.JPG [ 116.93 KiB | Osservato 10276 volte ]
Top
 Profilo  
 
 Oggetto del messaggio: Re: Tecnica: Motore a corrente mista?
MessaggioInviato: venerdì 29 giugno 2012, 14:18 
Non connesso

Iscritto il: domenica 15 luglio 2007, 9:46
Messaggi: 6836
Località: Regione FVG
Possiamo dare un punto fermo, i motori sono ad eccitazione separata: c'è un ponte semi-controllato, in basso nello schema, proprio per l'eccitazione (in tedesco Erreger Stromrichter)
Lo strano raddrizzatore principale probabilmente serve a sopprimere meglio le ondulazioni della bassa frequenza, sembrano due ponti in cascata e uno ha una presa centrale, tutti su avvolgimenti distinti del trasformatore. Forse la strana architettura potrebbe anche servire a gestire meglio i bassi regimi abbassando la tensione (mezzo avvolgimento) senza ricorrere a commutazioni meccaniche: basta far condurre i tiristori necessari, mentre per la corrente di ritorno bastano diodi semplici.

Se per ogni componente indicato nello schema ce ne sono fisicamente di più in parallelo, non deve sorprendere: oltre al possibile caso di equipaggiamenti ridondati, la tecnica di allora (il concetto è del 1974) poteva non permettere forti correnti con piccole dimensioni.


Top
 Profilo  
 
 Oggetto del messaggio: Re: Tecnica: Motore a corrente mista?
MessaggioInviato: venerdì 29 giugno 2012, 17:03 
Non connesso

Iscritto il: domenica 14 marzo 2010, 21:37
Messaggi: 1990
Località: Faenza
Un' osservazione che non aggiunge molto :

questo è un possibile schema di utilizzo dei secondari e dei raddrizzatori :

Allegato:
1044 parzializzatori a tiristori.JPG
1044 parzializzatori a tiristori.JPG [ 85.83 KiB | Osservato 10248 volte ]


naturalmente sono possibili anche altre combinazioni, ma sostanzialmente mi pare abbia 4 combinazioni di marcia.
Ognuna delle quali regolabile proporzionalmente da un minimo ad un massimo.

La tensione esce dai ponti sempre con la medesima polarità.
Il Fahrtwender è l' inversore di marcia. Uguale a quello che molti di noi usano nel plastico.


Stefano Minghetti

corretto aggiungendo il segno ":" perchè la prima riga non sembrasse riferita all' intervento precedente il mio


Ultima modifica di ste.klausen21 il venerdì 29 giugno 2012, 23:19, modificato 1 volta in totale.

Top
 Profilo  
 
 Oggetto del messaggio: Re: Tecnica: Motore a corrente mista?
MessaggioInviato: venerdì 29 giugno 2012, 20:55 
Non connesso

Iscritto il: sabato 10 luglio 2010, 21:29
Messaggi: 284
Si Stefano, sembra proprio così. Quello che mi lascia perplesso è il fatto che ci siano due bobine di campo, una alimentata in serie con l'indotto e l'altra alimentata dal proprio convertitore e l'inversione viene effettuata invertendo il senso della corrente all'indotto. Perchè questa doppia eccitazione?


Top
 Profilo  
 
 Oggetto del messaggio: Re: Tecnica: Motore a corrente mista?
MessaggioInviato: venerdì 29 giugno 2012, 23:15 
Non connesso

Iscritto il: domenica 14 marzo 2010, 21:37
Messaggi: 1990
Località: Faenza
sincrono ha scritto:
... che ci siano due bobine di campo ...

Giusta osservazione, non lo avevo notato.
Mi pare che questo schema abbia molte possibilità.

E' ad eccitazione composita (tipo E424 005), con una parte in serie ed una indipendente.

Deduco che gli avvolgimenti abbiano le seguenti funzioni :

K-I : eccitazione separata
F-E : eccitazione serie
GK-HK avvolgimento di compensazione
GW-HW avvolgimento di compensazione
gli ultimi due potrebbero essere sui poli ausiliari

Abbiamo anche :
Erregerstromrichter che Google traduce come convertitore di eccitazione
E' un convertitore che genera una corrente variabile che percorre, in serie, gli avvolgimenti di tutti e 4 i motori.

Wfs : contattore che varia la corrente all' avvolgiemento ausiliario senza nome.
Quello senza nome potrebbe essere un avvolgimento di compensazione che "sposta" il campo magnetico fra trazione e frenatura

Osservando il circuito si vedono le seguenti possibilità :
- marcia con eccitazione composta (serie + indipendente)
- marcia con eccitazione serie (Eras2 commutato), anche se credo che questa possibilità non sia utilizzata
- frenatura reostatica (TrS2 aperto o Mas2 aperto, BS2 chiuso, BW2 = reostato di frenatura)
- annullamento slittamento (Mas2 aperto, Eras2 commutato)

Quest' ultimo caso è un poco delicato, perchè è sede di fenomeni transitori non trascurabili.
Infatti F-E e K-I sono avvolti sullo stesso circuito magnetico e quindi, anche se la cosa non è cercata, si comportano come un trasformatore, a causa della mutua induttanza.
Ne consegue che una variazione di corrente su uno di essi provoca una tensione ai suoi capi, ed anche ai capi dell' altro, in proporzione al rapporto spire.
Quindi, al verificarsi dello slittamento, non si può semplicemente aprire Mas2, perchè la transizione della corrente provocherebbe un transitorio di tensione su K-I (per mutua induttanza), causando una perturbazione sulla serie degli avvolgimenti di eccitazione indipendente.
Tale perturbazione si manifesterebbe come una variazione di corrente di eccitazione che provocherebbe una variazione di coppia sugli altri motori e potrebbe essere in grado di provocare un "buco" nella forza di trazione o uno strattone.
Per evitare questo, credo che venga prima commutato Eras2 e, dopo qualche decimo di secondo, Mas2.
Così facendo, il transitorio del circuito magnetico e dell' induttanza dell' avvolgimento di campo del motore interessato non si propaga agli altri motori.
La resistenza in parallelo a K-I è di valore relativamente elevato, e su di essa, normalmente, scorre pochissima corrente.
Durante il transitorio, però, quando la tensione si alza, essa assorbe energia, smorzando l' eventuale sovratensione e dando alla corrente induttiva un percorso di chiusura.

Un po' complicato vero ?

Allegato:
1044 trazione e frenatura.JPG
1044 trazione e frenatura.JPG [ 62.97 KiB | Osservato 10228 volte ]


Stefano Minghetti


Top
 Profilo  
 
Visualizza ultimi messaggi:  Ordina per  
Apri un nuovo argomento Rispondi all’argomento  [ 24 messaggi ]  Vai alla pagina 1, 2  Prossimo

Tutti gli orari sono UTC + 1 ora [ ora legale ]


Chi c’è in linea

Visitano il forum: Nessuno e 25 ospiti


Non puoi aprire nuovi argomenti
Non puoi rispondere negli argomenti
Non puoi modificare i tuoi messaggi
Non puoi cancellare i tuoi messaggi
Non puoi inviare allegati

Cerca per:
Vai a:  
banner_piko

Duegi Editrice - Via Stazione 10, 35031 Abano Terme (PD). Italy - Tel. 049.711.363 - Fax 049.862.60.77 - duegi@duegieditrice.it - shop@duegieditrice.it
Direttore editoriale: Luigi Cantamessa - Amministratore unico: Federico Mogioni - Direttore responsabile: Pietro Fattori.
Registro Operatori della Comunicazione n° 37957. Partita iva IT 05448560283 Tutti i diritti riservati Duegi Editrice Srl