Oggi è domenica 22 marzo 2026, 18:40

Tutti gli orari sono UTC + 1 ora [ ora legale ]




Apri un nuovo argomento Rispondi all’argomento  [ 3 messaggi ] 
Autore Messaggio
 Oggetto del messaggio: Il circuito di comando della locomotiva E 656
MessaggioInviato: domenica 24 aprile 2011, 1:55 
Non connesso

Iscritto il: mercoledì 8 dicembre 2010, 19:16
Messaggi: 508
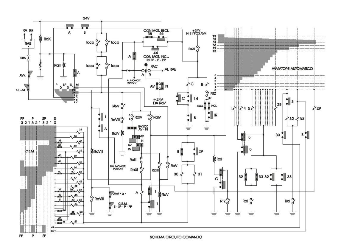
Dato che ho notato interesse per i circuiti di comando delle macchine, ecco qualcosa che può interessare.
Nella descrizione, sono presenti dei termini che possono sembrare difficili; se avete da chiedere fate pure, almeno faremo modo di allargare questo thread con più argomenti possibili!!!

Saluti, Andrea.
Allegato:
Schema E656 CAD.jpg
Schema E656 CAD.jpg [ 124.92 KiB | Osservato 3712 volte ]

Nella descrizione appaiono spesso dei numeri tra parentesi (esempio: Da chiuso (5-1) mantiene alimentato........ Da aperto (6-8) porta un segnale al ........... ; quelli sono i contatti del relè e per riferimento ho allegato il disegno quì sotto.
Allegato:
Relè F.S. CAD.jpg
Relè F.S. CAD.jpg [ 28.45 KiB | Osservato 3709 volte ]





Funzioni dei relè

RTN - RELÈ TENSIONE ( parte 24 Volt).

Si chiude con pantografi alti quando la tensione di linea è superiore a 1800 V (Alimentazione: dal c.c. - Terra: su RT chiuso).
FUNZIONI:
1) Impedisce l’inserzione della loc. se manca tensione.
2) Se la loc. è inserita, all’abbassamento dei pantografi o quando la tensione scende al di sotto di1800 V esso si apre, determinando:
a) La disinserzione del CT (apertura del relè RTZ) e la retrocessione dell’avviatore, permettendone la reinserzione solo col reostato incluso.
b) La disinserzione del REC e dei MA, permettendone la successiva reinserzione solo con la regolaresuccessione temporizzata dei carichi.
3) Con i con. 8-6 consente la chiusura di RTZ anche con gli interruttori trolley disinseriti (cioè pantografi bassi), per l’effettuazione della prova a vuoto.

RTR - RELÈ TROLLEY.

Si chiude azionando uno degli interruttori Trolley T1 T2 (in chiusura).
FUNZIONI:
1) Aprendosi (qualora venissero abbassati i trolley aprendo intempestivamente l’interruttore “Trolley” relativo oppure in caso di scatto di quest’ultimo per massa sull’ev.la trolley o sulla bobina di RTR stesso), determina la disinserzione automatica del C.T. (ap. RTZ), dei M.A. e del REC, evitando il distacco del pantografo dalla linea con i circuiti A.T. inseriti.
2) Subordina l’inserzione dei circuiti ad A.T. all’azionamento di un interruttore Trolley, cioèall’alzamento di un pantografo. Quindi se venisse azionato erroneamente l’alzamento di un pantografo con i circuiti AT chiusi, questi ultimi si disinseriscono istantaneamente.
3) Da aperto, con i contatti 6-8, onde consentire l’effettuazione della prova a vuoto anche con i pantografi bassi, determina la chiusura di RTZ, e l’alimentazione del punto H del RAE (simula un passaggio di corrente di 55 A nel C.T.).


RTZ - RELÈ TRAZIONE (o di scatto). (1° relè d’inserzione loc.va ).

FUNZIONI:
Con l’lR incluso:
Nei seguenti casi, aprendosi, determina la disinserzione automatica della loc. con successione di scatto (senza l’apertura dell’IR): AT dei M.A. o per massa al REC, si determina l’apertura di RTZ, il quale in questo caso aprendosi determina la successione di scatto a vuoto (che è un pò diversa, nei primi due gradini, di quella acarico).
a) Abbassamento della pressione in condotta generale al di sotto di 3,5 bar (ad es.: intervento RS; azionam. freno di emergenza; ecc.), che provoca l’apertura del pressostato “PSS”.
b) Mancanza o abbassamento sotto 1800 V della tensione di linea, (apertura del relè RTN).
c) Scatto o apertura intempestiva dell’interruttore-stotz del trolley in presa.
— Nel caso invece che si apra l’IR per anormalità sul circuito di forza, di quell’AT dei MA o per massa al REC, si determina l’apertura di RTZ, il quale in questo caso aprendosi determina la successione di scatto a vuoto (che è un po’ diversa, nei primi due gradini, di quella a carico).

Conl’lR escluso: Oltre ad assolvere alle stesse funzioni di quando l’IR è incluso (ved. sopra), esso ora ha anche la funzione importante di proteggere la loc. in caso di scatto di un relè di protezione del CT, provocando la disinserzione della loc. con successione di scatto automatica.

CONDIZIONI PER LA CHIUSURA
Circuito dl alimentazione: - Int. aut. circ. di comando chiusi. - Pulsanti di apertura IR (rossi) in posizione rilasciata (in fuori). - Contatti in continuità dei relè di protezione: RDG - RMx 1-2-3 - RMx 4-5-6 - RMx 7-8-9 - RMx10-11-12 - RMxG. - Relè RTR e RTN ambedue chiusi, (o ambedue aperti per l’effettuazione della prova a vuoto). - Pressione in condotta generale superiore a 4,5 bar (pressostato PSS chiuso).

Circ. di terra iniziale: - Relè Ra VIII aperto (contatti 7-5 Ra VIII ap.), (cioè maniglia d’inserz. In qualsiasi ZERO). - Avviatore a zero (contatti 50-51 Avv.). - CEM in posizione di Serie Zero, o in qualsiasi altra combinazione purché finita.
Terra di mantenimento: - Contatti 5-1 di RTZ chiuso. - Spazzoline 6-8 dell ‘E.I.R. in posizione di IR incluso. - Blocco IR ch. (2) IR chiuso. - Cont. 8-6 Ra VI aperto. Escludendo l’IR il circuito di alimentazione non varia, (ma ora la bobina di RTZ viene a trovarsi direttamente in serie ai piattellini dei relè di protezione del CT); quello di terra viene commutato sulle spazzoline 6-5 EIR.
Mancata chiusura di RTZ: Se viene accertata la mancata chiusura di RTZ (in tal caso la loc. non va
in trazione, ved. punto 9), ad evitare perditempo per le ricerche e solo per giungere a termine corsa, è possibile bloccarlo chiuso, a condizione che l’IR sia regolarmente incluso ed efficiente. Tenere presente che in tal caso dovrà essere disinserita manualmente la loc. nei casi descritti allo scopo con l’IR incluso.
Esempio di disinserzione automatica del CT con successione di scatto: (Loc. inserita in PP):
1 ¨ Apertura RTZ
2 ¨ contattori B (*) e 29
3 ¨ contattore C
4 ¨ relè RaI
5 ¨ contattori 32 e 33
6 ¨ contattori 5 ÷ 28
7 ¨ contattori 1-2-3-4
8 ¨ A-30-31-34÷37-39-41-43÷46 (disinserz. Ioc.).
9 ¨ relè RR (ed eventualmente RA) e retrocessione AVV.
(*) L’apertura del cont. B, tramite il suo blocco Bap-5 determina la chiusura dei cont. 30 e 31 se lo scatto avviene durante l’esclusione reostatica in SP, P o PP.

RaI - RELÈ AUSILIARIO. (relè da 30 A).

Circ. di alimentazione: - Stotz avviatore. - Contatti 5-1 di Ra IV chiuso. (Si chiude perciò quando si inserisce la loc., in seguito alla chiusura di Ra IV e con il consenso di RTZ chiuso).
Circ. di terra iniziale: - Bl. C ap. Cont. 6-2 di RTZ chiuso - Terra.
Circ. di terra successivo: - Bl. C chiuso. - Terra.

FUNZIONI:
1) In seguito all’apertura di RTZ (nei casi previsti - ved. in proposito lo funzioni di RTZ), esso si apre consentendo la prosecuzione della successione di scatto (ved. 4° gradino di successione); solo da chiuso infatti, alcune ev.le dei contattori del reostato vi trovano continuità di terra (cont. 5 ÷ 28-32 33).
2) Da aperto (loc. disinserita) determina l’accensione della BARRA o DUE Punti (nella stessa finestrella delle lettere di combinaz.).
3) Chiudendosi (quando si inserisce la loc.), determina lo spegnimento della BARRA o DUE Punti, (confermando così la regolare chiusura dei relè RTZ, RaVIII e RaIV).

Mancata chiusura del relè RaI:
Tale relè è possibile bloccarlo chiuso, alle seguenti condizioni e con le seguenti conseguenze: a) L’IR deve essere regolarmente incluso e efficiente.
b) All’apertura di RTZ è impedita la completa disinserzione automatica della loc. con successione di scatto, pertanto in tal caso occorre disinserire la loc. portando la maniglia a zero.
c) La BARRA o DUE PUNTI sarà sempre spenta.


Ra II - RELÈ AUTOMATISMO SHUNT.

Si chiude al termine dell’esclusione reostatica di ogni combinazione e sta chiuso anche durante le transizioni (31'-32'-TS), alimentato dalla spazz. 14 Avv., con terra diretta.
FUNZIONI:
1) Da chiuso permette l’effettuazione degli shunt (1-S).
2) Aprendosi (6-8 dopo la transizione) determina la retrocessione automatica dei due CIC al PC,nel caso non fossero già stati riportati manualmente prima di effettuare la transizione (6-8). Può essere bloccato chiuso.-Ricordarsi di togliere sempre gli Shunt col pomello in quanto è annullata la funzione 2.

Ra III - PRIMO RELÈ PER L’AVANZAMENTO COMANDATO.

Si chiude:
a) Portando la maniglia da 0 a M (alimentazione: sp. 1 banco - Bl A ap. 5 lungo.
b) Azionando il pomello PAC in R (per determinare la retrocessione comandata dell’avviatore).
c) Con il RAE escluso, portando la maniglia in S-SP-P-PP (alimentazione: sp. 6 banco - 1/b CRA comm. - Bl A ap. 5 lungo. Terra: - diretta.
Si apre:
a) In seguito alla chiusura del contattore A nell’avanzamento comandato (perdita del blocco A ap. 5 lungo).
b) Portando la maniglia da M a S, nell’avanzamento automatico, (per disalimentazione della spazz. 1 del banco).

FUNZIONE PRINCIPALE:
Chiudendosi, (portando la maniglia in M, oppure in S con RAE escluso), rnantiene aperto il contattore A, impedendo l’inserzione della loc., fino a che il Macch. non decide quale tipo di manovra vuole eseguire (azionamento del pomello oppure maniglia S), in modo che se sceglie la manovra comandata è più consapevole di far seguire alla I pomellata le successive per l’esclusione del reostato (che non avverrebbero automaticamente).
FUNZIONI SPECIFICHE:
1) Chiudendosi (5-1) dà una prima alimentazione al relè Ra V ed al pomello AC, per consentireaziona mento della manovra comandata.
2) Aprendosi (5-7 portando la maniglia da M a S per l’avanzamento comandato), determina lachiusura del c. A inserendo subito la loc. in trazione.
3) Aprendosi (come sopra), determina inoltre l’apertura del relè Ra V (il quale invia un segnale al RAE per l’avanzamento automatico dell’avviatore).
4) Nell’avanzamento comandato, aprendosi, (5-7), realizza la continuità permanente al c. A (che si è chiuso da poco), per sostituirsi al blocco A ap. 3 corto, che è venuto a mancare.
5) Con il RAE escluso, chiudendosi, quando si porta il pomello in R, determina la retrocessione dell’avviatore.
6) Aprendosi, interrompe la prima alimentaz. al relè Ra V ed al pomello PAC, ma essi rimangono ugualmente autoalimentati dal Ra V stesso (5-1).
Tale relè non necessiterà mai di bloccarlo chiuso, poichè la sua funzione principale la assolve da aperto (cont. 5-7) per l’a limentazione dell’ev.la del c. A.

Ra IV - TERZO RELÈ PER L’INSERZIONE DELLA LOCOMOTIVA. (relè da 30 A).

Alimentazione:
- Stotz <Avviatore chiuso.
- Contatti 6-2 di Ra IVI chiuso.
Terra: Diretta.
Si chiude perciò portando la maniglia da zero a M oppure reinserendo la loc. dallo zero intermedio in seguito alla chiusura del Ra VIII.

FUNZIONI:
Da chiuso predispone i circuiti riguardanti le ev.le di comando dei contattori di inserzione loc. (A-30-31 e quelli di combinazione). Inoltre predisponel’esclusione del reostato (alimentazione piastra avviatore e relè RaI). Da aperto predispone l’alimentazione ai relè ml-m2-m3, per consentire la retrocessione automatica del C.E.M., nel caso che il rotabile prosegua la marcia per inerzia (e diminuisca la velocità), con la maniglia in uno ZERO intermedio.

FUNZIONI SPECIFICHE (in chiusura):
1) Con i contatti 5-1 alimenta la piastra del CEM (spazz. 26), e quindi le ev.le dei contattori C.M. di combinazione motori.
2) Con i cont. 5-1 invia un segnale al morsetto H del RAE, (solo quando la velocità è superiore a 25 Km/h - 6-2 RSV 25), in modo da realizzare comunque l’avanzamento continuo dell’avviatore.
3) Con i cont. 5-1, alimenta la piastra delI’avv. (sp. 16 ÷ 18).
4) Sempre con i cont. 5-1, determina l’alim. delle ev.le dei contattori 30-31 (bl B ap.); e l’alimentazione della bobina di Ra I.
5) Con i contatti 6-2, attraverso i contatti della manovella di inversione del banco (AV o IN), determina la rotazione dei CIN (CIN-A e CIN-B), (eccitando l’ev.la della marcia voluta e nel caso che essi fossero stati disposti per l’altro senso di marcia), quindi predispone il circuito di alimentazione mprincipale del contattore A, (con il consenso dei due CIN regolarmente disposti), fino al punto 5 del Ra m ch.
6) Tramite le spazzoline 2-3 del banco (sempre dai contatti 6-2 di Ra IV chiuso), alimenta il punto K (oppure M) del RAE per l’inserimento del potenziometro relativo alla cabina di guida abilitata.

FUNZIONI SPECIFICHE (in apertura):
1) Determina la diserzione del CT della loc. (apertura dei contattori: A-30-31 e degli altri della combinaz. motori).
2) tramite i contatti 5-7, attraverso i RSV35-RSV60-RSV80 aperti, e chiusura dei microrelè mlm2 o m3, determina la retrocessione automatica del CEM in combunazione inferiore (a seconda della velocità), qualora il treno deceleri, mantenendo la loc. disinserita nello zero intermedio.
3) Tramite i cont. 6-8, alimenta il punto H del RAE per frenare (tramite la rialimentazione di RA), il movimento dell’avv. nel caso che in retrocessione, giunto a zero, esso non si fermi esattamente a zero, superando tale posizione per inerzia, o per non esatta posizionatura a zero. 4) Tramite i cont. 6- 8 alimenta il dispositivo di esclusione motori (Puls. EM).

Mancata Chiusura del relè Ra IV:
Tale relè eccezionalmente e solo in via provvisoria, se l’IR è efficente, potrà essere bloccato chiuso a condizione che il Macch. si ricordi scrupolosamente la sequenza giusta delle operazioni e le cautele indicate al richiamo (2), dell’avaria «Mancata inserzione in trazione della loc. e che ripetiamo anche qui di seguito: Modalità ed avvertenze da tenere presenti quando si rende necessario bloccare chiuso il relè Ra n (oppure il relè Ra VIII):
a) L’IR deve essere incluso ed efficiente.
b) Se fermi, frenare la loc. con il moderabile.
c) prima di bloccare chiuso il relè, mettere la maniglia d’inversione marcia in centro (A ZERO).
d) bloccare chiuso il relè (Ra IV o R VIII).
e) Fare attenzione perché la loc. andrà in trazione appena si sposta la maniglia d’inversione per il senso voluto.
f) dopo di ciò, per escludere il reostato, portare subito la man. d’inserzione in S. g) per disinserire la loc., è necessario portare sempre la maniglia d’inserzione nello zero finale. Dopo che sicuramente l’avviatore è tornato a zero, portare la man. d’inversione rnaraa AL CENTRO. (Il solo cont.re A apre il circuito di forza).
i) Se dovesse aprirsi l’IR (o RTZ),.per chiudalo occorre che il relè Ra VIII nel momento della chiusura dell’IR, sia aperto. I) Non è più efficente il controllo automatico dell’inserzione della loc. con avv. a zero; Pertanto prima di reinserire la loc. accertarsi che l’avviatore sia a zero.
h) Quando si deve disinserire la loc., fare attenzione a non portare la maniglia d’inversione al centro prima che l’avv. sia a zero (spegnimento della cifra 4), altrimenti si potrebbe danneggiare il c. A
Inoltre attenzione a non portare assolutamente la man. inversione di marcia in senso inverso (oltre il centro).

Ra V - SECONDO RELÈ PER L’AVANZAMENTO COMANDATO

Alimentazione:
- 6-2 Ra IV chiuso.
- blocchi sull’invertitore del banco.
- blocchi sui CIN regolarmente disposti.
- 5-1 Ra III chiuso.
Terra: Diretta.
Si chiude portando la maniglia in M a seguito della chiusura del Ra III. (Con la man. in M esso sta sempre chiuso, anche quando Ra III si apre, perchè si autoblocca con i contatti 5-1. Si aprirà quando si sposta la maniglia da M).

FUNZIONI:
1) Chiudendosi, disalimenta il punto R del RAE, impedendo l’avanzamento utomatico dell’avviatore.
2) Da chiuso (con il RAE incluso) alimenta il punto X del RAE, per il consenso all’avanzamento comandato dell’avviatore (6-2 + spazz. 12-11 CEM + spazz. 6-7 avv. + X-RAE).
3) Da chiuso (5-1) mantiene alimentato il pomello PAC e se stesso, anche quando aprirà Ra III. 4) Da aperto (6-8) porta un segnale al punto R del RAE, onde consentire l’avanzamento automatico dell’avviatore. Tale rele, anche se non viene utilizzata la manovra comandata col PAC, non deve mai essere tolto, perchè così facendo il RAE non consentirebbe nè la manovra automatica nè quella comandata.

Ra VI - RELÈ D’INSERZIONE IR (e segnalazione scatto).

Si chiude quando si preme un pulsante di <Riass. e chiusura IR», se esistono le condizioni sottoindicate:
Circuito di alimentazione:
a) Se si chiude l’IR dalla cab. A: - Int. Aut. ¨circ. di com.> ambedue chiusi. - Pulsante ¨Apert. IRsdella cab. A rilasciato. - Pulsante sChius. IR} della cab. A, premuto. Blocco IR ap. (6) e fficente.
b) Se si chiude l’IR dalla cab. B: - Int. Aut. ¨circ. di com.> ambedue chiusi. - Pulsante ¨Apereara IRscab. A rilasciato. - Pulsante ¨Apertura IRo cab. B rilasciato. - Pulsante ¨Chius. IRs di cab. B premuto.- Blocco IR ap. (6) efficente.
Circuito di terra:
- Cont. 7-5 di Ra VIII aperto (man. di inserzione in qualsiasi zero). - Spazz. 50-51 avv. a zero.
- Spazz. 20-19 CEM in pos. finita (cioè sulla finestrella dovrà esserci una delle lettere luminose: S, SP, PP).

FUNZIONI:
1) Chiudendosi, diseccita i relè segnalazione scatto, spegnendo l’eventuale L. Spia, (nel caso fosse intervenuto uno dei relè di protezione della loc.).
2) Da chiuso mantiene alimentata l’ev.la di chiusura IR e se stesso (autoblocco) con un’altra alimentazione proveniente da monte del bl. IR ap. (6), shuntandolo, in modo da dare tempo all’IR di completare le fasi della sua chiusura anche dopo la perdita del bl. IR ap (6), che viene a mancare
quasi subito.
3) Da aperto (8-6) ripristina il circ. di terra ai relè segnalaz. scatto e relative L. Spia rivelatrici dello scatto relè di protez. loc.
4) Chiudendosi interrompe il circ. di terra per l’avviamento dei gr. MA (e lo mantiene interrotto fino a che viene mantenuto premuto il puls. ch. IR) allo funzioni di evitare che, prolungadosi tale azionamento per la chius. deli’IR, abbia inizio la sequenza dell’avviamento dei gruppi e che, quindi, quando avviene la chiusura elettrica dell’IR venga alimentato il motore dei MA con il cont. CER già chiuso, il che provocherebbe l’intervento degli organi di protezione per superamento della corrente di spunto. Il bl. IR ch-2, unico consenso previsto in origine sul circ. di terra inserzione MA, non era sufficiente allo funzioni poichè com’è noto i blocchi sull’IR (ch) si attivano quando ancora l’IR non è chiuso in AT, per cui è nata la necessità di inserire il presente ¨bloccos sul Ra VI, in serie al bl. IR ch-2. L’anormalità in questione tuttavia, potrà manifestarsi solo se inavvertitamente venisse chiuso l’IR con l’interruttore inserz. MA attivato.
Tale relè non deve essere tolto, poichè in tal caso si annullerebbe la funzione 3.

Ra VII - RELÈ INTERVENTO ANTISLITTANTE (AS). (ved. nota “AS”)[/b]

FUNZIONI:
Tale relè (la cui funzione risulta valida solo con il RAE e l’avv. regolarmente inclusi) normalmente sta aperto e con i contatti 6-8 invia un segnale al punto N del RAE per il consenso all’avanzamento dell’avv. (alim. per RA e RR).
Si chiude invece in seguito all’intervento del disp. AS, quando uno o più assi slittano, disalimentando il punto N del RAE e determinando la retrocessione dell’avviatore e quindi la reinclusione di una parte del reostato (o di tutto). Da chiuso (5-1) provoca inoltre l’azionamento delle sabbiere anter. senso di marcia (semprechè lo stotz «TS», posto in cabina di guida n. 1, sia chiuso). Tale relè si riaprirà poi col cessare dello slittamento, ripristinando le condizioni normali. (Relè da non togliere).

NOTA* «AS»:
L’A.S. Parizzi è costituito da una centralina di rilevamento ed elaborazione segnali ubicata in cab. 1. Detto dispositivo è collegato ai GEU calettati su ogni asse; la tensione generata dai suddetti GEU serve corne segnale di rilevarnento giri anorrnali delle ruote. Pertanto quando le sei tensioni, messe a confronto con continuità durante la rnarcia dalla centralina, sono identiche (o quasi), il positivo del relè Ra VII è a tensione zero per cui rirnane aperto. L’A.S. viene inserito con la chiusura dello Stotz Antislittante posto in cab. 1. Detta chiusura è segnalata dall’accensione della Lamp. spia VERDE posta a destra delle sei lampadine di segnalazione slittamento in ogni cabina di guida. La prova dell’A.S. si può fare eseguendo la prova a vuoto del circuito di comando e quindi premendo il pulsante ROSSO sulls centrale Parizzi (in cabina 1) Durante l’avanzamento dell’avviatore. se l’A.S. funziona dovrà avvenire:
- La retrocessione dell’avviatore, che cesserà quando si rilascia il pulsante.
- L’attivazione delle sabbiere senso marcia.
- L’attivazione dell’avvisatore acustico.
- L’accensione delle Lamp. Spia .1 ÷ 6. sulla centralina.
Il pulsante esistente sulla destra delle sei lampade di segnalazione slittamento nelle cabine di guida (nel quale è incorporata la lampada Verde) serve per verificare l’efficienza delle lampade stesse. Sono avvenuti diversi casi di segnalazione di slittamento simulato dell’A.S. in seguito a penetrazione di acqua o neve nei GEU od in seguito ad altra avaria. In tal caso per proseguire il servizio occorre aprire lo Stotz Antislittante e stare attenti a rilevare nel modo tradizionale eventuali veri slittamenti degli assi, per disinserire prontamente la Loc.


[b]Ra VIII - 2°-RELÈ PER L’INSERZIONE DELLA LOC.


FUNZIONI:
1) Impedisce la chiusura dell’IR e del relè RTZ se la maniglia di inserzione non è a zero. Vincola cioèla chiusura dell’IR (dal banco), e di RTZ, allo stato di «banco a zero» e di «loc. disinserita» (Ra VIII aperto).
2) Successivamente, quando la man. d’inserzione verrà portata da zero in posiz. di trazione (0 fin. « M, oppure 0 int. « in traz.), impedisce l’inserzione in trazione della loc. se l’avv. non è a zero ed il CEM in una posizione finita. Vincola cioè l’inserzione del CT della loc. alla posizione di «reostato inserito» (avv. a zero) e «motori di trazione regolarmente disposti> in una qualsiasi combinazione. (CEM in posizione finita).

ALIMENTAZIONE: Principale:
Dalla spazz. 2 del banco (in M-S-SP-P-PP). In parallelo alla suddetta alimentazione ne subentra ,un’altra (proveniente dal circuito di alim. del c. A), attraverso i blocc. A ch. e 1 ch. in serie fra loro. In tal modo la loc. rimarrà inserita finchè l’avv. non retrocede a zero, (apertura cont.re 1) in tutte le
Disinserzioni.
Terra iniziale: - Spazz. 50-51 avv. a zero. - Spazz. 20-19 CEM in posiz. finita.
Di mantenimento: Appena si chiude si autoblocca sui suoi contatti 5-1 a terra diretta.
Pertanto le condizioni affinchè Ra VIII possa chiudersi (e quindi inserirsi la loc.) sono le seguenti: - Man d’inserzione in M-S-SP-P-PP.
- Avv. a zero.
- CEM in posiz. 0/serie (o quello dell’altra combinazione finita).

FUNZIONI SPECIFICHE - In chiusura:
1) Con i contatti 6-2 determina la chiusura del Ra IV e quindi l’inserzione della loc.
2) Si autoblocca a terra (5-1), altrimenti si aprirebbe appena inizia a ruotare l’avviatore.
3) Interrompe il circuito di terra inziale al relè RTZ impedendo (in caso di scatto) il riassetto di RTZ stesso prima di aver riportata la maniglia d’inserz. a zero (Ra VIII aperto), poichè infatti tale relè protegge anche la loc. in caso di esclusione dell’IR (ved. funzioni di RTZ).

FUNZIONI SPECIFICHE - In apertura:
1) Determina l’apertura del relè Ra IV e quindi la disinserzione del C.T.
2) Con i contatti 5-7 stabilisce la cont. di terra al relè Ra VI, all’ev.la di chiusura dell’IR ed al relè RTZ, in modo da vincolare la chiusura dell’IR e del RTZ alla maniglia d’inserzione a zero.
Mancata chiusura di Ra VIII : Impedisce l’inserzione della loc.In casi eccezionali e solo in via provvisoria, se 1’IR è funzionante, il Ra VIII si può bloccare chiuso a condizione che il p.d.m. si ricordi scrupolosamente di attuare le cautele già indicate per il Ra IV bloccato chiuso. Naturalmente, però, prima di attuare tale soluzione, accertarsi che l’avviatore sia a zero ed il CEM in posizione 0/Serie, inoltre provare a sostituirlo con il relè di scorta, oppure con Ra IX o Ra X nel caso che RAE sia regolannente funzionante

Ra IX - PRIMO RELÈ PER IL COMANDO DELL’AVVIATORE CON RAE ESCLUSO. (È attivo solo con il RAE escluso).

FUNZIONI:
Hanno la funzione di comandare la chiusura e l’apertura del relè RA, a due condizioni: Impedire che l’avviatore avanzi anche mantenendo sempre il pomello PAC in A (per mezzo dell’autoblocco - dal PAC in A - per la chiusura di Ra IX), in modo da non poter fare più di una tacca per volta. Determinare il posizionamento dell’avviatore nella tacca precisa, poichè il RA verrà diseccitato (dall’apertura
di Ra X) soltanto quando si disalimenta la spazz. 4, quando perde il dente del pettine.

FUNZIONI DETTAGLIATE:
Ra IX:
Si chiude tutte le volte che si chiude Ra X (dalla 1à tacca avv. in poi), ad ogni pomellata in A, passando da una
posizione all’altra dell’avviatore (dente del pettine e sp. 4), e si apre quando si riporta il pomello PAC al centro, e
comunque quando cessa l’alimentazione in uscita dal MONOSTABILE (MN)
Alimentazione: - Sp. 6-5 avv. (Avv. oltre la posiz. zero). - 6 del CRA commutato. - 6-8 Ra III aperto. - 5-1 Ra X chiuso.
Terra: diretta. Una volta che Ra IX si è chiuso, si autoblocca (con alirnentazione diretta dal MONOSTABILE), attraverso i contatti 5-1 e 6-2. (Alimentazione: PAC in A-MN-bl. 29 ap. 3 CRA cornmutato. I1 Ra IX pertanto rirnane chiuso anche se si riapre Ra X, in modo che esso si riapra (consentendo l’alim. primaria a RA) soltanto dopo aver riportato il PAC al centro, in modo da poter fare una posizione per volta.

FUNZIONI:
Da aperto consente l’alimentazione a RA (alim. primaria) quando il Macch. porta il PAC in A (dalla 2^ pomellata in poi). (alirnentazione primaria: - PAC in A - MONOSTAB. - bl. 29 ap. -8 CRA commutato - 4 - RA). Quando sale la sp. 4 sul dente del pettine si chiude Ra X, il quale fa chiudere Ra IX (che interrompe l’alimentazione primaria a RA), ma RA rimane ugualmente chiuso perche riceve un’alimentazione secondaria da: 6-2 di RA X chiuso (per la posizione finita).

Ra X - SECONDO RELÈ PER IL COMANDO DELL’AVVIATORE CON RAE ESCLUSO. (È attivo solo con il RAE escluso).

Si chiude e si riapre tutte le volte che, pomellando, la spazz. 4 sale e ridiscende dal dente dd pettine, fra una posizione e l’altra dell’avviatore.
Alimentazione:
Detto relè è anche alirnentato attraverso la seguente via secondaria: spazz. 6-7 avv.; bl. Cch. - 23 ch - 25 ap. (o 26 ch. o 28 ap.). Tale alimentazione consente di mantenere chiuso il relè RA e far avanzare ugualmente l’avviatore (anche rilasciando il PAC al centro), a completamento della tacca con posizionamento sicuro per il successivo avanzamento. Alimentazione normale: - spazz. 4 avv. (dal dente del pettine). - - mors. 4 del CRA commutato. Terra: diretta.
FUNZIONI:
1) Da chiuso, attraverso i contatti 5-1, dà una prima alirnentazione al relè Ra IX (il quale chiudendosi interrompe l’alimentazione «primaria» a RA), ma quest’ultimo rimane chiuso perchè alimentato direttamente (alimentaz. secondaria) attraverso i cont. 6-2 di Ra X (Da: sp. 1 avv. a zero - d10 - 6-2 Ra X chiuso - oppure dalla sp. 5 avv. dalla I^ posizione in poi 6 CRA commutato - 6-8 Ra III ap. - 6-2 Ra X chiuso - 8 CRA commutato - RA), in modo da consentire la posizione finita dell’avviatore (poichè esso pertanto si fermerà solo quando si riapre Ra X in seguito alla disalirnetazione della sp. 4 dell’Avv.).
2) Aprendosi i contatti 5-1(quando la sp. 4 scende dal dente del pettine), toglie la prima alim. al relè Ra IX, ma quest’ultimo rimane chiuso (impedendo l’alim. primaria a RA) dall’autoblocco dal pomello in A, in modo che l’avv. si fermi anche se si mantiene il PAC in A.
3) Aprendosi i contatti 6-2 determina l’interr. dell’alim. «secondaria» a RA, perciò, dato che quella «primaria» I’aveva già persa alla chiusura del Ra IX, l’avviatore si ferma e si posiziona.

Relè Ra XI - 3° relè per l’avanzamento comandato

Sta chiuso: con alimentazione dallo Stotz ¨AVVIATOREo e con terra diretta, con la maniglia in posizione zero.
Si apre:
a) Con la maniglia in «M>, essendo i punti 4 e 3 equipotenziali, allo funzioni di impedire la I^ chiusura del cont. A e quindi l’indebita inserzione della locomotiva, in posizione «M», nel caso di mancata chiusura del Ra III, consentendo cioè il consenso di alimentazione al cont. A (5-1) solo con la maniglia in «S» (disalim. sp. 1 e conseguente chiusura del Ra XI) oppure a seguito della la pomellata col PAC (perdita blocco A ap (5) e conseguente chiusura del Ra XI).

b) Con la maniglia in «M>, a seguito del posizionamento del PAC in ¨Rs (equipontenz. punti 4 e 3) allo funzioni di concorrerefint. 6-2), insieme al R.A.E. (oppure insieme alla chiusura di Ra SII, con il R.A.E. escluso) all’apertura del relè RR e quindi alla retrocessione dell’avviatore.

c) Si chiude: portando la maniglia d’inserzione da «M» ad «S» e successive (disalimentazione della spazz. 1 del banco), oppure - con la maniglia in «M» - a seguito della la pomellata col PAC [perdita del bl. A ap (5)] consentendo l’alimentazione all’ev.la cont. A ed al relè RR. In definitiva il Ra XI, con il monostabile, ha una funzione di massima sicurezza: - perchè la sicurezza che la loc. non si inserisce con la maniglia in «M» (o in «S», con il R.A.E. escluso) era affidata ad un relè che deve eccitarsi (Ra III), mentre ora è sicuramente realizzata anche in caso di mancata chiusura del Ra III perchè per alimentare l’ev.la del cont. A è necessaria anche la chiusura del Ra XI (cont. 5-1). - perchè la retrocessione dell’avviatore durante la manovra comandata era affidata alla chiusura del Ra III mentre con la modifica anche se non si chiudesse detto relè la retrocessione è in ogni caso assicurata poichè il pomello PAC in «R» provoca anche l’apertura del Ra XI, che attraverso i cont. 6-8 interrompe in ogni caso l’alimentazione al relè RR.

Ra XII - RELÈ DI CONTROLLO VELOCITA DI ROTAZIONE DELL’AVVIATORE

Prima di descrivere tale relè, si indicano quali e quante sono le velocità di rotazione alle quali può funzionare l’avviatore:
1) Rotazione rapida (non stabilizzata). (*) Essa si ha:
a) Con la loc. in trazione, durante l’esclusione graduale del reostato, nelle combinazioni di S, SP e P (oppure in S e SP con terna di mot. esclusa), solo nelle reinserzioni a vel. superiore a 80 Km/h, e fino alla 26a posiz. avv.
b) Durante tutte le retrocessioni dell’avv. (dalla 31à alla 5à posiz.). Durante tale fase è esclusa anche
la resistenza da 3,3 ohm.

2) Rotazione normale (stabilizzata). Si ha in tutti gli altri casi, e cioè:
a) In PP, sempre (escluso ovviamente per la retrocessione dalla 31^ alla 5^ posizione, come detto al precedente punto 1 b).
b) Dalla 27a tacca in poi, fino-alla 31a.
c) Dalla 31a a 32a a TS (eccitaz. Ra XII).
d) Durante l’esclusione graduale del reostato, a vel. inferiore a 80 Km/h, nelle combinaz. di S-SP e P. 3)

Retrocessione rallentata (non stabilizzata; inserzione resistenza da 3,3 ohm).
a) Si ha durante la retrocessione dell’avv. (con l’IR regolarmente chiuso), dalla 5^ posiz. avv. a zero (inserzione della resistenza da 3,3 ohm sul campo del motorino).
b) Si ha inoltre da 0 a TS a 32^ a 31^ dell’avv. (cioè nelle fasi di esclusione istantanea del reostato dopo le transizioni inverse).

Circ. di alimentazione di Ra XII: - spaz.. 14 avv. in 31a-32a-TS.
Terra: Diretta.

FUNZIONI:
a) Sta chiuso in posizionc 31^-32^-TS dell’avv., impedendo lo shuntaggio dello stabilizzatore avv., riducendo quindi la velocità di rotazione dell’avv. dalla 31^ alla 32^ a TS, affinchè il reostato venga incluso non troppo bruscamente ed anche perchè se ne permetta il sicuro posizionamento dell’avv. stesso in posizione «TS».

b) Attraverso i contatti 6-2 collega il circ. di alim. del cont. A con le ev.le dei cont. B e C vedi rich. (=).

c) Da aperto determina lo scavalcamento dello stabilizzatore dell’avv. (facendolo avanzare più velocemente) in tutte le esclusioni reostatiche a vel. sup. a 80 Km/h (tranne che in PP), fino a quando il c. 27 è aperto (da zero alla 27' tacca), fermo restando l’inserzione in trazione della loc. (cioè: chiusura del c. 38 in S e SP; del c. 40 in S; del c. 47 in P; e del c. 50 con la terra 10-1 1-12 esclusa).

(*) ln caso di scatto dell’lR, ad evitare che l’inclusione della resistenza da 3,3 Ohm sul circ. del carnpo del motorino avv. (che generalmente assolve alla funzione di rallentare la rotazione dell’avv. dalla 5 posizione a zero) determini l’arresto interrapestivo dell’avv. stesso prima che raggiunga lo
zero, (con l’IR aperto, le batterie possono trovarsi in scarica), tale resistenza viene shuntata dal blocco IR ap. (8), (e spazz. 17-16 EIR incluso).


(=)11 circuito di origine prevedeva l’alimentaz. dell’ev.le cont. B e C durante la rotaz. dell’avv. Dalla 31^ alla 32^ fino a TS (spazz. 15). Tale circuito presentava l’inconveniente che nonostante l’eventuale scatto dello Stotz «Avviatore» la piastra dell’avviatore rimaneva alimentata attraverso: sp. 5 banco; bl. Ach - Bch; sp. 15 avv. Questo nel caso che lo stotz «Avviatore» fosse scattato con l’avv. in 31^, 32^ o TS.

Rcm - RELÈ-COMMUTAZIONE CONTATTI DEL CEM. Relè tipo OK Ubicato nel corridoioe con contatti non accessibili al p.d.m.).

È stato introdotto per indisponibilità di spazio sul tamburo del CEM. In tal modo vengono utilizzate delle spazzoline per più combinazioni diverse. Sta chiuso solo durante la taransizione diretta da SP a P.
Alimentazione: maniglia da SP a P. sp. 8 banco (in P) - sp. 9-8 CEM (in SP). - sp. 9-10 avv. (in 31^).
Terra: sp. 17-19 CEM (in SP).

FUNZIONI:
1) Chiudendosi (solo da SP a P) commuta l’alimentazione al relè RAcm, da 6-5 CEM, anzichè da 4-5.
2) Da chiuso si autoalimenta (da 12-11 avv. in TS).
3) Si autoblocca sulla terra (deve infatti stare chiuso per tutta la durata della transizione da SP a P )
Si apre: Appena l’avv. lascia la posizione TS (scende la sp. 11), rispristinando la via iniziale (sp. 4- 5 CEM) per l’alimentaz. a RAcm nelle transizioni da P a PP e da S a SP.


RTI - RELÈ PER LE TRANSIZIONI INVERSE. (Relè tipo OK - con contatti non accessibili al p.d.m. ed ubicato sulla fiancata dell’avv.).

Si chiude: in seguito alla chiusura dei microrelè m5 e m4 (dopo che l’avv. è retrocesso a zero), durante tutte le transizioni inverse.

FUNZIONI
La sua chiusura (int. R2-M2), essendo il c.8 chiuso, determina l’apertura del relè RR, e poichè RA è già aperto, si manifesta la retrocessione dell’avv. (da 0-TS-32^-31^), per l’esclusione istantanea del reostato. Il campo del motorino (dato che con l’avv. a zero la spazz. 3 è fuori) viene alimentato (senso Mb-Ma) direttamente dai contatti M4-M3/T4-T3 di RTI chiuso. Con ciò si vuol evitare che l’avv. non riprenda a ruotare in avanti (0-1-2...31) ma si porti invece in 31^ retrocedendo.
Si apre: Al termine della fase di transizione inversa, dopo che l’avv. è giunto in 31^ posiz. (0-TS- 32^-31^), perchè scendono le spazz. 52-53 avv.

ml-m2-m3 - MICRORELÈ PER LA RETROCESSIONE DEL CEM

Essi si chiudono in due condizioni diverse:

a) Portando la maniglia d’inserzione nella combinazione inferiore (chiusura: m3, da PP a P m2, da P a SP - ml, da SP a S).
Circuito di alimentazione:
- spazz. 11-10 e 10-11 dei banchi di manovra, per la ch. di m3.
- spazz. 13-12 e 12-13 dei banchi di manovra, per la chiusura di m2.
- spazz. 15-14 e 14-15, per ml. Terra: - ‘6-13 CEM, per m3.
- 15-13 CEM, per m2. - 14-13 CEM, per ml .

b) Diseccitazione di un relè del S.V., viaggiando con la loc. disinserita nello zero intermedio, quando la vel. scende al disotto di:
- 80 Km/h: apertura di RSV80 e chiusura di m3 (il CEM retrocede da PP a P).
- 60 Km/h: apertura di RSV60 e chiusura di m2 (il CEM retrocede da P a SP).
- 35 Krn/h: apertura di RSV35 e chiusura di ml (il CEM retrocede da SP a S).

Circuito di alimentazione:
- 5-7 Ra IV aperto.
- 5-7 del relativo RSV ap.

FUNZIONI:
Eccitandosi, si autobloccano attraverso i propri contatti 7-8 (dallo Stotz «Avv.»), in modo che se anche il Macch. decidesse interrapestivamente di spostare la maniglia in una nuova combinazione, l’informazione ricevuta precedenterraente, determini in ogni caso il completamento della transizione prima comandata. Chiudendosi (13-14) alimenta i relè RAcm e RRcm (attraverso il puls. EM rilasciato) per la retrocessione del CEM nella combinazione inferiore. Dagli stessi cont. 13-14 viene alimentato il relè m4. Aprendosi, quando il CEM ha terminato la transizione inversa, si disalimenta la spazz. interessata (14-15 o 16), diseccitando RAcm e RRcm, fermando il CEM stesso. Il microrelè ¨ml} serve inoltre a far retrocedere il CEM nella posizione inziale di Serie (ZERO/SERIE con i motori inclusi o con ogni terna esclusa) nel caso che, premendo il pulsante «EM» per l’esclusione di una terna, lo rilasciassimo un pò prima o dopo la posizione iniziale suddetta. Con il CEM oltre lo zero infatti il relè ml è chiuso alimentazione: 12-13 avv. a zero - 15-14 e 14- 15 dei banchi - relè ml.
Terra: su 14-13 CEM oltre lo zero/serie); pertanto rilasciando il pulsante EM si eccitano ambedue i relè RAcm e RRcrn (alimentati da 13-14 di ml chiuso), quindi il CEM retrocede, fino a quando scendono le spazz. 14-13 del CEM, e cioè solo in ogni posizione di SERIE/ZERO.

RA - RELÈ AVANZAMENTO AVVIATORE. (relè da 30 A).
RR - RELÈ RETROCESSIONE AVVIATORE. (relè da 30 A).


La loro posizionc reciproca determina l’alimentazione o meno degli elettromagneti di sensibilità (ES) e di frizione (EF) e del campo del motorino (in un senso o nell’altro), affinchè avvenga la rotazione dell’avviatore per l’esclusione o l’inclusione del reostato a seconda del senso (Senso antiorario: avanzamento. per l’esclusione del reostato; Senso orario: retrocessione, per l’inclusione del reostato).
Schema di riferimento:
RA chiuso - RR indifferente = L’AVVIATORE AVANZA (antiorario).
RA aperto - RR chiuso = L’AVVIATORE STA FERMO.
RA e RR ambedue aperti = L’AVVIATORE RETROCEDE (orario).
Si ricorda che la vel. di rotazione dell’avv. generalmente (con batteria in carica) è più elevata quando nel circuito di alimentazione del campo del motorino non vi è inserito lo stabilizzatore, secondo quanto già detto nello funzioni del relè Ra XII.
Alimentazione: Con il RAE incluso tali relè sono pilotati (li alimenta o meno) dal RAE stesso:
- dal punto L: - uscita per l’alim. a RA.
- dal punto F: - uscita per l’alim. a RR+6-2/Ra XI ch.
Con il RAE escluso essi sono comandati tramite i relè Ra IX e RA X e attraverso i contatti 6-8 del relè Ra III aperto e 6-2 di Ra XI chiuso.
Terra: Diretta, attraverso RTI aperto, oppure sul blocco B ap.

RAcm - RELÈ AVANZAMENTO CEM. (relè da 30 A).
RRcm - RELÈ RETROCESSIONE CEM. (relè da 30 A).


La loro posizione reciproca determina l’alimentazione o meno degli ES-EF e del campo del motorino del CEM (in un senso o nell’altro), per la rotazione del CEM stesso, secondo il seguente schema:
- RAcm chiuso - RRcm aperto = IL CEM AVANZA (senso antiorario).
- RAcm e RRcm arnbedue aperti = IL CEM STA FERMO.
- RAcm e RRcm ambedue chiusi = IL CEM RETROCEDE (orario).
La vel. di rotazione del CEM è sempre stabilizzata, sia in avanzamento che in retrocessione.

Circuito di alimentazione:
- dalla spazz. 5 del CEM (per le transizioni dirette).
- oppure in seguito alla chiusura dei microrelè m3-m2-ml (per le transizioni inverse, o retrocessione automatica del CEM con la locomotiva disinserita nello zero intermedio).
Terra: diretta.

FUNZIONI:
Detti relè oltrechè per effettuare le transizioni dirette ed inverse, servono anche per l’esclusione o la reinclusione di una terra. Infatti premendo il pulsante EM (posto in cabina di guida n. 1) si provoca la chiusura del rolè RAcm e pertanto il CEM avanza in senso antiorario. Premendo invece il -puls. «IM» il CEM ruota in senso inverso, tramite l’eccitazione di ambedue i relè RAcm e RRcrn.

m4-m5 - MICRORELÈ PER LE TRANSIZIONI INVERSE.

FUNZIONI:
La loro chiusura (che avviene dopo che l’avviatore è retrocesso a zero) determina la chiusura del relè RTI, per la retrocessione dell’avviatore (da 0-TS-32'-31'), DOPO CHE IL CEM HA EFFETTUATO LA TRANSIZIONE INVERSA. Essi si riaprono quando l’avviatore, terminata la fase di cui sopra (cioè: esclusione istantanea del reostato da 0-TS-32'-31^), è giunto in 31^ posizione, provocandone l’arresto in tale posizione.

m5 - Sta sempre chiuso (con la stessa alimentazione del relè Ra VIII) con l’avviatore nelle posizioni:
32^-TS^ (terra: sulle spazz. 52-53 avv. a zero). La sua chiusura determina la chiusura del m4. Quando si disinserisce la locomotiva (nello zero intermedio o nello zero finale), esso si disalimenta e, aprendosi, impedisce la chiusura di RTI e quindi impedisce che l’avviatore prosegua la retrocessione (in: TS-32^-31^), anzichè fermarsi a zero.

m4 - si chiude, alimentato dalla chiusura di uno dei tre microrelè ml, m2, m3 (cioè quello interessato alla transizione inversa comandata) (cont. 13 ÷ 16). Terra: su m5 chiuso. Appena l’m4 si è chiuso, si autoalimenta (dal c.c.) affinchè si completi la fase comandata. La chiusura determina quella del relè RTI (il quale provoca la retrocessione dell’avviatore - da 0-TS-32^-31^ - per l’esclusione istantanea del reostato.


Top
 Profilo  
 
 Oggetto del messaggio: Re: Il circuito di comando della locomotiva E 656
MessaggioInviato: martedì 26 aprile 2011, 6:40 
Non connesso

Iscritto il: lunedì 23 agosto 2010, 11:04
Messaggi: 31
Molto prezioso il circuito comando semplificato che non avevo; purtroppo non ho avuto modo di studiare queste macchine come si deve ma solo il minimo indispiensabile, in ogni caso grazie mille!
Nei prossimi giorni studierò con calma quanto scritto ed eventualmente scriverò qua sotto eventuali dubbi.
Per il momento grazie infinite!


Top
 Profilo  
 
 Oggetto del messaggio: Re: Il circuito di comando della locomotiva E 656
MessaggioInviato: giovedì 28 aprile 2011, 21:48 
Non connesso

Iscritto il: lunedì 30 gennaio 2006, 23:10
Messaggi: 385
Località: Contea di Hazzard
Spulciando per la rete ho trovato questo: http://www.dsea.unipi.it/Members/ceraol ... -veicolare


Top
 Profilo  
 
Visualizza ultimi messaggi:  Ordina per  
Apri un nuovo argomento Rispondi all’argomento  [ 3 messaggi ] 

Tutti gli orari sono UTC + 1 ora [ ora legale ]


Chi c’è in linea

Visitano il forum: Nessuno e 8 ospiti


Non puoi aprire nuovi argomenti
Non puoi rispondere negli argomenti
Non puoi modificare i tuoi messaggi
Non puoi cancellare i tuoi messaggi
Non puoi inviare allegati

Cerca per:
Vai a:  
banner_piko

Duegi Editrice - Via Stazione 10, 35031 Abano Terme (PD). Italy - Tel. 049.711.363 - Fax 049.862.60.77 - duegi@duegieditrice.it - shop@duegieditrice.it
Direttore editoriale: Luigi Cantamessa - Amministratore unico: Federico Mogioni - Direttore responsabile: Pietro Fattori.
Registro Operatori della Comunicazione n° 37957. Partita iva IT 05448560283 Tutti i diritti riservati Duegi Editrice Srl