Oggi è martedì 28 aprile 2026, 19:41

Tutti gli orari sono UTC + 1 ora [ ora legale ]




Apri un nuovo argomento Rispondi all’argomento  [ 956 messaggi ]  Vai alla pagina Precedente  1 ... 35, 36, 37, 38, 39, 40, 41 ... 64  Prossimo
Autore Messaggio
 Oggetto del messaggio: Re: Gr 685 OS.KAR Finalmente in vendita
MessaggioInviato: mercoledì 12 dicembre 2012, 17:43 
Non connesso

Iscritto il: venerdì 25 aprile 2008, 12:15
Messaggi: 1897
mdp ha scritto:
Quando fai queste prove "tecniche", prendi in considerazione anche il fatto che le due loco potrebbero avere caratteristiche elettriche diverse che fanno andare più corrente ad una rispetto all'altra?
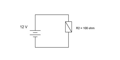
Ti prego di osservare il semplicissimo circuitino della figura seguente:
Allegato:
DueR.jpg
DueR.jpg [ 13.66 KiB | Osservato 2778 volte ]
Supponenedo che l'alimentazione sia stabile al variare del carico sapresti dirmi la tensione e la corrente in R2?

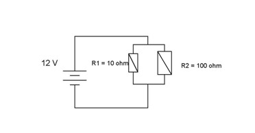
Poi osserva quest'altro:
Allegato:
UnaR.jpg
UnaR.jpg [ 12.07 KiB | Osservato 2778 volte ]
e ricalcola tensione e corrente il R2.
Tra il primo e il secondo schema sono diverse? Due loco sullo stesso binario sotto lo stesso alimentatore le schematizzeresti in maniera diversa?
Ad ogni modo le cronometro anche una per una.


Top
 Profilo  
 
 Oggetto del messaggio: Re: Gr 685 OS.KAR Finalmente in vendita
MessaggioInviato: mercoledì 12 dicembre 2012, 18:27 
Non connesso

Iscritto il: martedì 20 novembre 2012, 18:39
Messaggi: 27
Mi scusi signor 471, sarò neofita ma non tanto stupido, ma il ragionamento che fa lei non serve a niente, io non credo che tutte le macchine della sua collezione vadano alla stessa velocità in scala, avranno rapporti di trasmissione diversi, anche se prodotte dalla stessa casa. Lei fa tanto rumore per nulla. Mi scusi, non voglio offendere nessuno, ma basta avere il digitale per avere una regolazione di carico personalizzata per ogni macchina. Io, ce l' ho il plastico, lo divido col mio papà.
A me sembra che lei voglia far rumore per forza e stia qui solo a polemizzare.
CM


Top
 Profilo  
 
 Oggetto del messaggio: Re: Gr 685 OS.KAR Finalmente in vendita
MessaggioInviato: mercoledì 12 dicembre 2012, 18:30 
Non connesso

Iscritto il: domenica 2 aprile 2006, 9:16
Messaggi: 2844
Località: Nato a Firenze 25/01/1962 - Vive tra Toscana e Marche
cloudemarc ha scritto:
......................A me sembra che lei voglia far rumore per forza e stia qui solo a polemizzare.
CM


Attento, attento !!!!!! Gr471 è un ottimo fermodellista (lo scrivo senza sarcasmo) ma non ci andare a discutere perchè cambi hobby ...... :mrgreen: :mrgreen:


Top
 Profilo  
 
 Oggetto del messaggio: Re: Gr 685 OS.KAR Finalmente in vendita
MessaggioInviato: mercoledì 12 dicembre 2012, 19:42 
Non connesso

Iscritto il: giovedì 12 gennaio 2006, 0:15
Messaggi: 2311
Riccardo Alberoni ha scritto:
.... non direi che i gruppi cilindri fossero tutti uguali.

Anzi, il gruppo 680/681/682>685 è molto eterogeneo.
Alcune immagini tratte da "Locomotive a Vapore FS - Cornolò" (se commetto qualche reato, prima di mandarmi la Bocassini, cancellate il post) ed un simpatico "albero genealogico" del gruppo 685 "figlio" del ex gruppo 680

....e se mi vai a prendere macchine col motore a doppia espansione (680, 681, 682) ovvio che sono diverse....ma le 685 erano a SEMPLICE espansione, ed il motore era uguale per tutte, almeno nel blocco, che io sappia anche per le trasformate da altri gruppi (Caprotti a parte ovviamente)....


Ultima modifica di Gabriele il mercoledì 12 dicembre 2012, 22:46, modificato 2 volte in totale.

Top
 Profilo  
 
 Oggetto del messaggio: Re: Gr 685 OS.KAR Finalmente in vendita
MessaggioInviato: mercoledì 12 dicembre 2012, 20:16 
Non connesso

Iscritto il: martedì 20 novembre 2012, 18:39
Messaggi: 27
Riccardo Alberoni ha scritto:
cloudemarc ha scritto:
......................A me sembra che lei voglia far rumore per forza e stia qui solo a polemizzare.
CM


Attento, attento !!!!!! Gr471 è un ottimo fermodellista (lo scrivo senza sarcasmo) ma non ci andare a discutere perchè cambi hobby ...... :mrgreen: :mrgreen:

Sarà come dice lei, signor Riccardo, a proposito, complimenti per il suo plastico, ma a me fa passare la voglia di leggere il forum.
CM


Top
 Profilo  
 
 Oggetto del messaggio: Re: Gr 685 OS.KAR Finalmente in vendita
MessaggioInviato: mercoledì 12 dicembre 2012, 20:27 
Non connesso

Nome: carlo borra
Iscritto il: giovedì 12 gennaio 2006, 17:38
Messaggi: 1378
Stasera ho ripetuto il confronto fra Gr685 e Gr625 facendole viaggiare una alla volta e non in tandem.
Applicando 10 volt la differenza di prestazioni e' attorno al 10% a favore della Gr685 (ma la 625 e' ben rodata quindi il divario doevrebbe crescere nel tempo).

Carlo


Top
 Profilo  
 
 Oggetto del messaggio: Re: Gr 685 OS.KAR Finalmente in vendita
MessaggioInviato: mercoledì 12 dicembre 2012, 20:30 
Non connesso

Nome: Maurizio Bellesia
Iscritto il: sabato 14 gennaio 2006, 18:05
Messaggi: 1494
Località: MATVTIA
cloudemarc ha scritto:
Riccardo Alberoni ha scritto:
cloudemarc ha scritto:
......................A me sembra che lei voglia far rumore per forza e stia qui solo a polemizzare.
CM


Attento, attento !!!!!! Gr471 è un ottimo fermodellista (lo scrivo senza sarcasmo) ma non ci andare a discutere perchè cambi hobby ...... :mrgreen: :mrgreen:

Sarà come dice lei, signor Riccardo, a proposito, complimenti per il suo plastico, ma a me fa passare la voglia di leggere il forum.
CM


... E te credo!!!
:lol: :lol: :lol:

Quando comincerò il mio plastico in soffitta l'anno prossimo (i muratori vengono in Gennaio ad unire le mie due soffittine) mi sa che mi "vedrete" più poco....
Avrò poco tempo...fra il libro ed il resto....

Ciao

Maurizio


Top
 Profilo  
 
 Oggetto del messaggio: Re: Gr 685 OS.KAR Finalmente in vendita
MessaggioInviato: mercoledì 12 dicembre 2012, 20:30 
Non connesso

Iscritto il: venerdì 25 aprile 2008, 12:15
Messaggi: 1897
mdp ha scritto:
Quando fai queste prove "tecniche", prendi in considerazione anche il fatto che le due loco potrebbero avere caratteristiche elettriche diverse che fanno andare più corrente ad una rispetto all'altra?
Super ingegnere elettrico, aspetto la tua risposta.
cloudemarc ha scritto:
...io non credo che tutte le macchine della sua collezione vadano alla stessa velocità in scala ...
Le mie macchine sviluppano tutte, con la dovuta approssimazione, la corretta velocità in scala; fanno eccezione, fra le puù importanti, la Gr685 Os.Kar, il D214 Roco, i Tigre Lima - Rivarossi e l'E402B.
Quest'ultimo che, rapportata al vero, sviluppa una velocità di 130 - 140 km/h, nonostante il digitale, come fai a farlo andare a 220 km/h?
Riccardo Alberoni ha scritto:
Attento, attento !!!!!! Gr471 è un ottimo fermodellista (lo scrivo senza sarcasmo) ma non ci andare a discutere perchè cambi hobby ...... :mrgreen: :mrgreen:
Poi ti pago da bere.


Top
 Profilo  
 
 Oggetto del messaggio: Re: Gr 685 OS.KAR Finalmente in vendita
MessaggioInviato: mercoledì 12 dicembre 2012, 22:11 
Non connesso

Iscritto il: martedì 20 novembre 2012, 18:39
Messaggi: 27
Signor gr471, allora come fa con le eccezioni? Le rivende? O le fa girare su una pista apposita?
CM


Top
 Profilo  
 
 Oggetto del messaggio: Re: Gr 685 OS.KAR Finalmente in vendita
MessaggioInviato: mercoledì 12 dicembre 2012, 22:38 
Non connesso

Iscritto il: mercoledì 6 gennaio 2010, 15:52
Messaggi: 4718
Località: Mi
Perr quanto riguarda i respingenti , la Os.Kar ha preferito non fissarli troppo per far si che con urti causati dal trasporto non si spezzassero.

Poi del resto la macchina ha parecchie parti molto fine e delicate , e di certo i corrieri come tutti ben sappiamo non sono così delicati nel prendere ed appoggiare i pacchi ...sopratutto in questo periodo.

Silver


Top
 Profilo  
 
 Oggetto del messaggio: Re: Gr 685 OS.KAR Finalmente in vendita
MessaggioInviato: mercoledì 12 dicembre 2012, 23:01 
Non connesso

Iscritto il: lunedì 28 marzo 2011, 14:49
Messaggi: 1613
Località: sassari
che argomenti futili e inutili !!!

molte volte mi fate passare la voglia di fare il fermodellista e di passare a fare altri hobby ....

sara' che ce sempre polemica e divario fra le marche citate ...... ma non ci dormite la sera ???

di tutti i modelli che ho non mi interessa se vanno a 150/300 km/h ... l importante e' che funzionino ..

e poi ' il vero modellista non mandera mai a tutta velocita' una macchina che per qualsiasi motivo potrebbe sviare o ribaltarsi con
la conseguente rovina del modello ...e smadonnamenti vari ....

mahhh se vi piace ,io la penso cosi se poi non vi piace di certo io stanotte dormiro tranquillo .....e senza pensare alle velocita' ...

rittornando a bomba a me mi piaciono entrambi !!! non ho peli sulla lingua se non vi piaciono me le potete anche regalare !!! :mrgreen:


Top
 Profilo  
 
 Oggetto del messaggio: Re: Gr 685 OS.KAR Finalmente in vendita
MessaggioInviato: giovedì 13 dicembre 2012, 8:14 
Non connesso

Iscritto il: venerdì 25 aprile 2008, 12:15
Messaggi: 1897
gavino 633 ha scritto:
... l importante e' che funzionino ...
Che equivale a Eppur si muove, parole famose del celeberrimo Gavino.
Vero che ognuno ha i propri gusti: chi si accontenta del modello statico, chi del fatto che in qualche modo si muova, chi pretende una velocità in scala e chi lo vuol vedere sfrecciare a tutto gas come una formula 1.
Ma, al di là dei gusti personali, esiste una norma NEM sulla velocità: la 661 che, insieme alla 630 che stabilisce la tensione massima di alimentazione, definisce la relazione fra l'alimentazione elettrica e la velocità massima dei modelli di veicoli motori.
Io auspicherei che nelle confezioni o sugli stessi modelli venga impresso un simbolo che attesti la conformità a tutte le norme NEM.


Top
 Profilo  
 
 Oggetto del messaggio: Re: Gr 685 OS.KAR Finalmente in vendita
MessaggioInviato: giovedì 13 dicembre 2012, 14:06 
Non connesso

Iscritto il: venerdì 13 gennaio 2006, 20:13
Messaggi: 228
Località: Roma
tra il primo e il secondo schema sono diverse le correnti, neanche di poco.
ma data l'ipotesi, qual'è la tesi?
ciao
alb

Gr471 ha scritto:
mdp ha scritto:
Quando fai queste prove "tecniche", prendi in considerazione anche il fatto che le due loco potrebbero avere caratteristiche elettriche diverse che fanno andare più corrente ad una rispetto all'altra?
Ti prego di osservare il semplicissimo circuitino della figura seguente:
Allegato:
DueR.jpg
Supponenedo che l'alimentazione sia stabile al variare del carico sapresti dirmi la tensione e la corrente in R2?

Poi osserva quest'altro:
Allegato:
UnaR.jpg
e ricalcola tensione e corrente il R2.
Tra il primo e il secondo schema sono diverse? Due loco sullo stesso binario sotto lo stesso alimentatore le schematizzeresti in maniera diversa?
Ad ogni modo le cronometro anche una per una.


Top
 Profilo  
 
 Oggetto del messaggio: Re: Gr 685 OS.KAR Finalmente in vendita
MessaggioInviato: giovedì 13 dicembre 2012, 14:45 
Non connesso

Iscritto il: venerdì 25 aprile 2008, 12:15
Messaggi: 1897
zug77 ha scritto:
tra il primo e il secondo schema sono diverse le correnti, neanche di poco.
ma data l'ipotesi, qual'è la tesi?
ciao
alb
Gr471 ha scritto:
cloudemarc ha scritto:
... ma lei le macchine le mette su tre binari paralleli e ci fa a gara?
Basta posarle sullo stesso binario, distanziarle di una trentina di centimetri e fornire corrente tramite lo stesso alimentatore: vedi subito quale va più veloce.

Gr471 ha scritto:
mdp ha scritto:
Quando fai queste prove "tecniche", prendi in considerazione anche il fatto che le due loco potrebbero avere caratteristiche elettriche diverse che fanno andare più corrente ad una rispetto all'altra?
Ti prego di osservare il semplicissimo circuitino della figura seguente ...

Ecco, Herr zugsiebenundsiebzig, è questa la tesi: si possono comparare le prestazioni di due loco posandole sullo tesso binario e asservite allo stesso alimentatore? Oppure, la contemporanea presenza di entrambe le fa influenzare l'una con l'altra?
Se nella resistenza R2 in entrambi gli schemi abbiamo la stessa tensione ai suoi capi e questa è attraversata dalla stessa corrente, vuol dire che la prova di cui sopra è attendibile.
Del resto più loco sullo stesso binario a sotto lo stesso alimentatore si trovano in parallelo fra loro.


Top
 Profilo  
 
 Oggetto del messaggio: Re: Gr 685 OS.KAR Finalmente in vendita
MessaggioInviato: venerdì 14 dicembre 2012, 9:20 
Non connesso

Iscritto il: mercoledì 25 gennaio 2006, 13:11
Messaggi: 324
Località: Savona
Devo purtroppo constatare un piccolo passo indietro rispetto alla qualità cui mi aveva abituato la ditta.
Mentre le 640(io e gli amici del mio gruppo ne abbiamo acquistate nove) e le 625 (acquistate sette) erano tutte perfette,le 685 ci hanno dato un po' di dispiaceri.
Acquistate quattro macchine,tutte con il respingente anteriore sinistro staccato e vagante per la scatola(ma questo è insignificante,lo si riattacca nel suo innesto),due con pezzi del telaio vagante,di cui una con un fanale non funzionante,e due con il fischio e la valvola a bilancia rotti.
Preciso che le locomotive mi sono state spedite dal rivenditore sigillate nel cartoncino Oskar contenente la coppia di macchine e quindi non vi è stato alcun intervento di terzi.
Ieri mi sono recato fisicamente dal rivenditore per effettuare il cambio macchine e, per trovarne tre a posto,ha dovuto spacchettarne sei.
Come ciliegina,mentre ieri sera sul plastico le testiamo,dopo due giri una perde il ribattino della tramissione e si sbiella.
Mi sembra rispetto alle produzioni precedenti,eccellenti,che qui si sia fatto un passo indietro sulla qualità,o ,quanto meno,questa spedizione ha subito uno "shakeramento" piuttosto consistente nel trasporto.
Mi auguro per le prossime uscite un ritorno all'eccellenza cui la Oskar ci aveva piacevolmente reso avvezzi.
Maurizio


Top
 Profilo  
 
Visualizza ultimi messaggi:  Ordina per  
Apri un nuovo argomento Rispondi all’argomento  [ 956 messaggi ]  Vai alla pagina Precedente  1 ... 35, 36, 37, 38, 39, 40, 41 ... 64  Prossimo

Tutti gli orari sono UTC + 1 ora [ ora legale ]


Chi c’è in linea

Visitano il forum: Baidu [Spider], Google [Bot] e 51 ospiti


Non puoi aprire nuovi argomenti
Non puoi rispondere negli argomenti
Non puoi modificare i tuoi messaggi
Non puoi cancellare i tuoi messaggi
Non puoi inviare allegati

Cerca per:
Vai a:  
banner_piko

Duegi Editrice - Via Stazione 10, 35031 Abano Terme (PD). Italy - Tel. 049.711.363 - Fax 049.862.60.77 - duegi@duegieditrice.it - shop@duegieditrice.it
Direttore editoriale: Luigi Cantamessa - Amministratore unico: Federico Mogioni - Direttore responsabile: Pietro Fattori.
Registro Operatori della Comunicazione n° 37957. Partita iva IT 05448560283 Tutti i diritti riservati Duegi Editrice Srl