Oggi è martedì 28 aprile 2026, 0:32

Tutti gli orari sono UTC + 1 ora [ ora legale ]




Apri un nuovo argomento Rispondi all’argomento  [ 14 messaggi ] 
Autore Messaggio
 Oggetto del messaggio: Aiuto per loco Trix art. 22117 Br 38
MessaggioInviato: martedì 26 novembre 2013, 15:25 
Non connesso

Iscritto il: lunedì 16 gennaio 2006, 17:07
Messaggi: 924
Località: Viareggio
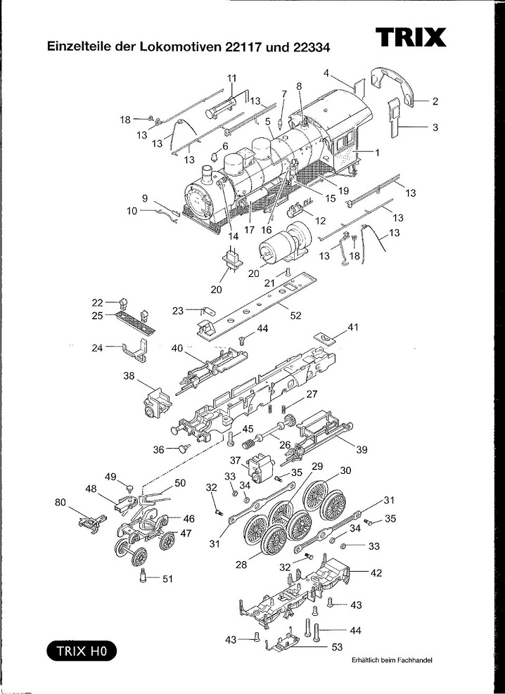
Sto cercando l'elenco delle parti di ricambio della Br 38 Trix art. 22117. Ringrazio anticipatamente chiunque possa farmi avere il foglietto con le parti di ricambio della loco in questione.
Carlo Pezzini.


Top
 Profilo  
 
 Oggetto del messaggio: Re: Aiuto per loco Trix art. 22117 Br 38
MessaggioInviato: martedì 26 novembre 2013, 15:36 
Non connesso

Nome: Paolo Bartolozzi
Iscritto il: venerdì 13 gennaio 2006, 15:34
Messaggi: 3397
Località: Dicomano (FI)
Hai cotto il motore anche te??

p.


Top
 Profilo  
 
 Oggetto del messaggio: Re: Aiuto per loco Trix art. 22117 Br 38
MessaggioInviato: martedì 26 novembre 2013, 16:26 
Non connesso

Iscritto il: martedì 27 giugno 2006, 17:48
Messaggi: 1777
Località: Granducato di Toscana
ce li ho giusto sotto mano , penso che paolo si riferisca a me :lol: :lol:
Giancarlo


Allegati:
trix.,jpg.jpg
trix.,jpg.jpg [ 101.06 KiB | Osservato 3928 volte ]
trix.-jpg.jpg
trix.-jpg.jpg [ 91.53 KiB | Osservato 3928 volte ]
trix.jpg
trix.jpg [ 167.28 KiB | Osservato 3928 volte ]
trix.,jpg.jpg
trix.,jpg.jpg [ 101.06 KiB | Osservato 3928 volte ]
Top
 Profilo  
 
 Oggetto del messaggio: Re: Aiuto per loco Trix art. 22117 Br 38
MessaggioInviato: martedì 26 novembre 2013, 16:41 
Non connesso

Iscritto il: martedì 27 giugno 2006, 17:48
Messaggi: 1777
Località: Granducato di Toscana
manca uno ,
Allegato:
trix 1jpg.jpg
trix 1jpg.jpg [ 158.29 KiB | Osservato 3921 volte ]


Questo invece è (era) il mio motore :evil: che stò sostituendo con quello di una macchinetta bancomat perché 95 euri più spese di spedizione col ca..o glieli do ,manca la faccina col gesto dell'ombrello :!: :!: .
dopo un normale rodaggio avrà camminato per 500 metri con tre centoporte ...
Giancarlo


Allegati:
PICT8755.JPG
PICT8755.JPG [ 89.91 KiB | Osservato 3918 volte ]


Ultima modifica di Libli II il martedì 26 novembre 2013, 16:51, modificato 1 volta in totale.
Top
 Profilo  
 
 Oggetto del messaggio: Re: Aiuto per loco Trix art. 22117 Br 38
MessaggioInviato: martedì 26 novembre 2013, 16:49 
Non connesso

Iscritto il: lunedì 16 gennaio 2006, 17:07
Messaggi: 924
Località: Viareggio
No Paolo, è per un mio amico che l'ha smontata per italianizzarla e nel frattempo ha cambiato casa, così ha perso un blocco cilindri.
Carlo Pezzini


Top
 Profilo  
 
 Oggetto del messaggio: Re: Aiuto per loco Trix art. 22117 Br 38
MessaggioInviato: martedì 26 novembre 2013, 16:51 
Non connesso

Iscritto il: lunedì 16 gennaio 2006, 17:07
Messaggi: 924
Località: Viareggio
Grazie Giancarlo, anche a nome del mio amico.
Carlo Pezzini


Top
 Profilo  
 
 Oggetto del messaggio: Re: Aiuto per loco Trix art. 22117 Br 38
MessaggioInviato: mercoledì 17 gennaio 2018, 14:22 
Non connesso

Nome: Alfredo Forte
Iscritto il: domenica 15 gennaio 2006, 17:54
Messaggi: 369
Località: Empoli - FI
Buongiorno a tutti , tiro su questo topic perchè sono stato anche io vittima di cottura !!!
La mia 675 / Trix 22334 , sempre tenuta in vetrina, questa volta ha deciso di non andare più . Motore completamente bloccato e non più disponibile come ricambio ...
Ma dico io , una loco che ha fatto davvero pochi metri che cuoce il motore ?? Qualcuno mi può dare una dritta ?
Grazie anticipatamente ...Saluti Freddy


Top
 Profilo  
 
 Oggetto del messaggio: Re: Aiuto per loco Trix art. 22117 Br 38
MessaggioInviato: mercoledì 17 gennaio 2018, 14:53 
Non connesso

Iscritto il: martedì 14 aprile 2015, 7:09
Messaggi: 447
Freddy ha scritto:
Buongiorno a tutti , tiro su questo topic perchè sono stato anche io vittima di cottura !!!
La mia 675 / Trix 22334 , sempre tenuta in vetrina, questa volta ha deciso di non andare più . Motore completamente bloccato e non più disponibile come ricambio ...
Ma dico io , una loco che ha fatto davvero pochi metri che cuoce il motore ?? Qualcuno mi può dare una dritta ?
Grazie anticipatamente ...Saluti Freddy


non è normale no e ti capisco perfettamente, mi successe una cosa simile con un vecchio Caimano RR utilizzato poco o nulla e rimasto fermo per parecchi anni, motore cotto senza un perchè.

Visto comunque che la 675 Trix pare affetta da questo problema, io la cambierei con quella Os.Kar e risolverei il problema. Vendi la tua come usato per ricambi, qualcosa ci ricavi sicuramente, ripararla ti costerebbe di più che ricomprarla nuova secondo me, e riprendere un altra Trix per avere poi lo stesso problema non è il massimo.


Top
 Profilo  
 
 Oggetto del messaggio: Loco trix 22117 Br 38
MessaggioInviato: mercoledì 17 gennaio 2018, 18:48 
Non connesso

Iscritto il: domenica 10 dicembre 2006, 15:15
Messaggi: 287
Località: Torino
Salve gente,
non ritengo che la sostituzione del modello Trix dal motore cotto con un modello Os Kar sia una cosa vantaggiosa.
I motori delle vaporiere della casa sassarese sono estremamente delicati anche se i modelli in sè sono dei capolavori, io consiglierei di adoperarsi per rimotorizzare la Trix con un motore più affidabile come d'altronde si deve fare con le Os Kar .
In rete si trovano molti articoli in merito e forese salterà fuori qualcosa anche per le macchine Trix
Saluti cotti
Topolox


Top
 Profilo  
 
 Oggetto del messaggio: Re: Aiuto per loco Trix art. 22117 Br 38
MessaggioInviato: mercoledì 17 gennaio 2018, 19:12 
Non connesso

Nome: Alfredo Forte
Iscritto il: domenica 15 gennaio 2006, 17:54
Messaggi: 369
Località: Empoli - FI
...grazie per le risposte .

Per la cronaca , questa è la risposta dal Service Maerklin :

Dear Mr. Forte,
we are sorry but this part is no longer available as a spare part. But if you like you can send your model to our repair station. They will look for a solution.
Gebr. Märklin & Cie GmbH
Reparaturservice
Stuttgarter Straße 55 – 57

73033 Göppingen
GermanySincerely yours,

Your Maerklin Customer Service

Frank Mayer


Top
 Profilo  
 
 Oggetto del messaggio: Re: Aiuto per loco Trix art. 22117 Br 38
MessaggioInviato: mercoledì 17 gennaio 2018, 19:20 
Non connesso

Iscritto il: giovedì 12 gennaio 2006, 15:53
Messaggi: 1044
Località: Citano' (MC)
Beh gia' che dicono che troveranno una soluzione :roll: lascia qualche speranza.


Top
 Profilo  
 
 Oggetto del messaggio: Re: Aiuto per loco Trix art. 22117 Br 38
MessaggioInviato: mercoledì 17 gennaio 2018, 21:23 
Non connesso

Nome: Alfredo Forte
Iscritto il: domenica 15 gennaio 2006, 17:54
Messaggi: 369
Località: Empoli - FI
Non penso convenga farla riparare da loro, secondo me costa un botto .mah...magari provo a chiedere un preventivo di spesa .


Top
 Profilo  
 
 Oggetto del messaggio: Re: Aiuto per loco Trix art. 22117 Br 38
MessaggioInviato: giovedì 18 gennaio 2018, 0:08 
Non connesso

Iscritto il: mercoledì 28 agosto 2013, 14:28
Messaggi: 1224
Località: Bologna
Problema dei Fahulaber.
Lo ho sostituito con un mashima ....
Segui le istruzioni x smontare la macchina con qualche foto al volo ( telefonino, Ipad ) poiché alloggiamento del motore in caldaia e cavetto con prese/distribuzione corrente sono insoliti.

Buon lavoro,
Andrea


Top
 Profilo  
 
 Oggetto del messaggio: Re: Aiuto per loco Trix art. 22117 Br 38
MessaggioInviato: giovedì 18 gennaio 2018, 7:43 
Non connesso

Iscritto il: sabato 14 gennaio 2006, 13:02
Messaggi: 2821
Località: ROMA
Sono finite le trix E Marklin di una volta.
Robaccia anche queste :cry:


Top
 Profilo  
 
Visualizza ultimi messaggi:  Ordina per  
Apri un nuovo argomento Rispondi all’argomento  [ 14 messaggi ] 

Tutti gli orari sono UTC + 1 ora [ ora legale ]


Chi c’è in linea

Visitano il forum: Nessuno e 58 ospiti


Non puoi aprire nuovi argomenti
Non puoi rispondere negli argomenti
Non puoi modificare i tuoi messaggi
Non puoi cancellare i tuoi messaggi
Non puoi inviare allegati

Cerca per:
Vai a:  
banner_piko

Duegi Editrice - Via Stazione 10, 35031 Abano Terme (PD). Italy - Tel. 049.711.363 - Fax 049.862.60.77 - duegi@duegieditrice.it - shop@duegieditrice.it
Direttore editoriale: Luigi Cantamessa - Amministratore unico: Federico Mogioni - Direttore responsabile: Pietro Fattori.
Registro Operatori della Comunicazione n° 37957. Partita iva IT 05448560283 Tutti i diritti riservati Duegi Editrice Srl