Oggi è lunedì 27 aprile 2026, 4:34

Tutti gli orari sono UTC + 1 ora [ ora legale ]




Apri un nuovo argomento Rispondi all’argomento  [ 40 messaggi ]  Vai alla pagina Precedente  1, 2, 3  Prossimo
Autore Messaggio
 Oggetto del messaggio: Re: Occupazione di binario a infrarossi
MessaggioInviato: mercoledì 28 maggio 2014, 22:02 
Non connesso

Iscritto il: domenica 25 marzo 2007, 13:23
Messaggi: 1182
Località: PISTOIA
Cita:
Descrizione:
Descrizione del modulo :
La luce modulo sensore è adattabile per l'ambiente , ha una coppia di trasmissione a infrarossi e tubo ricevente , tubo infrarosso emettono una certa frequenza , quando rileva direzione incontrano ostacoli ( superficie riflettente ) , riflessa tubo ricevente infrarossa , dopo la trasformazione circuito comparatore , spia verde si accende , alla stessa interfaccia di uscita segnale orario di segnale digitale in uscita ( un segnale di basso livello ) , può avvenire attraverso la manopola del potenziometro regolare la distanza di rilevamento , portata effettiva distanza di 2 ~ 30 centimetri , tensione di funzionamento è di 3,3 V a 5V . Il campo di rilevamento del sensore può essere attraverso il potenziometro per regolare e hanno piccole interferenze , facile da montare , facile da usare , ecc , può essere ampiamente usato in evitamento ostacolo robot , macchina evitare di ostacolo , conteggio delle righe , in bianco e nero line tracking e così in molte occasioni .

Modulo Parameter :
1 . Quando il modulo rileva ostacoli davanti del segnale , l'indicatore verde del livello di luce circuito e allo stesso tempo il segnale a basso livello di uscita porta OUT , ​​il modulo di rilevamento da 2 ~ 30cm, 35 ° Angolo di rilevamento , distanza di prova può essere regolata tramite il potenziometro , potenziometro in senso orario regolabile, distanza di rilevamento aumenta ; In senso antiorario sintonizzazione potenziometro , la distanza di rilevamento si riduce .
2 . Sensori, rilevamento riflessione infrarossi attivi , quindi la riflettività e la forma del bersaglio è la chiave del campo di rilevamento . Bianco un campo di rilevamento nero , massimo minimo; Piccola area della distanza dell'oggetto , grande distanza .
. 3 La porta di uscita OUT modulo sensore può essere collegato direttamente alla porta IO microcontrollore può , anche in grado di pilotare direttamente un relè 5v ; Modalità di connessione: il VCC - VCC ; GND - GND ; Il OUT - IO
. 4 Il comparatore USI LM393 , stabilità di funzionamento ;
5 . Può essere usato per 3 a 5V di corrente continua per modulo di alimentazione . Quando l'alimentazione, l'indicatore di accensione della luce rossa accesa ;
Fori 6 3 millimetri , facile fisso , installazione . ;
Formato 7 Circuito : . 3.2CM * 1.4CM
8 . Ogni modulo viene fornito già confronta tensione di soglia attraverso il potenziometro per regolare bene, le circostanze non particolari , non arbitrariamente regolare il potenziometro .

Specifica di interfaccia del modulo :
1 . Tensione VCC è 3.3V a 5V convertitore ( che può essere collegato direttamente a 5V single-chip microcontrollore e 3.3V )
2 . GND GND esterno
3 . OUT di interfaccia di uscita digitale piccola piastra ( 0 e 1 )


Top
 Profilo  
 
 Oggetto del messaggio: Re: Occupazione di binario a infrarossi
MessaggioInviato: mercoledì 28 maggio 2014, 22:05 
Non connesso

Nome: Mauro Menini
Iscritto il: venerdì 17 dicembre 2010, 13:58
Messaggi: 278
Località: Madrid (España)
Premetto che riporto le considerazioni di chi mastica elettronica; in attesa di ricevere l'oggetto (ordinato ieri) dalle spiegazioni sembra che possa avere una raggio di sensibilità tra 2 e 30 cm riflettendo su superfici piane a seconda della regolazione del trimmer in dotazione. Funziona con tensioni tra i 3 e i 5V e l'uscita dà un impulso di 5-10 mA. Ora questo impulso non è sufficiente a comandare un relè e serve quindi un circuito con transistor o integrato. Serve anche un regolatore di tensione in entrata per portare la tensione ai 3-5V. Dovendo rilevare il passaggio di un convoglio occorre settare la sensibilità sui 2-3 cm, altrimenti rischia di rilevare anche il passaggio sul binario opposto (in una doppia linea o in binari affiancati di una stazione nascosta). Di qui la probabile necessità di farlo funzionare alle tensioni più basse con la minor profondità di campo di rilevamento.
Chi volesse seguire gli sviluppi di quello che andrò a testare con l'aiuto di un elettronico esperto non appena arriverà il rilevatore può curiosare qui:

http://www.scalatt.it/forum/topic.asp?TOPIC_ID=10533


Top
 Profilo  
 
 Oggetto del messaggio: Re: Occupazione di binario a infrarossi
MessaggioInviato: mercoledì 28 maggio 2014, 22:18 
Non connesso

Iscritto il: domenica 25 marzo 2007, 13:23
Messaggi: 1182
Località: PISTOIA
forse può essere utile questo

http://www.ebay.it/itm/Modulo-scheda-rele-relay-relays-Arduino-250V-5V-10A-shield-/111239708337?pt=Componenti_elettronici_attivi&hash=item19e6673eb1


Allegati:
H0082_1-rid.JPG
H0082_1-rid.JPG [ 40.52 KiB | Osservato 7235 volte ]
Top
 Profilo  
 
 Oggetto del messaggio: Re: Occupazione di binario a infrarossi
MessaggioInviato: mercoledì 28 maggio 2014, 22:19 
Non connesso

Iscritto il: domenica 25 marzo 2007, 13:23
Messaggi: 1182
Località: PISTOIA
con questo

http://www.ebay.it/itm/301167390954?ssPageName=STRK:MEWNX:IT&_trksid=p3984.m1497.l2649


Allegati:
12 dc dc.JPG
12 dc dc.JPG [ 38.38 KiB | Osservato 7235 volte ]
Top
 Profilo  
 
 Oggetto del messaggio: Re: Occupazione di binario a infrarossi
MessaggioInviato: mercoledì 28 maggio 2014, 22:23 
Non connesso

Iscritto il: domenica 25 marzo 2007, 13:23
Messaggi: 1182
Località: PISTOIA
con meno di 10 Euro si risolve.

(il convertitore dc-dc, gestendo potenze più alte, potrà essere usato per più gruppi)


costa di più farsi il solo pcb in casa


Top
 Profilo  
 
 Oggetto del messaggio: Re: Occupazione di binario a infrarossi
MessaggioInviato: venerdì 30 maggio 2014, 20:58 
Non connesso

Iscritto il: domenica 25 marzo 2007, 13:23
Messaggi: 1182
Località: PISTOIA
oggi sono arrivati i relè, sia quelli singoli che quello con il circuito integrato.
Appena arriverà il fotoaccoppiatore, inizierò con le prove e vi terrò aggiornati.

Seguirò anche le prove di docdelburg, chissà se tra tutti non tireremo fuori qualcosa di buono.


Top
 Profilo  
 
 Oggetto del messaggio: Re: Occupazione di binario a infrarossi
MessaggioInviato: venerdì 30 maggio 2014, 21:11 
Non connesso

Iscritto il: giovedì 21 giugno 2012, 14:23
Messaggi: 3793
Località: Massa Finalese (MO)
Se scorrete l'indice di questa rivista americana on-line, c'è un articolo che fa al caso vostro (ovviamente è in inglese).

http://mrhpub.com/2014-05-may/land/

Non ho fatto in tempo a leggerlo tutto, forse può essere utile...


Top
 Profilo  
 
 Oggetto del messaggio: Re: Occupazione di binario a infrarossi
MessaggioInviato: venerdì 30 maggio 2014, 22:13 
Non connesso

Iscritto il: domenica 25 marzo 2007, 13:23
Messaggi: 1182
Località: PISTOIA
mi sembra che il circuito sia piò o meno come quelli che ho comprato io.
Interessante l'idea di posizionare il sensore sulla massicciata sotto il treno


Top
 Profilo  
 
 Oggetto del messaggio: Re: Occupazione di binario a infrarossi
MessaggioInviato: sabato 31 maggio 2014, 7:31 
Non connesso

Iscritto il: mercoledì 5 aprile 2006, 16:11
Messaggi: 5082
Località: Pistoia
Un sensore con i diodi da posizionare sotto la massicciata era anche questo, preso un po' di tempo fa su un sito francese e poi mai usato.

Immagine

Immagine


Top
 Profilo  
 
 Oggetto del messaggio: Re: Occupazione di binario a infrarossi
MessaggioInviato: lunedì 10 novembre 2014, 15:15 
Non connesso

Iscritto il: mercoledì 19 aprile 2006, 23:10
Messaggi: 534
Località: C.mare
Salve,
riporto su questa discussione per chiedere ad aesse61 e docdeburg che prove hanno fatto con i sensori IR.

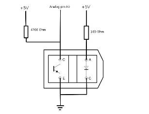
In questi giorni io ho sperimentato un sensore, il TCRT5000, simile a quelli che avete ordinato. Lo schema è il seguente...

Allegato:
tcrt5000-connection.jpg
tcrt5000-connection.jpg [ 6.65 KiB | Osservato 7017 volte ]


E' molto semplice. Il sensore già di per sè ha un filtro per la luce ambientale per cui non è' necessario modulare il segnale. Il valore viene letto da una scheda Arduino in modo digitale (on >4V) che a sua volta parla sul bus Loconet con l' interfaccia DCCWorld. Il risultato viene correttamente letto dal PC (tramite Traincontroller, JMRI o Railroad Automation).

Allegato:
IMG_2393.JPG
IMG_2393.JPG [ 156.7 KiB | Osservato 7017 volte ]


Il sensore l'ho posizionato come vedete a circa 1 cm dalla sagoma del rotabile ma si comporta in modo diverso a seconda della livrea (fa anche da livrea-detector :D ) con i rotabili chiari va tutto benissimo, con quelli scuri un pò meno... facendo poi passare una loco senza cassa ovvero completamente nera (non ho vaporiere) il sensore posizionato come in foto non si accorge di nulla.
In realtà ho osservato che non è solo il colore che conta ma anche il materiale ovvero se è riflettente o meno: la loco nuda (nel mio caso una 445 Hornby Lima) non riflette nulla in quanto di metallo opaco nero.
In ogni caso il risultato varia molto dalla distanza del sensore dai binari, non ho ancora provato a cambiare la corrente del diodo, adesso è 50mA.

Mi dite che prove avete fatto ?


saluti
:)


Top
 Profilo  
 
 Oggetto del messaggio: Re: Occupazione di binario a infrarossi
MessaggioInviato: lunedì 10 novembre 2014, 15:47 
Non connesso

Iscritto il: mercoledì 20 settembre 2006, 20:44
Messaggi: 6418
Località: Sorbolo di Sorbolo Mezzani (PR)
L'hardaware elettronico da solo non basta, ci vogliono anche le lenti e i tubi/lastre forate di guida.
Il discorso è ben più articolato di come viene presentato a livello hobbistico.


Top
 Profilo  
 
 Oggetto del messaggio: Re: Occupazione di binario a infrarossi
MessaggioInviato: lunedì 10 novembre 2014, 23:22 
Non connesso

Iscritto il: sabato 27 ottobre 2007, 9:02
Messaggi: 2853
Località: Torino
Basta mettere l'emettitore intubato in 1cm di guaina termorestringente non ristretta da una parte del binario e il ricevitore dall'altra che si guardano in diagonale rispetto al binario, tutti e due ad altezza carrelli e appena la barriera viene interrotta da un corpo qualsiasi, scatta.

Lasciate perdere le rifrazioni...non sono affidabili, col tempo si sporcano e impolverano senza contare il fatto che sono sensibili alla rifrazione dei materiali secondo me.

Ovviamente parlo per esperienza diretta sui cappi di ritorno del mio plastico.... :wink:

Ciao
Despx


Top
 Profilo  
 
 Oggetto del messaggio: Re: Occupazione di binario a infrarossi
MessaggioInviato: lunedì 10 novembre 2014, 23:52 
Non connesso

Iscritto il: mercoledì 19 aprile 2006, 23:10
Messaggi: 534
Località: C.mare
Si, i sensori per riflessione sono sensibili anche ai materiali, lo dicono gli stessi datasheet riportando anche la lista dei materiali stessi più indicati alla rilevazione.
Comunque il funzionamento è accettabile, la variabilità che ho riscontrato riguarda i colori ma tutte le livree vengono rivelate, la differenza sta nel fatto che alcuni rotabili generano più impulsi on/off, così come un convoglio genera una serie di impulsi al passare degli spazi fra carrozze e/o carri.

Paolo, dalla tua esperienza, hai messo un monostabile (o altro) in cascata al sensore per evitare sequenze di impulsi ?

Ciao!


Top
 Profilo  
 
 Oggetto del messaggio: Re: Occupazione di binario a infrarossi
MessaggioInviato: martedì 11 novembre 2014, 8:36 
Non connesso

Iscritto il: giovedì 21 ottobre 2010, 11:42
Messaggi: 139
ciao a tutti voi del forum

questa è una discussione molto importante ai fini della progettazione


Top
 Profilo  
 
 Oggetto del messaggio: Re: Occupazione di binario a infrarossi
MessaggioInviato: martedì 11 novembre 2014, 10:26 
Non connesso

Iscritto il: venerdì 21 marzo 2008, 20:09
Messaggi: 381
Località: Tra Murgia e Salento
antogar ha scritto:
.................
così come un convoglio genera una serie di impulsi al passare degli spazi fra carrozze e/o carri
.............


despx ha scritto:
..............
in diagonale rispetto al binario, tutti e due ad altezza carrelli
................


con l'accorgimento di despx (forse, però meglio ad altezza respingenti) il fenomeno della sequenza di impulsi dovrebbe essere evitato.


Top
 Profilo  
 
Visualizza ultimi messaggi:  Ordina per  
Apri un nuovo argomento Rispondi all’argomento  [ 40 messaggi ]  Vai alla pagina Precedente  1, 2, 3  Prossimo

Tutti gli orari sono UTC + 1 ora [ ora legale ]


Chi c’è in linea

Visitano il forum: Nessuno e 11 ospiti


Non puoi aprire nuovi argomenti
Non puoi rispondere negli argomenti
Non puoi modificare i tuoi messaggi
Non puoi cancellare i tuoi messaggi
Non puoi inviare allegati

Cerca per:
Vai a:  
banner_piko

Duegi Editrice - Via Stazione 10, 35031 Abano Terme (PD). Italy - Tel. 049.711.363 - Fax 049.862.60.77 - duegi@duegieditrice.it - shop@duegieditrice.it
Direttore editoriale: Luigi Cantamessa - Amministratore unico: Federico Mogioni - Direttore responsabile: Pietro Fattori.
Registro Operatori della Comunicazione n° 37957. Partita iva IT 05448560283 Tutti i diritti riservati Duegi Editrice Srl