Oggi è lunedì 27 aprile 2026, 20:19

Tutti gli orari sono UTC + 1 ora [ ora legale ]




Apri un nuovo argomento Rispondi all’argomento  [ 79 messaggi ]  Vai alla pagina Precedente  1, 2, 3, 4, 5, 6  Prossimo
Autore Messaggio
 Oggetto del messaggio: Re: IDEE & PROGETTI: consigli
MessaggioInviato: lunedì 13 agosto 2012, 21:07 
Non connesso

Iscritto il: domenica 14 marzo 2010, 21:37
Messaggi: 1994
Località: Faenza
ciao lucapassanisi,

mi pare che tu stia arrivando ad una bella soluzione.

Ma siccome ti stai avicinando alla complessità del nostro Klausen21,
vorrei metterti in guardia da un aspetto che a volte viene sottovalutato.
Mi pare che la zona nascosta, sia sotto la stazione. Quindi è una zona nascosta all' osservatore .. ma anche al movimentista.
Significa che i treni ricoverati non saranno visibili (a meno di acrobazie).
E' il problema di tutti gli impianti con zone nascoste. Per funzionare bene occorre, a mio avviso :
- ricordare esattamente dov' è ogni singolo convoglio
- posizionare i convogli ricoverati, esattamente all' interno delle traverse limiti (virtuali) dei binari di ricovero
- manovrare senza errori scambi e sezionamenti nascosti
* un treno che si avvia su uno scambio girato male, deraglierà. Poi occorrerà tempo per rimetterlo sui binari
* stessa cosa per uno scambio manovrato erroneamente mentre transita un treno
Un sistema totalmente manuale richiede molta attenzione all' operatore così che esso ne rimane pochissima da dedicare alla parte in vista.
Inoltre, gli automatismi qualche volta sbagliano, ma l' uomo sbaglia molto più spesso.

Non vorrei spaventarti, ma io valuterei le possibilità che possono offrire gli automatismi disponibili col sistema digitale.
In analogico si può fare molto. Ma richiede molti cablaggi, che richiedono tempo e denaro.
Il digitale ti consente la rilevazione della posizione dei treni, cosa che ritengo indispensabile per una zona nascosta.

Un bell' impianto come promette di venire questo, merita un funzionamento all' altezza del resto della progettazione.

Scusami per l' interveno che molti giudicheranno noioso, ma credo sia stato giusto esportelo.

Mi fermo quì per non fare un lenzuolo, ma se hai domande, ponile pure.

p.s. il cappio di ritorno deve avere una lunghezza pari ad almeno il più lungo dei treni


Stefano Minghetti


Top
 Profilo  
 
 Oggetto del messaggio: Re: IDEE & PROGETTI: consigli
MessaggioInviato: lunedì 13 agosto 2012, 22:21 
Non connesso

Iscritto il: giovedì 21 giugno 2012, 14:23
Messaggi: 3793
Località: Massa Finalese (MO)
Concordo in pieno: è fondamentale sapere quantomeno la posizione dei treni, mediante telecamere e circuiti di binario.

Nella mia testa c'è un poco pratico (da mettere in opera e da studiare) e poco semplice simulatore ACEI ad itinerari da me inventato. Una cosa praticamente troppo complicata per quello che sarà il mio plastichino... Il tutto però è studiato per poter funzionare in modo modulare mediante più schede con PIC 16F876: in pratica l'utente seleziona l'itinerario che vuole formare, la scheda master comanda alla scheda slave corrispondente all'itinerario di interrogare gli apparati interessati dall'itinerario: se sono liberi, i comandi vengono eseguiti, e l'itinerario passa dallo stato "libero" a "prenotato" a (man mano che il treno occupa i cdb) "occupato", per poi tornare a "libero" man mano che li libera. E' complicato (molto), ma potrebbe funzionare... Il problema sta nella messa a punto, e mantenersi dentro all'obiettivo della perfetta modularità (idealmente potrebbe essere usato in ogni combinazione, su ogni plastico predisposto con gli opportuni sezionamenti, senza modifiche software custom, ma solo modificando i collegamenti tra gli apparati e le schede itinerario, di per sè semplici)... Se qualcuno ha suggerimenti...

Sicuramente il digitale renderebbe tutto più pratico (mediante il collegamento al PC)...


Top
 Profilo  
 
 Oggetto del messaggio: Re: IDEE & PROGETTI: consigli
MessaggioInviato: martedì 14 agosto 2012, 6:55 
Non connesso

Iscritto il: mercoledì 9 agosto 2006, 19:43
Messaggi: 1332
Località: sulla cassia
eeehh, c'è un insieme di dettagli che hanno condizionato la progettazione:
1 - il piano del ferro sta a 139 cim in altezza;
2 - la stazione principale nascosta è accessibile da sotto, a 143,7 cm di altezza
3 - il capolinea della termica pure, a 134,5 cm di altezza
4 - sono previsti due quadri mooooolto tradizionali: uno per gestire la stazione a vista (quadro A), uno per gestire le stazioni nascoste (quadro B), posto a muro. l'operatore deve impegnarsi parecchio e prestare attenzione. ma il bello del gioco sta lì...
5 - nello stanziamento è previsto l'acquisto di una sedia "dattilo" (l'elmetto col faretto da minatore già ce l'ho :lol: ) per poter agire "sotto" il plastico per gestire, tramite il quadro B, la stazione nascosta ed avere un minimo di visibilità da sotto il piano del ferro durante le manovre, dato che i relativi binari saranno appoggiati su una struttura a rete.

è chiaro che in digitale basterebbero solo i sezionamenti tesi a evitare condizioni di corto circuito, ma non ho la più pallida idea d come si setta una centralina di controllo, se il settaggio riguarda il percorso e/o le motrici, né come si monta un decoder. se avessi avuto l'età d bomby mi sarei messo a studiarlo. ma ho passato i quaranta da un pezzo...

ora, tralasciando considerazioni sulla secondaria, che è estremamente semplice da gestire (ci stanno 3 tronchini, mi basta permettere alla locomotiva di cambiare testa ai piccoli merci, i praiser viaggeranno sulla bidirezionale aln 668), i convogli previsti "parcheggiati sulla principale nascosta" dovrebbero essere i seguenti:

- e 444 con 6 carrozze bandiera (200)
- e 656 con 4 eurofoma (145)
- e 646 con 4 "59" e due x (195)
- e 626 con navetta "fu corbellini" (85)
- e 636 con merci (200)
- ale 601 (125)

con caratteri rossi sono indicate le composizioni fisse, tra parentesi le lunghezze approx in cm.
n buona sostanza a ogni motrice è assegnato biunivocamente un binario in funzione della lunghezza del convoglio. in pratica, "allontanandosi dal muro", venendo verso "l'osservatore seduto", ci sta il 636, il 444, il 646, il 656, il 601, il 626.
il cappio e il tronchino aiuteranno nelle manovre di composizione, probabilmente mi servirò anche di uno sgangherato motore da manovra sulla nascosta, il che mi porterà probabilmente allo sdoppiamento di alcuni sezionamenti.
la bozza di base dello schema elettrico sotto riportato rispecchia lo schema del tracciato:


Allegati:
CAPRENNA elettrico J.jpg
CAPRENNA elettrico J.jpg [ 124.99 KiB | Osservato 5119 volte ]
Top
 Profilo  
 
 Oggetto del messaggio: Re: IDEE & PROGETTI: consigli
MessaggioInviato: martedì 14 agosto 2012, 14:26 
Non connesso

Iscritto il: giovedì 21 giugno 2012, 14:23
Messaggi: 3793
Località: Massa Finalese (MO)
Tra un po' ci rimugino su e sparo il mio verdetto.

Posso consigliarti di prevedere un uscita ove poter collegare una nuova stazione nascosta amovibile? Così, quando la macchina è fuori, la monti, e ci puoi accogliere altri n treni, per aumentare la variabilità dei transiti in stazione...


Top
 Profilo  
 
 Oggetto del messaggio: Re: IDEE & PROGETTI: consigli
MessaggioInviato: martedì 14 agosto 2012, 14:29 
Non connesso

Nome: Aldo Ivaldi
Iscritto il: sabato 3 luglio 2010, 20:25
Messaggi: 258
Località: Roma
Bomby ha scritto:
Il sistema RR NEM in origine era LIMA NEM, e fu presentato nei primi anni '90 (92 o 91)...


Non lo sapevo! Ho fatto qualche ricerchetta ed ho trovato in rete la copertina di un depliant novità del 1990 (poco prima della crisi ed acquisizione da parte di RR) in cui la Lima presentava il sistema di binari NEM.
A questo punto ho notato una cosa strana ... per tutti gli anni 90 RR non presenta più il suo sistema di binari (ormai vecchiotto non venendo aggiornato/ampliato fin dalla metà degli anni 70) nei suoi cataloghi e solo alla fine degli anni 90 ripresenta il sistema NEM 120 RR code 83 (ex Lima), per poi affiancarlo con un sistema Nikel-Silver code 100 inspirato ai vecchi Lima un paio di anni dopo. Una cosa carina da studiare per gli storici dei marchi!

Bomby ha scritto:
Può darsi che Hornby abbia fatto questo ragionamento, anzi è probabile... Purtroppo PECO ha già una vasta gamma, perlomeno nella scala H0, quindi dubito che possano mettersi a fare una collaborazione per dividersi i costi ...


Concordo, temo che le cose rimarranno così come sono.

Bomby ha scritto:
Il plastico non lo debbo realizzare, era solo un'ipotesi per il plastico di Luca... Comunque quegli scambi non andrebbero bene (raggio troppo stretto).


Acc! Mi sembri una sposa che cerca l'abito della cerimonia, questo no troppo largo, quest'altro no troppo stretto, quest'altro ancora no mi sborsa di quà, no mi sborsa di là!!! :wink: :lol: :lol: :lol: :lol:

Marcello (PT) ha scritto:
Forse Peco è proprietà di Hornby?


Assolutamente no!! Peco è ... Peco!!

Hornby è ormai un costellazione di tantissime cose ... ma Peco non ne fa parte!! :D

Gully


Top
 Profilo  
 
 Oggetto del messaggio: Re: IDEE & PROGETTI: consigli
MessaggioInviato: martedì 14 agosto 2012, 17:01 
Non connesso

Iscritto il: giovedì 21 giugno 2012, 14:23
Messaggi: 3793
Località: Massa Finalese (MO)
Ho pensato ed ho agito: i numeri sono messi a casaccio (non hanno un granchè di logica), pertanto sono da rinumerare per agevolare gli itinerari e gli istradamenti... Ho abbandonato i segmenti colorati per evitare di creare un arcobaleno stile carnevale, ma direi che si capisce tutto, ovviamente i sezionamenti sono i trattini rossi.

Per evitare di creare confusione mentre esegui gli itinerari, perchè non pensi ad un apparato a matrice di diodi? Così sei sicuro che, premuto quell'itinerario (o semi itinerario), tutti gli scambi e le tratti isolati saranno disposti per quell'itinerario e basta... Occorrerà certo un po' di attenzione (ossia non comandare due itinerari incompatibili tra loro contemporaneamente) ed, eventualmente, disporre a via libera i segnali...


Allegati:
CAPRENNA elettrico J modificato.jpg
CAPRENNA elettrico J modificato.jpg [ 148.03 KiB | Osservato 5067 volte ]
Top
 Profilo  
 
 Oggetto del messaggio: Re: IDEE & PROGETTI: consigli
MessaggioInviato: martedì 14 agosto 2012, 19:38 
Non connesso

Iscritto il: mercoledì 9 agosto 2006, 19:43
Messaggi: 1332
Località: sulla cassia
scusa, dovessi pensare di automatizzare qualcosa, tanto vale passo al digitale, non credi?


Top
 Profilo  
 
 Oggetto del messaggio: Re: IDEE & PROGETTI: consigli
MessaggioInviato: martedì 14 agosto 2012, 20:23 
Non connesso

Iscritto il: giovedì 21 giugno 2012, 14:23
Messaggi: 3793
Località: Massa Finalese (MO)
Non è un automatismo.
Consiste nel collegare un pulsante (corrispondente ad un semi itinerario) ai vari enti da comandare mediante diodi, affinchè altri pulsanti possano essere collegati agli stessi enti e/o ad altri enti, senza che l'azionamento di un pulsante influisca sugli enti cui non è collegato. La spiegazione è contorta, spero si capisca. (se non capisci qualcosa, per quel che posso, spiego)

Allego figura:


Allegati:
matrice diodi.jpg
matrice diodi.jpg [ 32.52 KiB | Osservato 5039 volte ]
Top
 Profilo  
 
 Oggetto del messaggio: Re: IDEE & PROGETTI: consigli
MessaggioInviato: martedì 14 agosto 2012, 21:24 
Non connesso

Iscritto il: mercoledì 9 agosto 2006, 19:43
Messaggi: 1332
Località: sulla cassia
non è un automatismo ma, di fatto, un semi-automatismo. ed ho paura che sa piuttosto complesso da realizzare: considera che, usciti dalla stazione, ci sono 16 itinerari di base (34 deviate in totale di cui 6 doppie, per 4 binari "di linea" in stazione, più 7 bonari destinati al ricovero nelle due direzioni più 2 per la secondaria... e questo vale per il "gioco". un altro itinerario va considerato - il "girotondo" - perché devi fare sgroppare le macchine quando le hai pulite ed ingrassate o perché devi mettere in azione il carro puliscibinari. pensa quante combinazioni, anche escludendo dal controllo i binari della stazione a vista...). se poi sia meno complesso di un controllo digitale degli scambi, non ti saprei dire...


Top
 Profilo  
 
 Oggetto del messaggio: Re: IDEE & PROGETTI: consigli
MessaggioInviato: martedì 14 agosto 2012, 21:49 
Non connesso

Iscritto il: domenica 14 marzo 2010, 21:37
Messaggi: 1994
Località: Faenza
Rilenzuolo in arrivo ...

Lo schema di Bomby è abbastanza complicato, ma nel nostro Klausen abbiamo fatto proprio così. Anzi, ancora un po' più complicato.
Abbiamo asservito gli scambi in vista a degli interruttori a tre vie, che contemporaneamente girano lo scambio e stabiliscono il collegamento verso il ramo dello scambio selezionato.
Gli interruttori degli scambi in vista sono raggruppeti circa come in un banco a leve. Non ci sono interblocchi, e gliincidenti sono abbastanza rari.
Dal quadro di comando al plastico ci sono 3 connettori da 50 vie. Ed ho detto tutto.
Non ci siamo mai pentiti della soluzione complicata, anche se ha richiesto più di un anno di lavoro intenso per realizzare il cablaggio.
In compenso, basta girare gli scambi, e via ... Non abbiamo comandi di sezionamenti !

Indubbiamente nella zona in vista il sistema digitale sarebbe un vantaggio, dato che risparmierebbe un sacco di sezionamenti e relativi cablaggi.
Ma con l' analogico non lesinerei nei sezionamenti, pena la scarsa possibilità di manovra.
Il digitale avrebbe anche la possibilità di sgancio telecomandato, che non è malaccio (anzichè una decina di bobine elettromagnetiche di sgancio).

Ma questo mio intervento vuole puntare ancora in zona nascosta.
Da noi l' interno è automatico, ma quando succede qualcosa, la stazione in vista si ferma e l' operatore va "sotto" a sistemare.
Per questo, credo che qualche aiuto elettrico possa essere utile per godersi un impianto che promette bene.

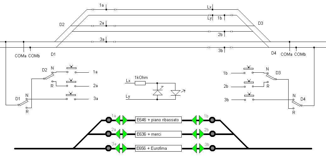
Ecco uno schemino di principio per la zona nascosta con relativa ipotesi di quadro sinottico :
Allegato:
Commutazione alimentazioni - 5.JPG
Commutazione alimentazioni - 5.JPG [ 53.25 KiB | Osservato 5023 volte ]

Il funzionamento è semplice.
Richiede un sezionamento ad ognuna delle estremità dei binari di stazionamento.
Richiede scambi col contatto di posizione (p.es. i PECO, ma anche altri).
I contatti di posizione sono collegati come in schema.
Ogni sezionamento ha un pulsante manuale per attivarlo.
I collegamenti COMa e COMb sono comuni alle due radici e su di essi agisce l' alimentatore (analogico).
Per fare entrare un treno è necessario regolare l' alimentatore della tratta comune e premere il pulsante in ingresso alla sezione .
Se si sbaglia tasto o se uno scambio è girato male, i contatti impediranno di alimentare erroneamente un altro convoglio.
Se si preme il pulsante corrispondente al binario cui puntano gli scambi, allora la sua sezione verrà alimentata, ed il treno potrà entrare.
Dando corrente con l' alimentatore per muovere il treno, verrà alimentata anche la coppia di LEDs posta sul sezionamento.
Appena la tensione sarà sufficiente, si illuminerà il LED corrispondente al senso di marcia effettivo, garantendo, così, un ulteriore controllo al movimento.
E' mostrato solo il cablaggio dei LEDs della sezione 1b. Le altre sono la ripetizione della stessa.

Il treno con locomotiva in testa transiterà sul sezionamento di ingresso senza problemi, grazie al tasto premuto, e si fermerà automaticamente sul sezionamento di uscita.

Per un treno con locomotiva in coda, non sarà necessario premere alcun pulsante (lo si potrà premere brevemente per verificare senso di marcia ed instradamento).
Quando la locomotiva arriverà sul sezionamento, all' ingresso del binario di stazionamento, si fermerà senza dover fare nulla. Ed il convoglio in spinta sarà già posizionato.

Similmente si agirà per far uscire i convogli.
I LEDs non indicheranno l' occupazione del binario. Si può fare, ma complica parecchio.

Siccome hai destinato un certo convoglio per ogni binario, puoi prevedere una etichetta per ogni binario (sono sicuro che i convogli li cambierai) con la descrizione del convoglio stesso.

Con tutti questi accorgimenti, si avrà :
- sicurezza nell' individuazione del convoglio ricoverato
- sicurezza fra comando del convoglio e posizione degli scambi
- verifica fra senso di marcia voluto e senso di marcia effettivo (un convoglio che parta erroneamente a marcia indietro, potrebbe tallonare uno scambio e deragliare)
- sistema elettricamente non molto complicato

E' un principio. Per applicarlo sarebbe bene fare qualche prova "sul pavimento".

Per il digitale, invece, non ho mai fatto prove, quindi farei ipotesi di concetto, ma non testabili facilmente.
Quindi passo la parola ad altri.
Sicuramente in zona nascosta i sezionamenti sarebbero necessari anche col digitale.
Probabilmente esistono dei programmi che ti consentirebbero di organizzare l' automatismo in modo affidabile (vedi i vari MondoTreno e simili).


Stefano Minghetti

p.s. per Bomby. Quando spiegavano io studiavo circuiti elettrici (ma è stato 40 anni fà).


Top
 Profilo  
 
 Oggetto del messaggio: Re: IDEE & PROGETTI: consigli
MessaggioInviato: martedì 14 agosto 2012, 22:23 
Non connesso

Iscritto il: giovedì 21 giugno 2012, 14:23
Messaggi: 3793
Località: Massa Finalese (MO)
Domani mi leggo la lenzuolata...

Il sistema che ho proposto è complesso, ma non complicato. Basta ipotizzare più semi itinerari che uniti daranno luogo ad itinerari completi. Faccio un esempio:
- semi itinerario I: da principale (lato sx) a binario 3 e vv;
- semi itinerario 2: da binario 3 a principale (lato dx) e vv;
- semi itinerario 3: da secondaria a binario 2 e vv;
e così via...
Ovviamente così facendo si vengono a creare tanti semi itinerari: questi, sono compatibili con un comando puramente manuale dei singoli enti: ciò non obbliga a realizzare un itinerario per ogni istradamento di manovra, ma in tal caso si comanderà (come al vero) ogni scambio o sezionamento quando serve. Per la stazione nascosta, ritengo importante utilizzare almeno un sistema del genere, per la stazione a vista puoi anche pensare di lasciarlo a tempi successivi, ma se vuoi evitare disastri intricati da risistemare, occorre istituirlo nella stazione ombra.
- Per la stazione ombra prevedo 17 semi itinerari (8*2 per gli ingressi da ogni lato+1 per il cappio). L'accesso al tronchino (11) avviene tramite manovra, altrimenti serve un altro semi itinerario;
- Per la stazione a vista prevedo 15 semi itinerari (5 ingressi principale sx + 5 ingressi secondaria + 5 ingressi principale dx);
- Per la stazione nascosta della secondaria (così come l'ho prevista io) sono necessari 3 itinerari, le manovre verso i tronchini sono a comando manuale;


Top
 Profilo  
 
 Oggetto del messaggio: Re: IDEE & PROGETTI: consigli
MessaggioInviato: martedì 14 agosto 2012, 22:44 
Non connesso

Iscritto il: domenica 14 marzo 2010, 21:37
Messaggi: 1994
Località: Faenza
per Bomby :

per complicato mi riferivo al numero di sezionamenti.
Come vedrai leggendo il lenzuolo, approvo la tua idea.
Il fatto è che forse il numero di collegamenti necessario non è alla portata di tutti, come tempo e come complessità elettrica.


Stefano Minghetti


Top
 Profilo  
 
 Oggetto del messaggio: Re: IDEE & PROGETTI: consigli
MessaggioInviato: mercoledì 15 agosto 2012, 9:24 
Non connesso

Iscritto il: giovedì 21 giugno 2012, 14:23
Messaggi: 3793
Località: Massa Finalese (MO)
Ho letto la lenzuolata: ottimo ed ingegnoso sistema!

A mio parere, se nell'analogico si vuole avere una certa elasticità, bisogna fare tanti sezionamenti. Altrimenti si passa al digitale, ma anche lì, se si vogliono gli automatismi (o semi automatismi) necessari ad un sicuro funzionamento nelle parti nascoste, i sezionamenti dovranno esserci, magari in misura minore dell'analogico, ma esserci.
Comunque in questo caso, qualcuno sarà sicuramente più informato di me sulle cose, io non ne ho esperienza...


Top
 Profilo  
 
 Oggetto del messaggio: Re: IDEE & PROGETTI: consigli
MessaggioInviato: mercoledì 15 agosto 2012, 16:59 
Non connesso

Iscritto il: mercoledì 9 agosto 2006, 19:43
Messaggi: 1332
Località: sulla cassia
ammetto che all'università quel po' di elettronica di cui mi occupai abbassò drasticamente il voto di "applicazioni industriali elettriche" al corso di laurea in ingegneria meccanica. in definitiva potevo limitarmi a occuparmi di impianti elettrici, ma davanti all'elettronica sono un rinoceronte.
eppure il sistema riportato sul lenzuolo è molto interessante. e non è così complicato. certamente la complessità del tracciato impone un discreto impegno di cervello, di materiale e di soldi. a parte ogni discorso sull'incidenza economica, è proprio l'impegno che renderebbe più affascinante l'impianto mantenendolo in analogico. tuttavia il dubbio che col digitale la cosa verrebbe più semplice viene...
una domanda a minghetti: dato che l'unica cosa che vorrei automatizzare sono i semafori, puoi farmi un esempio, partendo dallo schema
del lenzuolo, su come va collegato? non credo sia cosa semplice, in quanto il verde dovrebbe passare a rosso una volta che il convoglio è passato automaticamente, ed è l'unico vero automatismo che vorrei applicare.
ancora per stefano, forse la domanda più rilevante: il ferro sarà tassativamente tillig, per problemi dimensionali (passare ai peco significa rivedere da cima a fondo l progetto, e non mi risulta che peco fornisca, per la sua produzione, gli schemi dimensionali come invece fa tillig). la tua proposta è in tal caso applicabile?
a parte ogni ringraziamento sul contributo RILEVANTE da voi fornito, non so quando partono i lavori (dal 20 si ricomincia a lavorare, sennò niente pagnotta. probabilmente a dicembre, nel frattempo i fine settimana saranno impegnati per le costruzioni edilizie e stradali), ma quando sarà festeggeremo a bicchierate di barolo. se siete astemi festeggeremo lo stesso...


Top
 Profilo  
 
 Oggetto del messaggio: Re: IDEE & PROGETTI: consigli
MessaggioInviato: giovedì 16 agosto 2012, 13:46 
Non connesso

Nome: Aldo Ivaldi
Iscritto il: sabato 3 luglio 2010, 20:25
Messaggi: 258
Località: Roma
Bomby ha scritto:
Ho letto la lenzuolata: ottimo ed ingegnoso sistema!

A mio parere, se nell'analogico si vuole avere una certa elasticità, bisogna fare tanti sezionamenti. Altrimenti si passa al digitale, ma anche lì, se si vogliono gli automatismi (o semi automatismi) necessari ad un sicuro funzionamento nelle parti nascoste, i sezionamenti dovranno esserci, magari in misura minore dell'analogico, ma esserci.
Comunque in questo caso, qualcuno sarà sicuramente più informato di me sulle cose, io non ne ho esperienza...


A me sembra una "banalissima" (si fa per dire!) applicazione della classica matrice di diodi, se fatta in modo geometricamente coerente non è molto difficile da realizzare. Ci vuole un circuito stampato a doppia faccia ed inciso a tracce parallele tra loro ed ortogonali tra loro sulle due facce opposte, una traccia su una faccia gestisce un itinerario (e semi-itinerario) e la traccia sul lato opposto gestisce l'attivazione di una bobina di uno scambio. Basta forare in vicinanza dell"'incrocio" tra la traccia dell'itinerario e le tracce delle bobine interessate e saldare il diodo per fare passare la tensione.
Immagina lo schema del TIC-TAC-TOE con le righe orizzontali su una faccia e le righe verticali sull'altra faccia.

Se ne è parlato più volte nel forum e si trovano parecchi esempi in rete.

Questo sistema ha un difetto: attiva più bobine contemporaneamente e l'assorbimento totale di corrente può essere tale da "sfiancare" il miglior trasformatore di alimentazione. Anche per questo problema ci sono varie soluzioni già discusse nel forum ed in rete.

La questione se conviene gestire scambi ed itinerari in analogico o in digitale è storica . Di base a svantaggio dell'analogico c'è la complessità del cablaggio (3 cavi per ogni scambio), a svantaggio del digitale c'è la complessità d'uso quando gli scambi superano un certo numero.

In molti plastici si usa il misto: digitale per i treni, analogico (spesso con matrice di diodi) per gli scambi (in questo caso, dopo essere impazziti a cablare, poi basta un pulsante per trovarsi l'itinerario già bello e fatto).

Gully

P.S. per tornare alla questione forbice NEM 120 o scambi in curva, la Piko ha nel suo sistema A una coppia di scambi in curva che permette di passare dal raggio 422mm al raggio 484 (i suoi R2 ed R3 se non erro) e sempre con un totale di 120° per il doppio scambio.
Ha anche la possibilità di creare una forbice con scambi e inglesi, ma il tutto si allunga a oltre 50 cm e l'nterbinario si allarga a 93mm.


Top
 Profilo  
 
Visualizza ultimi messaggi:  Ordina per  
Apri un nuovo argomento Rispondi all’argomento  [ 79 messaggi ]  Vai alla pagina Precedente  1, 2, 3, 4, 5, 6  Prossimo

Tutti gli orari sono UTC + 1 ora [ ora legale ]


Chi c’è in linea

Visitano il forum: Nessuno e 11 ospiti


Non puoi aprire nuovi argomenti
Non puoi rispondere negli argomenti
Non puoi modificare i tuoi messaggi
Non puoi cancellare i tuoi messaggi
Non puoi inviare allegati

Cerca per:
Vai a:  
banner_piko

Duegi Editrice - Via Stazione 10, 35031 Abano Terme (PD). Italy - Tel. 049.711.363 - Fax 049.862.60.77 - duegi@duegieditrice.it - shop@duegieditrice.it
Direttore editoriale: Luigi Cantamessa - Amministratore unico: Federico Mogioni - Direttore responsabile: Pietro Fattori.
Registro Operatori della Comunicazione n° 37957. Partita iva IT 05448560283 Tutti i diritti riservati Duegi Editrice Srl