Oggi è mercoledì 22 aprile 2026, 6:45

Tutti gli orari sono UTC + 1 ora [ ora legale ]




Apri un nuovo argomento Rispondi all’argomento  [ 137 messaggi ]  Vai alla pagina Precedente  1 ... 3, 4, 5, 6, 7, 8, 9, 10  Prossimo
Autore Messaggio
 Oggetto del messaggio: Re: (Elettro)tecnica. Reed e scambi
MessaggioInviato: giovedì 28 agosto 2014, 20:54 
Non connesso

Iscritto il: giovedì 2 gennaio 2014, 16:13
Messaggi: 361
Località: Bassa Romagna
Sì, però poi ci vuole uno ZPM per alimentare i deviatori :)

A parte gli scherzi, spiegami un altro paio di cose. Il condensatore in parallelo al reed immagino sia per evitare l'arco voltaico alla riapertura del contatto. Sul diodo in parallelo al relé però mi sono un po' perso....

A me fondamentalmente serve un relé a 4 contatti. 2 di comando e 2 di potenza. Il diodo va in parallelo rispetto ai 2 contatti di comando o di potenza?

Ma il funzionamento del relé genera disturbi elettromagnetici tipo i vecchi motori G non schermati? E i deviatori degli scambi? O li devo mettere in una gabbia di faraday per poter vedere la tv?


Top
 Profilo  
 
 Oggetto del messaggio: Re: (Elettro)tecnica. Reed e scambi
MessaggioInviato: giovedì 28 agosto 2014, 21:44 
Non connesso

Iscritto il: domenica 14 marzo 2010, 21:37
Messaggi: 1993
Località: Faenza
red707,

il problema è complesso, ma ho qualche soluzione da proporti :

1. venti anni fà, ad Eurodisney, vidi una specie di trenino, un Brucomela, che correva su due guide tubolari. Il percorso era lungo.
La stazione aveva due binari ed i trenini (5 o 6 trenini, ognuno dei quali composto da 4 vagoni, con una decina di persone per vagone) arrivavano alternativamente al binario 1 o al binario 2, dopo aver percorso una tratta a blocco automatico.
Era esattamente la tua stazione. C' erano due scambi a comando idraulico (pistoni) e, anche se non l' ho vista, c' era una centralina di controllo. Probabilmente era un PLC, dato che si vedevano i normali sensori di prossimità industriali. Non sò se esista ancora, ma se chiedi a Marco_58, te lo saprà costruire. E non sbaglierà un colpo. Siediti quando dovrai vedere il conto.

2. con l' avvento dei moderni ACEI statici, si stanno dismettendo quelli vecchi a relè. Intanto che i nuovi vengono costruiti in nuovi locali, i vecchi ACEI continuano imperterriti a funzionare, fino al giorno di passaggio. All' attivazione del nuovo ACEI, il vecchio resta scollegato ed inutilizzato. Ma hanno ancora gli schemi. Non li demoliscono perchè il costo sarebbe maggiore del ricavo di ferrovecchio. Potresti offrirti di smontarne uno di una piccola stazione, magari con autocomando, e di rimontarlo a casa tua. Le ferrovie si troverebbero un locale sgombrato gratis, e tu avresti la soluzione al tuo problema. Se poi avessi difficoltà ad utilizzarlo, potresti chiedere aiuto a Tz.

3. Per 100 Euro potresti comprare una scheda di prova di un componente elettronico, una FPGA. Esiste anche il suo ambiente di sviluppo gratuito. In VHDL potresti scrivere il programma che, sentendo i due reed (o dei sensori di Hall), comandi scambi e sezionamenti. Sarebbe molto elegante. Un softwarista professionista in uno o due mesi a 8 ore al giorno si impratichisce dell' ambiente di sviluppo, ma poi in un giorno farebbe l' automatismo che ti serve. Esistono consulenti che conoscono la materia, e con forse 500..1000 Euro ti farebbero il programma già messo a punto. Oppure puoi studiare l' ambiente di sviluppo, ed il linguaggio VHDL. Sì, è un po' più ostico del "C", che a sua volta è più ostico del Basic, ma se vuoi potrati provare.

4. Potresti comprare un PLC di minime dimensioni e programmarlo. Se esiste ancor il sistema di disegnare semplicemente i contatti come se fossero relè, potrebbe essere alla portata di molti. Il costo credo che parta, per i più piccoli, da qualche centinaio di Euro. Ma dopo non devi stagnare neppure un filo. Solo collegare ingressi ed uscite.

5. Potresti scaricare gratuitamente Eagle, programma con cui fare schema e master per il circuito stampato. Con questo potresti progettare un sistema a microprocessore, o un sistema a porte logiche (oggi esistono le LittleLogic che danno buone possibilità di compattazione della scheda). Poi, utilizzando uno dei servizi di prototipazione, potresti far fare i circuiti stampati. Di solito comportano una spesa minima di 50 .. 100 Euro. Poi, acquistando i componenti elettronici, monteresti la scheda, cablaggio, e via !

Altro non mi viene in mente.

Beh, sì .. c' è sempre la soluzione alla Marcello. Pragmatica, non sfoggia la cultura elettronica che ha, addiritura la potrebbe far funzionare qualcuno con solo qualche nozione di elettrotecnica, ma potrebbe essere alla portata di molti :

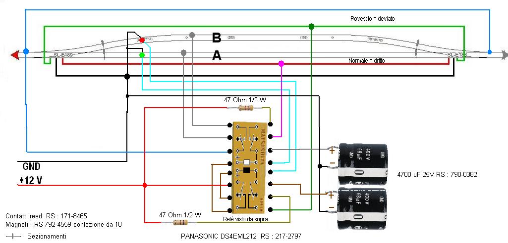
Con relè PANASONIC DS4EML212
da circuito stampato, bistabile a 4 scambi e due bobine
reperibile presso RS : 217-2797 a Euro 13.07+IVA
Allegato:
Stazione precedenze a reed e relè bistabile - 2.JPG
Stazione precedenze a reed e relè bistabile - 2.JPG [ 66.72 KiB | Osservato 5818 volte ]

Edit : correzione collegamento bobine su segnalazione di red707. Aggiunti riferimenti dei componenti

Con relè ROCO 10019
a pettine, bistabile 4 scambi e a due bobine commutate
reperibile da Lippe a Euro 15.80
Allegato:
Stazione precedenze a reed e relè Roco - 1.JPG
Stazione precedenze a reed e relè Roco - 1.JPG [ 60.55 KiB | Osservato 5924 volte ]



Stefano Minghetti

p.s
- per Marco_58, Tz, Marcello(PT) : spero che non ve la prendiate. Ho voluto sottolineare scherzosamente degli aspetti in cui avete fatto e fate la vostra buona figura.
- per BuddaceDCC : non ho citato il DCC perchè è comunque una possibilità interessante. Adottarlo solo per questa stazione forse sarebbe dispendioso, ma se lo si estendesse al resto del plastico, potrebbe fare cose apprezzabili (dipende anche da come è fatto il plastico).


Ultima modifica di ste.klausen21 il venerdì 29 agosto 2014, 20:01, modificato 1 volta in totale.

Top
 Profilo  
 
 Oggetto del messaggio: Re: (Elettro)tecnica. Reed e scambi
MessaggioInviato: giovedì 28 agosto 2014, 21:54 
Non connesso

Iscritto il: domenica 14 marzo 2010, 21:37
Messaggi: 1993
Località: Faenza
red707,

p.s.

La tua intuizione era quella di usare uno scambio "pensante", ovvero di quelli che commutano corrente alle rotaie in uscita dal cuore, come se fosse un relè bistabile.
Come già ampiamente discusso, ha l' inconveniente di avere bobine potenti, che mal si prestano ad essere comandate da contatti reed.
Nel mio schema ho semplicemente esplicitato il relè bistabile.
Se una bobina del relè bistabile restasse alimentata, non si romperebbe nulla.
La scarica capacitiva fà sì che le bobine degli scambi non siano mai alimentate direttamente.

i condensatori sono da 4700 uF 35V a scatto : RS 790-0382 Euro 2.42 + IVA
come contatto reed si potrebbe usare : RS 171-8465 Euro 0.861 + IVA
come magnete si potrebbe usare : RS 792-4559 E 6.34 + IVA la confezione da 10 pezzi

Potresti anche mettere i magneti a metà convoglio e i sensori a metà binario. In tal caso potrebbe diventare bidirezionale, con gli inconvenienti che ho elencato in un post precedente.
Ma comunque non potrebbe fare incroci. Quindi, o tutti in un senso, o tutti nell' altro senso.

Nota : non l' ho provato, quindi non ne garantisco il funzionamento.


Stefano Minghetti


Top
 Profilo  
 
 Oggetto del messaggio: Re: (Elettro)tecnica. Reed e scambi
MessaggioInviato: giovedì 28 agosto 2014, 22:03 
Non connesso

Iscritto il: mercoledì 20 settembre 2006, 20:44
Messaggi: 6417
Località: Sorbolo di Sorbolo Mezzani (PR)
red707 ha scritto:
Sì, però poi ci vuole uno ZPM per alimentare i deviatori :)

A parte gli scherzi, spiegami un altro paio di cose. Il condensatore in parallelo al reed immagino sia per evitare l'arco voltaico alla riapertura del contatto. Sul diodo in parallelo al relé però mi sono un po' perso....

A me fondamentalmente serve un relé a 4 contatti. 2 di comando e 2 di potenza. Il diodo va in parallelo rispetto ai 2 contatti di comando o di potenza?

Ma il funzionamento del relé genera disturbi elettromagnetici tipo i vecchi motori G non schermati? E i deviatori degli scambi? O li devo mettere in una gabbia di faraday per poter vedere la tv?


Il diodo va in antiparallelo alla bobina del relè.
Allora, ed in poche e semplici parole, ogni carico induttivo (una bobina lo è), quanto viene disalimentato, genera delle correnti in senso contrario, in pratica l'energia magnetica accumulata viene trasformata in energia elettrica: è lo stesso fenomento che si ha nella "bobina" di un motore a scoppio, lì la corrente viene inviata alle candele; nel nostro caso crea dei disturbi. Tale corrente, si scarica sul circuito elettrico di alimentazione della bobina, quindi anche sul contatto che è servito per alimentarla, essendo di senso contrario alimenta l'arco elettrico di apertura del contatto, l'arco elettrico danneggia il contatto.
Quando il circuito è alimenato in corrente continua, il diodo in antiparallelo serve appaunto a far circolare immediatamente questa corrente nella sola bobina.
Ecco un esempio
https://www.google.it/search?q=diodo+in ... B352%3B321

Quando il circuito è comandato in corrente alternata si mette tipicamente un condensatore con in serie una resistenza al posto del diodo (in realtà sarebbe meglio uno zenamic, ma voliamo bassi), però condensatore e resistenza, affinchè siano veramente efficaci, andrebbero calcolati in base alle caratteristiche della bobina.

Nei nostri motori delle loco, escluso quando si è in digitale, si mette un condensatore in parallelo al motore, in questo caso più per limitare i disturbi RF dovuti al collettore, non si può mettere il diodo visto che il motore deve essere alimentato con polarità invertite per ruotare nell'altro senso.
Giusto per, in digitale, il condensatore se presente eve essere eliminato, all'interno del decoder ci sono già i diodi al posto giusto (per la cronaca l'uscuta del decoder verso il motore è costituita da un ponte H).
Il condensatore in parallelo al reed serve a proteggere il contatto da questi fenomeni e dalle extracorrenti di apertura e chiusura.

Ad onor del vero in nessuno schema che troverai nei manuali di fermodellismo troverai indicati questi "filtri", in verità lavorando in corrente alternata e con contatti non reed, si possono anche omettere, considerato anche che il numero di manovre è modesto.
Però lavorando con i reed e meglio metterli, la vita del reed aumenta in modo esponenziale.
Sulle bobine degli scambi, se nelle vicinanze (qualche metro) non hai apparecchiature che possano risentire dei disturbi, li poi tranquillamnte omettere, ovvio che il contatto di comando deve sopportare 10 A a 30 V.
Quindi visto che tra rete elettrica a 230 Vca e i circuiti di camando c'è in mezzo un trasformatore, i disturbi non si propagano per quella via.
Quindi, se i disturbi doverro comunque passare, bisogna provare ad invertire la spina nella presa; in molti paesi esteri l'alimentazione alle apparecchiature domestiche è polarizzata (bisogna rispettare fase e neutro) pertanto anche i filtri ed i dispositivi di protezione sono polarizzati, in Italia no, pertanto a volte è necessario invertire l'alimentazione per far funzionare correttamente i filtri.

Nei vecchi motori G, e anche quelli di altri produttori, che all'apoca assorbivano almeno 0,5 A, i condensatori, e a volte anche delle bobine, erano, e sono, imposti dalle norme sui disturbi elettromagnetici.


Top
 Profilo  
 
 Oggetto del messaggio: Re: (Elettro)tecnica. Reed e scambi
MessaggioInviato: giovedì 28 agosto 2014, 22:28 
Non connesso

Iscritto il: mercoledì 20 settembre 2006, 20:44
Messaggi: 6417
Località: Sorbolo di Sorbolo Mezzani (PR)
Stefano, prendersela ma figurati!
Mi pare di esser tornato alla seconda meta degli anni '80, quando io semplice diplomato IPSIA (corso triennale), ma lavoravo nel contesto della rete commerciale e tecnica di uno dei maggiori produttori di meteriale elettrico industriale al mondo, insegnavo questa cose a quelli che le insegnano oggi: insegnanti ITI e universitari. Tenevo corsi sui PLC e sulle nuove frontiere dell'automazione, ma visto i personaggi che mi si sono presentati davanti negli anni successivi dubito che i miei corsi, e quelli dei miei colleghi, siano serviti a qualcosa.
Oggi tutti quelli che fanno questi studi, sanno costruire in laboratorio, un robot che ti porta il caffè, ma nessuno è in grado di fare girare un motore avanti indietro di un banale paranco. Tutti sanno usare il cad, ma nessuno sa leggere un qualsiasi schema elettrico o elettronico.

Tornando alle giostre, in alcune c'è tanta di quell'automazione, e dispositivi di sicurezza e controllo, che è difficile immaginarseli, esistono norme ben precise e giustamente rigide. Ma soprattutto le giostre sfuttano dei fondamentali principi fisici, tipo la legge gravità e le forze d'inerzia, pertanto con ben poca energia ... ti fanno venire lo stomaco in gola.
Un bel "giochino" è la sincronizzazione del motore di lancio con la velocità del mezzo in movimento, avete presente quella giostra costituita da un braccio dove da una parte è presente un contrappeso e dall'altra la cabina dei passeggeri, bene lì il movimento è quasi tutto basato sulle leggi fisiche di cui sopra, il motore elettrico serve solo al movimento iniziale ed a compensare le differenze di peso tra contrappeso e cabina, ma una volta avviato il sistema è il motore, ed anche i freni, che devono adeguarsi in tempo reale alle varie velocità che assume il braccio durante la rotazione, diversamente cabina e contrappeso se vanno ognuno per conto suo staccandosi dal braccio, ovvero trasmettendo accelerazioni pericolose ai passeggeri.


Top
 Profilo  
 
 Oggetto del messaggio: Re: (Elettro)tecnica. Reed e scambi
MessaggioInviato: venerdì 29 agosto 2014, 10:29 
Non connesso

Iscritto il: mercoledì 5 aprile 2006, 16:11
Messaggi: 5075
Località: Pistoia
Ora che l'estate è finita vedrò di continuare l'esperimento dell'impianto per il plastico sociale, poi se funzionerà si farà la classica bevuta. :D


Top
 Profilo  
 
 Oggetto del messaggio: Re: (Elettro)tecnica. Reed e scambi
MessaggioInviato: venerdì 29 agosto 2014, 10:54 
Non connesso

Iscritto il: giovedì 2 gennaio 2014, 16:13
Messaggi: 361
Località: Bassa Romagna
ste.klausen21 ha scritto:

Con relè ROCO 10019
a pettine, bistabile 4 scambi e a due bobine commutate
reperibile da Lippe a Euro 15.80
Allegato:
Stazione precedenze a reed e relè Roco - 1.JPG



Dai e dai... sto (forse) quasi cominciando a capirci qualcosa :)

Verifichiamo :)

In pratica hai usato un relé bistabile. Quando il reed fa scattare la bobina, collega alternativamente il binario (blu) sul corretto tracciato o sulla deviata, mentre il condensatore si scarica nel muovere gli scambi. Il circuito che ha comandato lo scambio è aperto, perchè il condensatore si è scaricato, mentre invece l'altro circuito è chiuso e sta caricando il secondo condensatore.

Ho l'impressione però che tu abbia invertito i collegamenti dei reed. Quando quello rosso fa contatto, gli scambi dovrebbero andare su corretto tracciato, non su deviata.


Top
 Profilo  
 
 Oggetto del messaggio: Re: (Elettro)tecnica. Reed e scambi
MessaggioInviato: venerdì 29 agosto 2014, 15:40 
Non connesso

Iscritto il: mercoledì 20 settembre 2006, 20:44
Messaggi: 6417
Località: Sorbolo di Sorbolo Mezzani (PR)
ste.klausen21 ha scritto:
...

2. con l' avvento dei moderni ACEI statici, si stanno dismettendo quelli vecchi a relè. Intanto che i nuovi vengono costruiti in nuovi locali, i vecchi ACEI continuano imperterriti a funzionare, fino al giorno di passaggio. All' attivazione del nuovo ACEI, il vecchio resta scollegato ed inutilizzato. Ma hanno ancora gli schemi. Non li demoliscono perchè il costo sarebbe maggiore del ricavo di ferrovecchio. Potresti offrirti di smontarne uno di una piccola stazione, magari con autocomando, e di rimontarlo a casa tua. Le ferrovie si troverebbero un locale sgombrato gratis, e tu avresti la soluzione al tuo problema. Se poi avessi difficoltà ad utilizzarlo, potresti chiedere aiuto a Tz.


Mi apre che non vengano smontai perchè l'elttronica sostituisce solo la parte logica, la parte che si interfaccia con il campo, cioè la linea, viene mantenuta.
Quindi di ogni singolo telaio non è più utilizzata solo una parte.
Per limitare i danni in caso di corti circuitio e di fulmini in linea, i circuiti elettrici della logica e della linea sono isolati galvanicamente, nel caso, si danneggia solo quelche trasformatore e qualche contato di relè.
Rifanno tutto solo quando è indispensabile, di solito quando cambiano i locali o/e, in concomitanza, gli apparati in linea.


Top
 Profilo  
 
 Oggetto del messaggio: Re: (Elettro)tecnica. Reed e scambi
MessaggioInviato: venerdì 29 agosto 2014, 15:40 
Non connesso

Iscritto il: mercoledì 20 settembre 2006, 20:44
Messaggi: 6417
Località: Sorbolo di Sorbolo Mezzani (PR)
red707 ha scritto:
Dai e dai... sto (forse) quasi cominciando a capirci qualcosa :)



:wink:


Top
 Profilo  
 
 Oggetto del messaggio: Re: (Elettro)tecnica. Reed e scambi
MessaggioInviato: venerdì 29 agosto 2014, 16:10 
Non connesso

Iscritto il: mercoledì 18 dicembre 2013, 12:11
Messaggi: 2704
È possibile adattare lo schema proposto usando sensori ad assorbimento invece che reed? Come diventa lo schema? Grassie [GRINNING FACE WITH SMILING EYES]


Inviato da mio iPhone utilizzando Tapatalk


Top
 Profilo  
 
 Oggetto del messaggio: Re: (Elettro)tecnica. Reed e scambi
MessaggioInviato: venerdì 29 agosto 2014, 16:41 
Non connesso

Iscritto il: mercoledì 20 settembre 2006, 20:44
Messaggi: 6417
Località: Sorbolo di Sorbolo Mezzani (PR)
umbriele ha scritto:
È possibile adattare lo schema proposto usando sensori ad assorbimento invece che reed? Come diventa lo schema? Grassie [GRINNING FACE WITH SMILING EYES]


Inviato da mio iPhone utilizzando Tapatalk


Semplice, al posto del contato del reed metti il contatto di uscita del rilevatore di presenza.


Top
 Profilo  
 
 Oggetto del messaggio: Re: (Elettro)tecnica. Reed e scambi
MessaggioInviato: venerdì 29 agosto 2014, 17:33 
Non connesso

Iscritto il: venerdì 20 gennaio 2006, 19:41
Messaggi: 2863
Devi realizzare appositamente un tratto isolato nel punto in cui vuoi che avvenga il comando, non puoi utilizzare tutta la tratta tra i due deviatoi altrimenti come la loco imbocca il tratto sotto rilevatore scatta il deviatoio col treno sopra e si cappotta tutto... :mrgreen:

Quindi non è per niente semplice, mi pare un'inutile complicazione... :wink:


Top
 Profilo  
 
 Oggetto del messaggio: Re: (Elettro)tecnica. Reed e scambi
MessaggioInviato: venerdì 29 agosto 2014, 18:09 
Non connesso

Iscritto il: venerdì 20 gennaio 2006, 19:41
Messaggi: 2863
marco_58 ha scritto:
Mi apre che non vengano smontai perchè l'elttronica sostituisce solo la parte logica, la parte che si interfaccia con il campo, cioè la linea, viene mantenuta.


No. Quando si realizza un impianto nuovo vengono posati anche tutti i cavi nuovi per gli enti di campagna i quali anche loro vengono sostituiti, segnali, PL ecc, solo i deviatoi e cdb vengono eventualmente commutati. Quindi all'attivazione del nuovo impianto viene spento il vecchio e acceso il nuovo.
Col tempo il vecchio viene smantellato... forse.
Nella mia ex-stazione l'ACE e i suoi cavi e relè è ancora là abbandonato da quando hanno attivato l'ACEI nel 2005... :roll:


Top
 Profilo  
 
 Oggetto del messaggio: Re: (Elettro)tecnica. Reed e scambi
MessaggioInviato: venerdì 29 agosto 2014, 20:16 
Non connesso

Iscritto il: mercoledì 5 aprile 2006, 16:11
Messaggi: 5075
Località: Pistoia
La stessa cosa a Pistoia con l'ACC.


Top
 Profilo  
 
 Oggetto del messaggio: Re: (Elettro)tecnica. Reed e scambi
MessaggioInviato: venerdì 29 agosto 2014, 20:33 
Non connesso

Iscritto il: domenica 14 marzo 2010, 21:37
Messaggi: 1993
Località: Faenza
x red707
Nello schema col relè PANASONIC, avevo in effetti invertito le bobine. Ho corretto il disegno. Grazie dell' osservazione, che mostra che hai capito come funziona (potrei dire " volevo vedere se eri attento", ma direi una bugia).

Lo schema col relè ROCO, presumo sia corretto.
Non ho trovato il manuale istruzioni, ma ragiono così :
- prendo per buono lo schema in rilievo sul relè stesso, che indica la posizione dei contatti, compresi quelli che scollegano la bobina appena azionata
- per far cambiare posizione ai contatti, occorre necessariamente alimentare la bobina il cui contatto è stabilito
- dallo schema in rilievo sul relè, però, la bobina col contatto alimentabile è disegnata dalla parte in cui i contatti sono già stabiliti. Penso sia una semplificazione grafica per non disegnare rovesciati i contatti delle bobine
- quindi per commutare il relè, alimento la bobina col contatto stabilito

Inoltre, credo che nella confezione, o a parte, esistano dei morsetti da collegare ai pettini di contatto. Altrimenti occorre stagnarli (o trovare connettori a pettine commerciali adatti, ed eventualmente tagliarli a 3 poli)

x umbriele
come giustamente notato da Tz, ogni sensore di occupazione necessita di un sezionamento, che dovrebbe trovarsi alla fine del binario.
Però, mentre si presuppone che il reed venga azionato ed immediatamente rilasiato, col sensore di occupazione si avrebbe il comando permanente. Quindi, all' arrivo del secondo treno, verrebbero azionati contemporanea mente entrambi i sensori. Per farlo funzionare sarebbe beneccario modificarlo. O adottare il DCC !

e poi ... cambiando discorso

Mi piace molto l' idea del collega di facoltà di Bomby : se la corrente attraversa una resistenza in senso opposto, trova gli anelli di valore in ordine inverso, quindi la corrente si comporterà diversamente. Bello. Come dire che se metto un peso da 100g capovolto sulla bilancia, esso peserà -100g !

Quanto agli occhi da fanalone degli elettricisti di Marco_58, un po' li capisco. Sono concetti che, se non li si è studiati impiegandovi tempo, ma si è solo avuta una infarinatura, è difficile che diventino patrimonio del proprio modo di pensare. Se, poi, non li si usa tutti i giorni, o li si è imparati in età avanzata ...

Quanto all' ex banco ACE di Tz, che bello sarebbe prenderlo e collegarlo ad un plastico ! Naturalmente occorrerebbero anche il quadro sinottico e la sala relè.
In mancanza di spazio, la sala relè potrebbe essere sostituita da un qualche arnese elettronico. Il programma sarebbe complesso da scrivere, soprattutto per il comportamento in caso di guasti o anomalie. Ma per un vero DM non sarebbe la stessa cosa. Un po' come le tastiere musicali. I pianisti veri non si trovano bene con esse, anche se alcune hanno addiritura i tasti che reagiscono meccanicamente come i tasti del vero pianoforte.

Ma ... che è quel tizio che, uscito da una specie di gabbiotto a vetri, mi viene incontro agitando una bandiera rossa ? Ah, ho capito, è ora che mi fermi !!!


Stefano Minghetti


Top
 Profilo  
 
Visualizza ultimi messaggi:  Ordina per  
Apri un nuovo argomento Rispondi all’argomento  [ 137 messaggi ]  Vai alla pagina Precedente  1 ... 3, 4, 5, 6, 7, 8, 9, 10  Prossimo

Tutti gli orari sono UTC + 1 ora [ ora legale ]


Chi c’è in linea

Visitano il forum: Google [Bot] e 102 ospiti


Non puoi aprire nuovi argomenti
Non puoi rispondere negli argomenti
Non puoi modificare i tuoi messaggi
Non puoi cancellare i tuoi messaggi
Non puoi inviare allegati

Cerca per:
Vai a:  
banner_piko

Duegi Editrice - Via Stazione 10, 35031 Abano Terme (PD). Italy - Tel. 049.711.363 - Fax 049.862.60.77 - duegi@duegieditrice.it - shop@duegieditrice.it
Direttore editoriale: Luigi Cantamessa - Amministratore unico: Federico Mogioni - Direttore responsabile: Pietro Fattori.
Registro Operatori della Comunicazione n° 37957. Partita iva IT 05448560283 Tutti i diritti riservati Duegi Editrice Srl