Oggi è domenica 19 aprile 2026, 16:33

Tutti gli orari sono UTC + 1 ora [ ora legale ]




Apri un nuovo argomento Rispondi all’argomento  [ 330 messaggi ]  Vai alla pagina Precedente  1 ... 4, 5, 6, 7, 8, 9, 10 ... 22  Prossimo
Autore Messaggio
 Oggetto del messaggio: Re: ELETTROTECNICA: L'impianto elettrico.
MessaggioInviato: venerdì 9 agosto 2013, 9:17 
Non connesso

Iscritto il: mercoledì 5 aprile 2006, 16:11
Messaggi: 5075
Località: Pistoia
Credo di averne combinate di tutte, carichi fortemente induttivi che all'apertura formano scintille enormi, cortocircuiti, che in questo caso non producono nemmeno scintilla, ed alimentazione di motori piuttosto grandi. Per ora tutto OK.

C'è un problema che andrà risolto con il termostato bimetallico. Portando la corrente nel punto preciso di intervento del limitatore di corrente, facendo scendere la tensione sul carico a circa 5,5 V il darlington scalda un bel po'. Con un radiatore di quelli consigliati da Stefano le cose sicuramente migliorano, ma visto che hanno una superficie molto più grande di quello che ho usato, preferirei il termostato, tanto sono sicuro che sarà una situazione limite che si verificherà molto di rado e se lo farà sarà per tempi brevi.

Questa la dissipazione di calore nella peggiore situazione.

Immagine

Usare il 2N3055 porterebbe sicuramente ad un migliore scambio di calore tra transistor e dissipatore, e questa è una cosa da tenere presente, bisognerebbe provare con un NTE243 o similari.

La rampa prodotta con il condensatore da 4700 uF la resistenza da 4700 ohm danno un incremento / decremento della tensione anche troppo lungo. Vista la conformazione del plastico, dove i tratti di accelerazione / decelerazione sono abbastanza contenuti, andrà rivista riducendone il tempo. Questo sarà anche a favore del darlington che funzionerà per un tempo minore nella zona di maggior produzione di calore.

Ho qualche ventola da processore a 12 V che monterò vicino al dissipatore, tanto è a costo zero, anche se non credo faccia molto quando siamo nella zona critica.


Top
 Profilo  
 
 Oggetto del messaggio: Re: ELETTROTECNICA: L'impianto elettrico.
MessaggioInviato: venerdì 9 agosto 2013, 12:45 
Non connesso

Iscritto il: venerdì 20 gennaio 2006, 19:41
Messaggi: 2863
Marcello (PT) ha scritto:
I due trasformatori in parallelo sono per l'alimentazione di tutte le 4 o 5 sezioni, vedremo poi quante. Ne uso due perché ne ho diversi tutti identici, tanto per risparmiare qualcosa al GFP.


A me personalmente il parallelo dei trasformatori non mi è mai piaciuto. Perchè non usare singolarmente ogni trasformatore, ovviamente con due raddrizzatori e due condensatori che possono essere anche più piccoli di quelli che hai usato, mettendo in comune la massa ?


Top
 Profilo  
 
 Oggetto del messaggio: Re: ELETTROTECNICA: L'impianto elettrico.
MessaggioInviato: venerdì 9 agosto 2013, 13:09 
Non connesso

Iscritto il: mercoledì 5 aprile 2006, 16:11
Messaggi: 5075
Località: Pistoia
Semplice: perché quelli li ho, e l'altro lo dovrei comprare. A me il parallelo dei trasformatori non da alcun fastidio, tra l'altro anche l'unico trasformatore che ho usato per le prove ha due secondari a 12 V 2,5A che possono essere messi in serie per ottenere 24 V o in parallelo per 12 V 5 A.

Ma non è detto che poi alla fine sarà proprio così.


Top
 Profilo  
 
 Oggetto del messaggio: Re: ELETTROTECNICA: L'impianto elettrico.
MessaggioInviato: venerdì 9 agosto 2013, 13:32 
Non connesso

Iscritto il: venerdì 20 gennaio 2006, 19:41
Messaggi: 2863
Marcello (PT) ha scritto:
A me il parallelo dei trasformatori non da alcun fastidio.


Anche a me il parallelo non dà nessun fastidio, il fatto è che il fastidio se lo possono dare tra loro... :mrgreen:

http://w3.uniroma1.it/maradei/Files/Par ... nofase.pdf

Ma se quelli che hai sono perfettamente uguali tra loro non dovrebbero esserci problemi.


Top
 Profilo  
 
 Oggetto del messaggio: Re: ELETTROTECNICA: L'impianto elettrico.
MessaggioInviato: venerdì 9 agosto 2013, 13:37 
Non connesso

Iscritto il: mercoledì 5 aprile 2006, 16:11
Messaggi: 5075
Località: Pistoia
Ovviamente sono identici.


Top
 Profilo  
 
 Oggetto del messaggio: Re: ELETTROTECNICA: L'impianto elettrico.
MessaggioInviato: venerdì 9 agosto 2013, 23:02 
Non connesso

Iscritto il: domenica 14 marzo 2010, 21:37
Messaggi: 1993
Località: Faenza
BDX53 ha una resistenza termica, verso il dissipatore, di circa 2 °C/W, per l' esattezza 1.92 °C/W.
Per il dissipatore che hai mostrato in foto, si potrebbe stimare una resistenza termica di circa 6°/W.
La somma è di 8°C/W.
Considerando un salto termico di 115°C (transistor) - 45°C (ambiente) = 80°C, la capacità di dissipazione risulta di : 80°C / 8°C/W = 10 W.
Con ingresso a 14 V ed uscita a 4 V, quindi con 10 V ai capi del transistor, può circolare una corrente di 10 W / 10 V = 1 Amp continuativo, con un po' di margine.
In questa condizione l' aletta sarebbe a 115°C - 10 W * 2°C/W = 95°C, che può sembrare enorme, ma non mette in pericolo il transistor.

Per raggiungere questa dissipazione occorre :
- un buon contatto termico fra aletta e transistor
- far coincidere, o avvicinare, il centro della parte metallica del transistor col centro del dissipatore (per questo potresti usare anche un foro disassato, e poi ruotare di 45° il transistor)

Una eventuale ventilazione forzata, ottenuta da una ventola, farebbe diminuire la resistenza termica del dissipatore. E tenendo conto del fatto che il dissipatore ha circa il 75% della resistenza termica complessiva, una sua diminuzione può portare ad un risultato apprezzabile.

Per verificare la bontà della dissipazione e, quindi, l' affidabilità, occorre stimare la temperatura superficiale del dissipatore.
Purtroppo per misurarla occorrerebbe un termometro a termocoppia. Oppure la si potrebbe misurare disponendo di un termistore NTC di cui si conoscano esattamente le caratteristiche.


Per i trasformatori, invece, è vero che si possono mettere in parallelo se sono identici.
Ma, se si potesse scegliere, preferirei una serie di due da 6V, piuttosto che un parallelo.
La serie dei secondari garantisce un maggior equilibrio del carico.
La configurazione in parallelo, invece, è più critica, dato che le correnti erogate si dividono in proporzione alle impedenze interne (come spiegato nel documento segnalato da Tz).
Anche quì, puoi verificare le temperature a carichi alti. Non dovrebbero esse tali da richiedere il termometro a termocoppia (!).


Stefano Minghetti


Top
 Profilo  
 
 Oggetto del messaggio: Re: ELETTROTECNICA: L'impianto elettrico.
MessaggioInviato: sabato 10 agosto 2013, 8:02 
Non connesso

Iscritto il: mercoledì 5 aprile 2006, 16:11
Messaggi: 5075
Località: Pistoia
Voglio provare con questo darlington

BU941
http://it.rs-online.com/web/p/transistor-darlington/4191194/


Con questo radiatore:
http://it.rs-online.com/web/p/dissipatori/1898842/

O meglio ancora con questo:
http://it.rs-online.com/web/p/dissipatori/1898549/

Ci si dovrebbe rientrare tranquillamente.

Ovviamente come termometro uso l'indice DX, pochi secondi premuto = ~ 70 °C


Top
 Profilo  
 
 Oggetto del messaggio: Re: ELETTROTECNICA: L'impianto elettrico.
MessaggioInviato: sabato 10 agosto 2013, 13:14 
Non connesso

Iscritto il: venerdì 20 gennaio 2006, 19:41
Messaggi: 2863
Ho un BDX 53c da 30 anni montato su un'aletta come la seconda del tuo link... mai usato, faceva parte di un alimentatore di Nuova Elettronica mai messo in servizio... se abitassi vicino te lo darei per le prove... :mrgreen:


Top
 Profilo  
 
 Oggetto del messaggio: Re: ELETTROTECNICA: L'impianto elettrico.
MessaggioInviato: sabato 10 agosto 2013, 16:00 
Non connesso

Iscritto il: domenica 14 marzo 2010, 21:37
Messaggi: 1993
Località: Faenza
Bene, Marcello.
Mi sembra che tu abbia trovato componenti adatti.

Per il transistor. Hai fatto bene ad individuare un modello con alta corrente. Infatti ha una resistenza termica contenuta.
Però, essendo per tensioni alte, ha un hfe (amplificazione) di 300, contro i 750 di quello che stai usando. Questo si traduce in una maggior caduta di tensione sulla resistenza da 4700 Ohm.
Un altra possibilità per il transistor, può essere :
BDX33C TO220 10A 100V hfe=750 Rth 1.78 °C/W Eur. 0.348+IVA q.tà minima 10 pz
C' è anche BDW42G, ma lo scarterei per bassa amplificazione (hfe=250).

Per il dissipatore, avendo lo spazio, sceglierei il secondo di quelli che hai mostrato, dato che ha la metà di resistenza termica e costa la stessa cifra.

Quindi con quei componenti, e dovendo dissipare 23W, avresti :

BU941 + dissipatore : 1 + 1.3 = 2.3 °C/W. Aumento di temperatura 23W * 2.3°C/W = 53°C
Temperatura di giunzione (interno del transistor) = 40°C + 53°C = 93°C
Temperatura del dissipatore = 40°C + ( 1.3°C/W * 23W ) = 40°C + 39°C = 79°C

BDX33C + dissipatore : 1.8 + 1.3 = 3.1 °C/W. Aumento di temperatura 23W * 3.1°C/W = 71°C
Temperatura di giunzione (interno del transistor) = 40°C + 71°C = 111°C
Temperatura del dissipatore = 40°C + ( 1.3°C/W * 23W ) = 40°C + 39°C = 79°C

Notare che la temperatura interna del transistor è sempre più alta di quella del dissipatore. Ed è proprio la temperatura interna che può mettere in pericolo il transistor.

La tua soluzione (BU941) porta una minor temperatura sulla giunzione del transistor, facendolo lavorare con molto margine.
L' altra soluzione (BDX53C) consente una tensione di uscita leggermente superiore, a discapito di una maggior temperaura interna del transistor.

A tè la scelta.

A 79°C l' idice premuto sul dissipatore non dovrebbe resistere più di 0.5 sec !!!


Stefano Minghetti


Top
 Profilo  
 
 Oggetto del messaggio: Re: ELETTROTECNICA: L'impianto elettrico.
MessaggioInviato: domenica 11 agosto 2013, 6:47 
Non connesso

Iscritto il: mercoledì 5 aprile 2006, 16:11
Messaggi: 5075
Località: Pistoia
Ottimo.

La resistenza da 4700 ohm deve essere ridotta per abbassare la costante di tempo, dato che il tempo di accelerazione / decelerazione attuale è troppo lungo.

Comunque potrei usare anche un BDX69, anch'esso TO-3 ma con un hfe molto più alto ed una resistenza termica addirittura più bassa = 0,875. Vedrò.

Colgo l'occasione per consigliare un buon sito per scegliere componenti di questo tipo:
http://alltransistors.com/


Ancora una cosa che devo provare: si tratta di collegare la resistenza ed il condensatore ad un punto di tensione più stabile. Quello attuale va da oltre 17 V a circa 14, facendo variare di conseguenza anche la tensione d'uscita in funzione del carico, anche se con un certo ritardo.

Visto che dovrò disporre anche di un'altra alimentazione a 24 V DC per la manovra dei deviatoi a scarica capacitiva, penso che userò quella, abbassandola fino al valore necessario, che stabilirò con delle prove una volta che avrò i componenti definitivi.

Ancora grazie a Stefano per i suoi preziosi consigli.


Top
 Profilo  
 
 Oggetto del messaggio: Re: ELETTROTECNICA: L'impianto elettrico.
MessaggioInviato: sabato 17 agosto 2013, 8:37 
Non connesso

Iscritto il: mercoledì 5 aprile 2006, 16:11
Messaggi: 5075
Località: Pistoia
Sono riuscito a trovare i BDX69A quindi lo schema dovrebbe essere questo. Ad occhio mi sembra che possa funzionare, ma lo saprò solo a prove fatte.


Allegati:
coll-blocco alim2.jpg
coll-blocco alim2.jpg [ 186.71 KiB | Osservato 9153 volte ]
Top
 Profilo  
 
 Oggetto del messaggio: Re: ELETTROTECNICA: L'impianto elettrico.
MessaggioInviato: sabato 17 agosto 2013, 21:10 
Non connesso

Iscritto il: domenica 14 marzo 2010, 21:37
Messaggi: 1993
Località: Faenza
Bene, Marcello.

1. TRANSISTOR
Le caratteristiche principali del nuovo transistor sono :
BDX69A : case TO3, Ic = 25A, Vce = 80V, hfe = 1000, Rth ja = 0.875 °C/W

Quindi col nuovo transistor abbiamo :
BDX69A + dissipatore = 0.9 + 1.3 = 2.2 °C/W. Aumento di temperatura : 23 W + 2.2 °C/W = 51 °C
Temperatura di giunzione (interno del transistor) = 40°C + 51°C = 91°C
Temperatura del dissipatore : 40°C + (1.3°C/W * 23W) = 40°C + 39°C = 79°C
Ancora meglio del caso precedente !

2. SCHEMA
Ti faccio, però, un' osservazione sulla commutazione via libera/via impedita.
Sintetizzo il nocciolo del tuo schema in questo modo :
Allegato:
SchemaMarcello_2-00.JPG
SchemaMarcello_2-00.JPG [ 17.6 KiB | Osservato 9113 volte ]

Si nota che il trimmer da 2k e la resistenza da 2700 Ohm cercano di svolgere più o meno la stessa funzione. Ma, essendo presenti contemporaneamente, confliggono. Col trimmer regolato per dare tensione, in caso di via impedita la resistenza da 2700 Ohm fungerà da carico per il trimmer, ma la tensione sul condensatore non potrà andare a zero.

Proverei a modificarlo come segue :
Allegato:
SchemaMarcello2modificato_2-00.JPG
SchemaMarcello2modificato_2-00.JPG [ 10.38 KiB | Osservato 9113 volte ]


Oppure, seguendo la pratica degli impianti veri, si potrebbe aggiungere il relè, K1, che raccolga le condizioni dei precedenti TO2, SB e SD.

Con via libera, K1 comanda lo stadio di potenza tramite il trimmer di via libera.
Con via impedita, K1 comanda lo stadio di potenza tramite il trimmer di tensione minima (vedi punto 3).
Allegato:
SchemaMarcello2modificato_3-00.JPG
SchemaMarcello2modificato_3-00.JPG [ 23.24 KiB | Osservato 9113 volte ]

La 2700 Ohm è ancora presente e regola il tempo di accelerazione e decelerazione.

3. AFFIDABILITA' SENSORI DI OCCUPAZIONE
Col sistema che intendi adottare resta da verificare il comportamento dei sensori di occupazione. Per farli funzionare adeguatamente occorre che la tensione in uscita dall' alimentatore non scenda mai sotto 1 ..2V.
Occorre fare delle prove, e trovare il valore ottimale.
Nella mia ipotesi di modifica, in caso di via impedita, la tensione non và 0, ma ad un valore selezionabile mediante trimmer.
Si deve prevenire il caso in cui una sezione indichi libero a causa di tensione di trazione troppo bassa. Si correrebbe il rischio di tamponamento.
Se avrò tempo, preparerò un' altra ipotesi per i circuiti di binario.

Ultima annotazione. Per ridurre la costante di tempo, agirei riducendo la capacità da 4700uF, lasciando inalterata la 2700 Ohm.


Stefano Minghetti


Top
 Profilo  
 
 Oggetto del messaggio: Re: ELETTROTECNICA: L'impianto elettrico.
MessaggioInviato: sabato 17 agosto 2013, 22:46 
Non connesso

Iscritto il: mercoledì 5 aprile 2006, 16:11
Messaggi: 5075
Località: Pistoia
Nel sistema che avevo in mente il trimmer dovrebbe essere regolato in modo che durante la scarica, con la resistenza da 2700, che come dici tu fa da carico, non permetta alla tensione di uscita di scendere sotto i 5,5 V. Questo perché così facendo resta eccitato il reed di controllo, che se cadesse interromperebbe l'erogazione, cosa che deve avvenire solo in caso di cortocircuito. In fase di ricarica, dopo i primi istanti, il trimmer non ha più effetto a causa del diodo polarizzato inversamente.

La tensione in uscita a 5,5 V subisce un'altra caduta per effetto dei sensori, di circa 1,5 V, il che porta la tensione al binario a circa 4 V. Dovrò valutare se questa tensione è tale da permettere ai treni di procedere lentamente fino al punto disalimentato (stop), altrimenti dovrò alzarla ancora attraverso il trimmer.

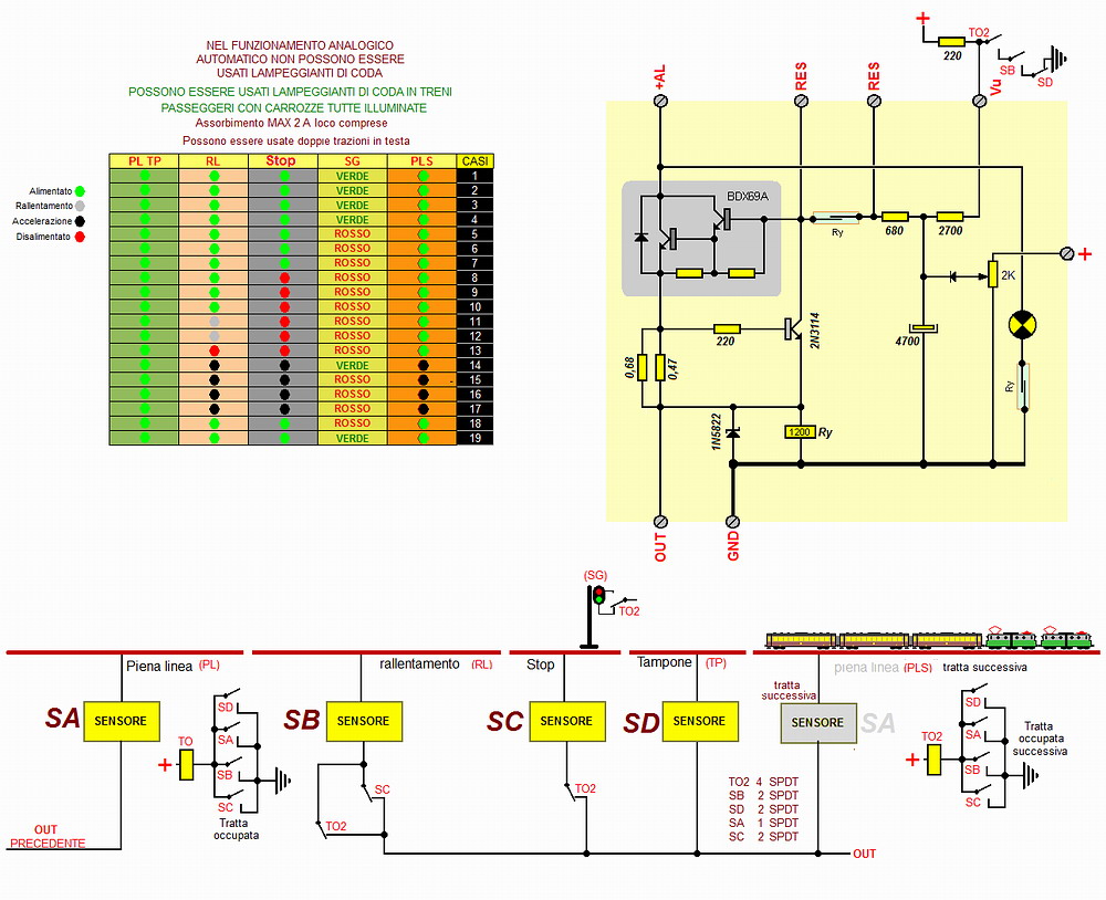
Per i sensori di occupazione avrei intenzione di tenerli attivi attraverso una resistenza (che non ho disegnato per ora) che dal positivo faccia circolare sempre corrente anche con i contatti aperti, in caso di occupazione. La resistenza sarà anche sui sensori sempre alimentati, così che anche in caso di disalimentazione per cortocircuito si avrebbe la segnalazione della tratta occupata comunque. Come ho disegnato nello schema sotto: sarebbero le resistenze Rb1-4

Immagine

La resistenza da 2700 ohm prima era da 4700, l'ho abbassata lasciando il condensatore da 4700.

Una modifica che ho fatto è quella del contatto aperto di SD sul sensore SC, contrassegnato con un punto blu. Questo per ovviare al fatto di avere le carrozze con illuminazione spenta quando passano sulla tratta di stop. Tale contatto l'ho tolto dal parallelo per il controllo occupazione tratta, tanto in quel momento il treno è già ripartito, ed io voglio usare sulle sonde tutti relé con due cambi.


Top
 Profilo  
 
 Oggetto del messaggio: Re: ELETTROTECNICA: L'impianto elettrico.
MessaggioInviato: sabato 17 agosto 2013, 22:56 
Non connesso

Iscritto il: mercoledì 5 aprile 2006, 16:11
Messaggi: 5075
Località: Pistoia
I sensori dovrebbero essere così:

Immagine

Il relé questo o similari:

http://www.ebay.it/itm/Rele-12-Vdc-doppio-scambio-8A-FINDER-serie-4052-/120781178351?pt=Deviatori_Selettori_e_Rel%C3%A8&hash=item1c1f1e85ef


Top
 Profilo  
 
 Oggetto del messaggio: Re: ELETTROTECNICA: L'impianto elettrico.
MessaggioInviato: venerdì 23 agosto 2013, 10:06 
Non connesso

Iscritto il: mercoledì 5 aprile 2006, 16:11
Messaggi: 5075
Località: Pistoia
Questa è una sezione di blocco, saranno 4 tutte identiche, intanto provo a farne una.


Allegati:
sezione blocco.jpg
sezione blocco.jpg [ 201.27 KiB | Osservato 9031 volte ]
Top
 Profilo  
 
Visualizza ultimi messaggi:  Ordina per  
Apri un nuovo argomento Rispondi all’argomento  [ 330 messaggi ]  Vai alla pagina Precedente  1 ... 4, 5, 6, 7, 8, 9, 10 ... 22  Prossimo

Tutti gli orari sono UTC + 1 ora [ ora legale ]


Chi c’è in linea

Visitano il forum: Nessuno e 234 ospiti


Non puoi aprire nuovi argomenti
Non puoi rispondere negli argomenti
Non puoi modificare i tuoi messaggi
Non puoi cancellare i tuoi messaggi
Non puoi inviare allegati

Cerca per:
Vai a:  
banner_piko

Duegi Editrice - Via Stazione 10, 35031 Abano Terme (PD). Italy - Tel. 049.711.363 - Fax 049.862.60.77 - duegi@duegieditrice.it - shop@duegieditrice.it
Direttore editoriale: Luigi Cantamessa - Amministratore unico: Federico Mogioni - Direttore responsabile: Pietro Fattori.
Registro Operatori della Comunicazione n° 37957. Partita iva IT 05448560283 Tutti i diritti riservati Duegi Editrice Srl