Oggi è sabato 18 aprile 2026, 17:28

Tutti gli orari sono UTC + 1 ora [ ora legale ]




Apri un nuovo argomento Rispondi all’argomento  [ 20 messaggi ]  Vai alla pagina 1, 2  Prossimo
Autore Messaggio
 Oggetto del messaggio: info for dummies impianto elettrico
MessaggioInviato: lunedì 22 ottobre 2018, 8:55 
Non connesso

Iscritto il: giovedì 29 agosto 2013, 7:11
Messaggi: 335
Buongiorno a tutti. il titolo parla chiaro sulle mie conoscenze :D
Mi sto accingendo a costruire un piccolo plastico per affinare le tecniche da impiegare su un altro più grande da realizzare (se mai ci riuscirò) in seguito. Spero di riuscire a spiegarmi senza postare disegni.
Dovrebbe trattarsi di un falso doppio binario (immaginate la classica forma di un osso per cani). Una eventuale intercomunicazione nel punto in cui i due binari si affiancano, genererebbe un cortocircuito, giusto? Come risolverlo?
Grazie


Top
 Profilo  
 
 Oggetto del messaggio: Re: info for dummies impianto elettrico
MessaggioInviato: lunedì 22 ottobre 2018, 9:08 
Non connesso

Iscritto il: venerdì 20 gennaio 2006, 19:41
Messaggi: 2863
Devi sezionare opportunamente lo scambio o gruppo di scambi che realizzazano l'interconnessione e polarizzarli, tramite relè, nella giusta maniera a seconda dell'itinerario che realizzi.

Non è semplice ma neanche impossibile.

Nel mio impianto ho due linee a doppio binario banalizzate interconnesse tra loro con 9 comunicazioni per un totale di 24 itinerari possibili. L'interconnessione l'ho sezionata mediante 5 "circuiti di binario" comprendenti più deviatoi e per ogni itinerario ogni circuito di binario viene alimentato con la corretta polarizzazione... :wink: Quindi se po' fà. :mrgreen:


Top
 Profilo  
 
 Oggetto del messaggio: Re: info for dummies impianto elettrico
MessaggioInviato: lunedì 22 ottobre 2018, 9:46 
Non connesso

Iscritto il: venerdì 7 dicembre 2007, 19:06
Messaggi: 842
Località: TS, nel mitico nord-est :-)
Tz ha scritto:
Devi sezionare opportunamente lo scambio o gruppo di scambi che realizzavano l'interconnessione e polarizzarli, tramite relè, nella giusta maniera a seconda dell'itinerario che realizzi.

Non è semplice ma neanche impossibile.

Nel mio impianto ho due linee a doppio binario banalizzate interconnesse tra loro con 9 comunicazioni per un totale di 24 itinerari possibili. L'interconnessione l'ho sezionata mediante 5 "circuiti di binario" comprendenti più deviatoi e per ogni itinerario ogni circuito di binario viene alimentato con la corretta polarizzazione... :wink: Quindi se po' fà. :mrgreen:


Ma per piaciere .............

fate come faccio IO: MARKLIN. :mrgreen: :mrgreen: :mrgreen:


Top
 Profilo  
 
 Oggetto del messaggio: Re: info for dummies impianto elettrico
MessaggioInviato: lunedì 22 ottobre 2018, 12:41 
Non connesso

Iscritto il: venerdì 20 gennaio 2006, 19:41
Messaggi: 2863
Che il Signore ce ne liberi dal sistema Marklin... :lol:


Top
 Profilo  
 
 Oggetto del messaggio: Re: info for dummies impianto elettrico
MessaggioInviato: martedì 23 ottobre 2018, 14:53 
Non connesso

Iscritto il: venerdì 25 novembre 2011, 19:13
Messaggi: 2019
Località: Trieste
Ma non pare maleducato rispondere ad un utente che chiede un aiuto con minchiate varie e informazioni poco inerenti alla domanda? Pazzesco...

staccionata, provo a risponderti. Qui sotto uno schemino di collegamento.

Immagine

Si, una eventuale interconnessione o comunicazione tra i due binari creerebbe un corto. Se sei in analogico, puoi dividere il tracciato in due sezioni, usando le scarpette isolanti o semplicemente tagliando entrambe le rotaie. Poi alimentare ciascuna sezione ad un interruttore a tre posizioni con zero centrale, come da schema.

Spero di aver risposto alla tua domanda.
Ciao
Antonio


Top
 Profilo  
 
 Oggetto del messaggio: Re: info for dummies impianto elettrico
MessaggioInviato: martedì 23 ottobre 2018, 15:28 
Non connesso

Iscritto il: martedì 15 agosto 2006, 12:09
Messaggi: 3211
nanniag ha scritto:
Ma non pare maleducato rispondere ad un utente che chiede un aiuto con minchiate varie e informazioni poco inerenti alla domanda? Pazzesco...

Antonio, sono anni che il piemontese Ugo Fermi (il vero nome di questo fenomeno) ammorba il Forum con svariati nick.
Non c'è mai stata la possibilità o forse la volontà di eradicare questo personaggio fastidioso.
Se vi può consolare imperversa anche su Forum dedicati ai fuoristrada.
Magari un bel mailbombing riuscirà a dissuaderlo...


Top
 Profilo  
 
 Oggetto del messaggio: Re: info for dummies impianto elettrico
MessaggioInviato: martedì 23 ottobre 2018, 17:12 
Non connesso

Iscritto il: lunedì 5 settembre 2016, 13:17
Messaggi: 688
Piemontese? Quindi anche la localita' dichiarata è fasulla.. :roll: :lol:


Top
 Profilo  
 
 Oggetto del messaggio: Re: info for dummies impianto elettrico
MessaggioInviato: mercoledì 24 ottobre 2018, 8:45 
Non connesso

Iscritto il: giovedì 29 agosto 2013, 7:11
Messaggi: 335
nanniag ha scritto:
Ma non pare maleducato rispondere ad un utente che chiede un aiuto con minchiate varie e informazioni poco inerenti alla domanda? Pazzesco...

staccionata, provo a risponderti. Qui sotto uno schemino di collegamento.

Immagine

Si, una eventuale interconnessione o comunicazione tra i due binari creerebbe un corto. Se sei in analogico, puoi dividere il tracciato in due sezioni, usando le scarpette isolanti o semplicemente tagliando entrambe le rotaie. Poi alimentare ciascuna sezione ad un interruttore a tre posizioni con zero centrale, come da schema.

Spero di aver risposto alla tua domanda.
Ciao
Antonio


Ciao Antonio, anzitutto permettimi di ringraziarti per la cortese e concreta risposta. Purtroppo sono poco ferrato sull'argomento e quindi ho necessità di porti alcune domande.
Lo schema divide il tracciato in due sezioni. E' presente un unico interruttore oppure gli interruttori sono uno per ciascuna sezione?

Quando il treno transita sugli scambi, quali operazioni devo compiere sull'interruttore?

Grazie


Top
 Profilo  
 
 Oggetto del messaggio: Re: info for dummies impianto elettrico
MessaggioInviato: mercoledì 24 ottobre 2018, 11:33 
Non connesso

Iscritto il: venerdì 25 novembre 2011, 19:13
Messaggi: 2019
Località: Trieste
Ciao.

Ogni sezione ha il suo interruttore. Puoi fare così se ti gusta: colleghi ad ogni sezione il suo interruttore come mostrato sopra: ciò consente di avere marcia avanti - tutto fermo - marcia indietro su ognuna sezione.

Poi monti tutto su un pannellino e disegni schematicamente il tracciato. Dai successivamente alimentazione ai due interruttori, metti una loco sui binari e identifichi le direzioni di marcia avanti e marcia indietro di ogni interruttore.

Immagine

Quando un convoglio circola nell'anello esterno le direzioni degli interruttori devono essere concordi a formare un anello. Quando invece si passa attraverso la comunicazione, bisogna invertire l'interruttore della sezione che verrà raggiunta dal convoglio di modo che siano entrambi gli interruttori verso destra o verso sinistra.

Mi sono spiegato? (chiede il paracadute)
Antonio


Top
 Profilo  
 
 Oggetto del messaggio: Re: info for dummies impianto elettrico
MessaggioInviato: mercoledì 24 ottobre 2018, 13:03 
Non connesso

Iscritto il: giovedì 29 agosto 2013, 7:11
Messaggi: 335
Ciao Antonio. Spiegazione chiarissima. Ti ringrazio e ti pongo due ulteriori domande.
La direzione di marcia è determinata dalla posizione delle levette e non più dal regolatore?
Si possono creare sezioni aggiuntive oltre le due iniziali (credo di si)?
Se volessi controllare contemporaneamente due locomotive?

Grazie per la tua cortese disponibilità e competenza.

Giuseppe


Top
 Profilo  
 
 Oggetto del messaggio: Re: info for dummies impianto elettrico
MessaggioInviato: mercoledì 24 ottobre 2018, 13:20 
Non connesso

Iscritto il: venerdì 25 novembre 2011, 19:13
Messaggi: 2019
Località: Trieste
"La direzione di marcia è determinata dalla posizione delle levette e non più dal regolatore?" Si, esatto. Chiaro che se il regolatore a monte inverte, invertirà tutto quello che sta a valle, mantenendo eventuali differenze di direzione tra le sezioni a valle.
"Si possono creare sezioni aggiuntive oltre le due iniziali (credo di si)?" Si. Quante ne vuoi.
"Se volessi controllare contemporaneamente due locomotive?" Eh...in analogico un alimentatore una locomotiva (senza considerare eventuali doppie trazioni). Potresti fare un alimentatore per ogni sezione però dopo al passaggio tra una sezione all'altra la questione si complica e deve essere definita una soluzione ulteriore.
Se posso dare un parere, per un plastico a osso di cane in analogico un alimentatore va bene.

Ciao
Anto


Top
 Profilo  
 
 Oggetto del messaggio: Re: info for dummies impianto elettrico
MessaggioInviato: mercoledì 24 ottobre 2018, 16:08 
Non connesso

Iscritto il: venerdì 7 dicembre 2007, 19:06
Messaggi: 842
Località: TS, nel mitico nord-est :-)
nanniag ha scritto:
Ma non pare maleducato rispondere ad un utente che chiede un aiuto con minchiate varie e informazioni poco inerenti alla domanda? Pazzesco...

staccionata, provo a risponderti. Qui sotto uno schemino di collegamento.

Immagine

Si, una eventuale interconnessione o comunicazione tra i due binari creerebbe un corto. Se sei in analogico, puoi dividere il tracciato in due sezioni, usando le scarpette isolanti o semplicemente tagliando entrambe le rotaie. Poi alimentare ciascuna sezione ad un interruttore a tre posizioni con zero centrale, come da schema.

Spero di aver risposto alla tua domanda.
Ciao
Antonio

Il vantaggio del sistema marklin, è che le 2 rotaie sono collegate assieme , e infatti , nei cappi di ritorno e nelle comunicazioni che dice l'amico nostro , non si forma NESSUN corto circuito. Quindi , se uno non è molto ferrato nell'elettronica , se sceglie il marklin avrà una vita MOLTO più facile e infatti non bisogna preoccuparsi di sezionamenti e swic manuali o rele'.
Dopo , il marklin può anche non piacere .... ma questa è un'altra storia.

Nessuna minchiata ..................................... :wink:

Mancuso Loris


Top
 Profilo  
 
 Oggetto del messaggio: Re: info for dummies impianto elettrico
MessaggioInviato: mercoledì 24 ottobre 2018, 16:22 
Non connesso

Iscritto il: venerdì 20 gennaio 2006, 19:41
Messaggi: 2863
Esatto quello che dici ma è assurdo scegliere tra Marklin o "resto del mondo" in funzione di qualche scelta circuitale perfettamente padroneggiabile.


Top
 Profilo  
 
 Oggetto del messaggio: Re: info for dummies impianto elettrico
MessaggioInviato: mercoledì 24 ottobre 2018, 22:25 
Non connesso

Iscritto il: lunedì 5 settembre 2016, 13:17
Messaggi: 688
Per staccionata: puoi anche sezionare le intere curve di ritorno ed alimentarle con un trasformatore, e tutta la parte centrale del plastico con tutti gli scambi con un altro, in modo da avere sempre chiaro il senso di marcia dei convogli determinato dalla direzione della manopola del trasformatore principale.


Top
 Profilo  
 
 Oggetto del messaggio: Re: info for dummies impianto elettrico
MessaggioInviato: mercoledì 31 ottobre 2018, 1:07 
Non connesso

Iscritto il: domenica 14 marzo 2010, 21:37
Messaggi: 1993
Località: Faenza
Ho avuto bisogno di tempo per riflettere.
@staccionata : se ho capito, chiedi un sistema per mettere in comunicazione due binari di polarità opposta.
Descrivevi una stazione su linea a doppio binario in analogico e ad osso di cane, cioè, così :
Allegato:
Stazione su osso di cane - 1.JPG
Stazione su osso di cane - 1.JPG [ 36.67 KiB | Osservato 8456 volte ]

Se volessi far arrivare un treno in deviata, per esempio sul binario 3, con l' itinerario mostrato, si porrebbe il problema da tè sollevato : un conflitto elettrico, ovvero un cortocircuito.
Ciò è dovuto al fatto che i binari provenienti dalla linea si presentano in stazione con polarità opposte.

In Klausen21 abbiamo risolto così :
- abbiamo sezionato le 4 rotaie in uscita da ogni scambio
- abbiamo messo un deviatore a levetta per comandare ogni scambio e la relativa corrente di trazione

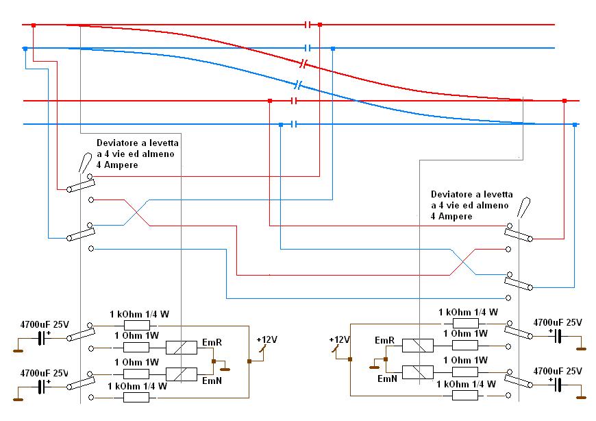
Quindi si potrebbe dotare ogni scambio di un deviatore a levetta a 4 vie e di portata almeno 4 Ampere. Non è necessario un tipo a zero centrale, è meglio un tipo a due sole posizioni.

Seguendo, per ogni coppia di scambi, il collegamento della figura seguente :
Allegato:
schema comunicazione a corrente commutata - 1.JPG
schema comunicazione a corrente commutata - 1.JPG [ 68.92 KiB | Osservato 8456 volte ]

si ha che ogni deviatore a levetta :
- ha due posizioni : N= Normale, ovvero dritto, R= Rovescio, ovvero deviato
- due dei suoi contatti sono utilizzati per indirizzare l' alimentazione di trazione secondo il percorso impostato nello scambio
- due dei suoi contatti sono utilizzati per comandare lo scambio col sistema della scarica capacitiva

Il sistema a scarica capacitiva è già stato illustrato da Marcello e da Tz.
Funziona così :
- per ogni elettromagnete c' è un contatto che può collegare un condensatore alla resistenza di carica o all' elettromagnete dello scambio
- quando posizionato verso la carica, impiega qualche secondo a caricare il condensatore (4..5 secondi)
- quando posizionato verso l' elettromagnete dello scambio, farà scaricare su esso il condensatore, muovendo quindi lo scambio
In questo modo non c' è pericolo che un elettromagnete resti alimentato per errore. Finita l' energia del condensatore, in 1..2 secondi, l' elettromagnete non è più alimentato.
La resistenza da 1 Ohm serve a non sovraccaricare il contatto del deviatore a levetta durante la scarica del condensatore.

Se entrambe le levette sono posizionate in deviata, la corrente fluirà dal primo scambio verso l' altro, ed il treno potrrà seguire la corrente di polarità giusta.

Ogni coppia di scambi del primo disegno dovrà essere equipaggiata in questo modo.

Notare che per far entrare un treno in 3° binario si dovrà per primo azionare le deviate frà 2° e 3° binario e solo successivamente quelle dal 1° al 2° binario.
Se si facesse il contrario, si provocherebbe un corto circuito , avendo messo in comunicazione diretta i due binari di corsa.

Un treno in sosta sul binario 3 sarebbe automaticamente non alimentato se gli scambi suoi fossero Normali (dritti). Quindi non sarebbe necessario provvedere ulteriori interruttori di sezionamento.
Per un treno che dovesse entrare al binario 3 provenendo dalla linea del binaro 2 sarebbe sufficiente azionare la opportuna coppia di scambi. In questo caso non c' è una sequenza da rispettare.

Il sistema necessita di 12 V ausiliari in corrente continua (DC), ottenibili con un piccolo trasformatore elettronico.

Spero di non averi infilato errori, data l' ora tarda.
In caso di domande ... sono quà.


Stefano Minghetti


Top
 Profilo  
 
Visualizza ultimi messaggi:  Ordina per  
Apri un nuovo argomento Rispondi all’argomento  [ 20 messaggi ]  Vai alla pagina 1, 2  Prossimo

Tutti gli orari sono UTC + 1 ora [ ora legale ]


Chi c’è in linea

Visitano il forum: Nessuno e 23 ospiti


Non puoi aprire nuovi argomenti
Non puoi rispondere negli argomenti
Non puoi modificare i tuoi messaggi
Non puoi cancellare i tuoi messaggi
Non puoi inviare allegati

Cerca per:
Vai a:  
banner_piko

Duegi Editrice - Via Stazione 10, 35031 Abano Terme (PD). Italy - Tel. 049.711.363 - Fax 049.862.60.77 - duegi@duegieditrice.it - shop@duegieditrice.it
Direttore editoriale: Luigi Cantamessa - Amministratore unico: Federico Mogioni - Direttore responsabile: Pietro Fattori.
Registro Operatori della Comunicazione n° 37957. Partita iva IT 05448560283 Tutti i diritti riservati Duegi Editrice Srl