Oggi è sabato 21 marzo 2026, 7:55

Tutti gli orari sono UTC + 1 ora [ ora legale ]




Apri un nuovo argomento Rispondi all’argomento  [ 2551 messaggi ]  Vai alla pagina Precedente  1 ... 62, 63, 64, 65, 66, 67, 68 ... 171  Prossimo
Autore Messaggio
 Oggetto del messaggio: Re: PLASTICO: Torma Porta Nuova.
MessaggioInviato: sabato 11 agosto 2018, 22:24 
Non connesso

Iscritto il: domenica 14 marzo 2010, 21:37
Messaggi: 1990
Località: Faenza
Marcello (PT) ha scritto:
Quello che dicevo è che la formazione di un itinerario non sempre coincide con la manovra dei deviatoi che s'incontrano lungo il percorso. Questo perché WinDigipet tiene in memoria la posizione degli scambi, e se sono già in giusta posizione non li manovra di nuovo.


Dimenticavo il comportamento che avevi descritto.
Si potrebbero disegnare diversamente i due incroci ; quello più angolato come una coppia di deviatoi, l' altro come uno scambio inglese doppio. Vedi disegno :
Allegato:
Due scambi al posto di un incrocio - 1.JPG
Due scambi al posto di un incrocio - 1.JPG [ 11.26 KiB | Osservato 5002 volte ]

In tal caso WD dovrebbe trattarli come se fossero scambi realmente esistenti nell' impianto e dovrebbe comandarli, tenendo conto della posizione richiesta e tenendola in memoria come per gli altri deviatoi.
Si dovrebbero definire anche fisicamente le uscite per le rispettive bobine, anche se non esistenti (immagino che WD obblighi ad averle). Si tratta di due coppie di bobine per ogni incrocio, ovvero quattro machinette da deviatoio, ovvero 8 uscite singole.

Considerando che i due incroci (coppia di scambi ciascuno) verrebbero comandati sempre per una o l' altra diagonale, le due coppie di bobine sarebbero comandate simmetricamente, come se fossero una sola.

Quindi si dovrebbe mettere un relè bistabile per ogni incrocio fittizio, collegandone le bobine alla prima coppia di bobine fittizie.
Il relè si occuperebbe di collegare i cuori dell' incrocio fisico (reale) ciascuno alla polarità opportuna e sarebbe opportunamente comandato da WD.
Questo per ogni incrocio.

Non sò se mi sono spiegato.

POI
Non è possibile usare il tipo di scambio incrocio che ha una sola coppia di elettromagneti. Esso può essere tutto dritto o tutto deviato, cosa diversa dalla nostra necessità.
Nella realtà (Germania, Svizzera) esistono incroci in cui le rotaie al centro vengono commutate, credo per avere un dispositivo più affidabile e percorribile con meno scossoni. Non l' ho mai visto nel modellismo, ma se in WD fosse definito, lo si potrebbe usare.


Stefano Minghetti


Top
 Profilo  
 
 Oggetto del messaggio: Re: PLASTICO: Torma Porta Nuova.
MessaggioInviato: domenica 12 agosto 2018, 7:00 
Non connesso

Iscritto il: mercoledì 5 aprile 2006, 16:11
Messaggi: 5060
Località: Pistoia
L'idea è buonissima. Direi, intanto di andare avanti così perché ieri mattina avevo già buttato giù qualcosa ed ormai voglio provarlo, poi si deciderà come proseguire.

Immaginemettere immagini su internet

Con il tuo sistema, se ho capito bene, praticamente i motori degli scambi fittizi altro non sarebbero che le due bobine dei bistabili. In tutto 4 bistabili per i 2 incroci, serve un intero decoder, ma questo significa poco, la cosa mi pare buona.


Top
 Profilo  
 
 Oggetto del messaggio: Re: PLASTICO: Torma Porta Nuova.
MessaggioInviato: domenica 12 agosto 2018, 7:12 
Non connesso

Iscritto il: mercoledì 5 aprile 2006, 16:11
Messaggi: 5060
Località: Pistoia
Lo schema direttamente da W.D. Direi che mi piace di più. Proverò a buttare giù qualcosa.

Immaginephoto upload

Hai già fatto qualcosa di simile? Che bistabili hai usato?


Top
 Profilo  
 
 Oggetto del messaggio: Re: PLASTICO: Torma Porta Nuova.
MessaggioInviato: domenica 12 agosto 2018, 8:06 
Non connesso

Iscritto il: mercoledì 5 aprile 2006, 16:11
Messaggi: 5060
Località: Pistoia
Intanto prendiamo in considerazione tre posizioni di un comune relè.

Condizione 1: a riposo.

Immaginefree hosting image

Condizione 2, transitorio nel momento della commutazione. Occorre accertarsi che il relé che usiamo rispetti la condizione in cui ci sia un istante che la molla centrale, quella che si sposta, non abbia contatto elettrico.

Immagine

Condizione 3: commutazione avvenuta.

Immagine

Ora vado, quando avrò tempo ne riparliamo.


Top
 Profilo  
 
 Oggetto del messaggio: Re: PLASTICO: Torma Porta Nuova.
MessaggioInviato: domenica 12 agosto 2018, 14:03 
Non connesso

Iscritto il: mercoledì 5 aprile 2006, 16:11
Messaggi: 5060
Località: Pistoia
Lo stesso dicasi per i relè con pacco molle a due contatti di cambio (DPDT).

Immagineimage sharing


Top
 Profilo  
 
 Oggetto del messaggio: Re: PLASTICO: Torma Porta Nuova.
MessaggioInviato: domenica 12 agosto 2018, 14:53 
Non connesso

Iscritto il: mercoledì 5 aprile 2006, 16:11
Messaggi: 5060
Località: Pistoia
Immagine

I possibili istradamenti su un incrocio sono solo 2, quindi due stati diversi, se fossero davvero due scambi sarebbero stati quattro, ma in questo caso no. Quindi basta un solo bistabile per ogni incrocio, che avrà lo stato S, in un caso, R nell'altro, entrabi comandati dall'uscita del decoder che porrebbe normali i due deviatoi fittizi.

Il bistabile lo userei per comandare un relè più sicuro, perché dentro ai bistabili non so cosa c'è e sono piuttosto delicati, basta un nulla per far saldare i contatti.

Immagine

Funzionerà?


Top
 Profilo  
 
 Oggetto del messaggio: Re: PLASTICO: Torma Porta Nuova.
MessaggioInviato: domenica 12 agosto 2018, 19:04 
Non connesso

Iscritto il: domenica 14 marzo 2010, 21:37
Messaggi: 1990
Località: Faenza
Credo di sì.

Ma non lo ho mai provato.

Forse non mi ero spiegato bene, ma :
- occorrono due scambi fittizi, con relative uscite di decoder (suppongo sempre che W.D. obblighi ad avere le uscite fisiche per ogni scambio definito sul pannello)
- occorre un solo relè bistabile per ogni incrocio, quindi una coppia di uscite non è utilizzata


Stefano Minghetti


Top
 Profilo  
 
 Oggetto del messaggio: Re: PLASTICO: Torma Porta Nuova.
MessaggioInviato: domenica 12 agosto 2018, 19:28 
Non connesso

Iscritto il: mercoledì 5 aprile 2006, 16:11
Messaggi: 5060
Località: Pistoia
Quindi non come l'ho fatto io? (schema a fine pag precedente)


Top
 Profilo  
 
 Oggetto del messaggio: Re: PLASTICO: Torma Porta Nuova.
MessaggioInviato: domenica 12 agosto 2018, 21:08 
Non connesso

Iscritto il: domenica 14 marzo 2010, 21:37
Messaggi: 1990
Località: Faenza
I bistabili hanno un magnete inserito nel circuito magnetico.
Una volta comandata una posizione, il magnete la mantiene.
Possono essere a una o due bobine.

Azionando una bobina, viene vinta la forza del magnete e l' ancora si sposta.
Azionando l' altra bobina, viene nuovamente vinta la forza del magnete e l' ancora si sposta in direzione opposta.

Esistono anche ad una bobina, ma richiedono due diverse polarità di azionamento per ottenere le due posizioni.

Sono noti come Bistable relay o come Latching relay.

I contatti sono solitamente come nei relè normali. Hanno, forse, meno portata a causa della minore forza esercitata dall' ancora sui contatti.

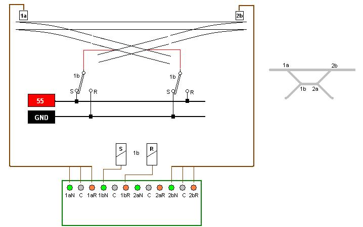
Come collegamenti e disposizione, intendevo questa :
Allegato:
Due scambi al posto di un incrocio - 2a.JPG
Due scambi al posto di un incrocio - 2a.JPG [ 29.08 KiB | Osservato 5191 volte ]

Un solo relè per incrocio, al posto di uno dei due scambi fittizi.


Stefano Minghetti


Top
 Profilo  
 
 Oggetto del messaggio: Re: PLASTICO: Torma Porta Nuova.
MessaggioInviato: domenica 12 agosto 2018, 21:15 
Non connesso

Iscritto il: domenica 14 marzo 2010, 21:37
Messaggi: 1990
Località: Faenza
p.s. ho corretto i collegamenti S e R al secondo gruppo di contatti, perchè li avevo disegnati errati.


Stefano Minghetti


Top
 Profilo  
 
 Oggetto del messaggio: Re: PLASTICO: Torma Porta Nuova.
MessaggioInviato: lunedì 13 agosto 2018, 5:41 
Non connesso

Iscritto il: mercoledì 5 aprile 2006, 16:11
Messaggi: 5060
Località: Pistoia
Ok, in sostanza sono la stessa cosa, tu hai sfruttato le uscite N-R di una sezione del decoder, io le due uscite N-N di due sezioni del decoder, ma la sostanza penso sia la stessa.

Io ho messo un relè ripetitore perché, come dici tu, la corsa dei contatti in un bistabile è minore che in un relè normale, e siccome le due molle estreme sono collegate ai due poli dell'alimentazione di trazione, il pericolo che durante la commutazione le tre molle possano trovarsi assieme è maggiore.

Per questo ho fatto tutte quelle foto alla posizione dei contatti.

Mi dilungo in spiegazioni perché ho alcuni amici che mi hanno chiesto, quando si tratta di argomenti che hanno a che fare con l'elettricità, se posso essere esaustivo anche per loro che non sono molto ferrati nel ramo. Naturalmente quelli che lo sono porteranno un po' di pazienza.

Stefano vedo che tu collegheresti direttamente i bistabili alle rotaie, pensi che non vi siano rischi? Ho visto che le specifiche danno per quasi tutti i casi un massimo di 2 A per contatto, anche quelli che dicono 3 poi, se si va a spulciare meglio diventano 2 A a 30 V. Ho avuto qualche problema con quei contatti.

Grazie per il tempo dedicato.


Top
 Profilo  
 
 Oggetto del messaggio: Re: PLASTICO: Torma Porta Nuova.
MessaggioInviato: lunedì 13 agosto 2018, 7:51 
Non connesso

Iscritto il: mercoledì 5 aprile 2006, 16:11
Messaggi: 5060
Località: Pistoia
Credo che questi bistabili vadano bene, li ho ordinati e vedremo.

https://www.tme.eu/it/details/rt424f12/ ... 1393243-4/


Top
 Profilo  
 
 Oggetto del messaggio: Re: PLASTICO: Torma Porta Nuova.
MessaggioInviato: lunedì 13 agosto 2018, 10:18 
Non connesso

Iscritto il: mercoledì 5 aprile 2006, 16:11
Messaggi: 5060
Località: Pistoia
A questo punto, se devo usare un decoder anche per l'altro incrocio, e devo ammattire con il relè e le polarizzazioni mi conviene mettere un altro inglese al suo posto e buonanotte...


Top
 Profilo  
 
 Oggetto del messaggio: Re: PLASTICO: Torma Porta Nuova.
MessaggioInviato: lunedì 13 agosto 2018, 11:12 
Non connesso

Iscritto il: mercoledì 28 agosto 2013, 14:28
Messaggi: 1221
Località: Bologna
Apprezzo molto il dilungamento!
Stefano conosce bene il mio plastico e vorrei fare qualche upgrade e miglioramenti vari nelle manovre . Da qui la necessità di performance migliori in alcuni punti del tracciato e nella efficacia degli sganciamenti.
Il tutto sta già funzionando a buon livello ma non come vorrei considerando la estrema varianza del parco rotabili circolante.
Grazie,
Andrea


Top
 Profilo  
 
 Oggetto del messaggio: Re: PLASTICO: Torma Porta Nuova.
MessaggioInviato: lunedì 13 agosto 2018, 11:15 
Non connesso

Iscritto il: mercoledì 5 aprile 2006, 16:11
Messaggi: 5060
Località: Pistoia
Dunque, ecco il tracciato rivisto. Così grazie anche a Stefano me la cavo con un solo bistabile.

Immagine


Top
 Profilo  
 
Visualizza ultimi messaggi:  Ordina per  
Apri un nuovo argomento Rispondi all’argomento  [ 2551 messaggi ]  Vai alla pagina Precedente  1 ... 62, 63, 64, 65, 66, 67, 68 ... 171  Prossimo

Tutti gli orari sono UTC + 1 ora [ ora legale ]


Chi c’è in linea

Visitano il forum: Nessuno e 19 ospiti


Non puoi aprire nuovi argomenti
Non puoi rispondere negli argomenti
Non puoi modificare i tuoi messaggi
Non puoi cancellare i tuoi messaggi
Non puoi inviare allegati

Cerca per:
Vai a:  
banner_piko

Duegi Editrice - Via Stazione 10, 35031 Abano Terme (PD). Italy - Tel. 049.711.363 - Fax 049.862.60.77 - duegi@duegieditrice.it - shop@duegieditrice.it
Direttore editoriale: Luigi Cantamessa - Amministratore unico: Federico Mogioni - Direttore responsabile: Pietro Fattori.
Registro Operatori della Comunicazione n° 37957. Partita iva IT 05448560283 Tutti i diritti riservati Duegi Editrice Srl